很久没有分析过由触发器构成的同步时序逻辑电路的功能了, 似乎技艺已有些许生疏: 这是不应该的.
从之前的博客中大家应该会感觉到, 在使用触发器设计时序逻辑电路的基本功大致达标后, 我一直在用中规模集成电路芯片来进行时序逻辑电路的设计, 如同步十进制加法计数器74160、同步十六进制加法计数器74163等. 的确, "用中规模集成电路芯片来代替大量的触发器"这一设计准则的确能大幅提高我们设计电路的效率, 也能大幅提高电路设计的准确性: 但我们不要忘记, 我们是从"分析用触发器设计的同步时序逻辑电路的功能"开始的, 这说明"分析用触发器设计的同步时序逻辑电路的功能"是时序逻辑电路部分的基础, 是应该反复推敲的. 大家应在基础部分投入较大的精力, 以从根本上掌握时序逻辑电路的分析与设计方法.
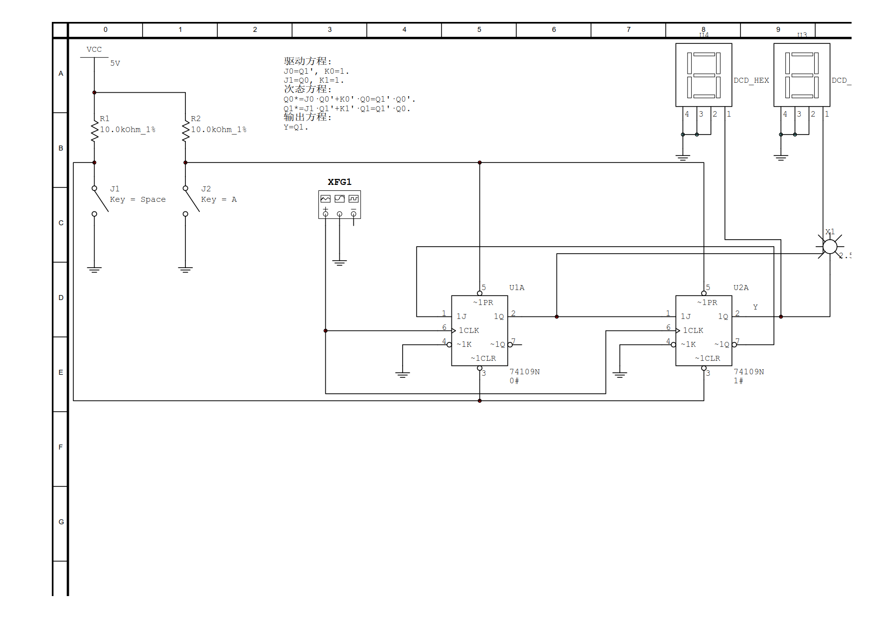
好的, 让我们从下面的电路开始, 再次体会同步时序逻辑电路的奥妙.

题: 分析该时序逻辑电路的功能, 写出电路的驱动方程、状态方程和输出方程, 画出电路的状态转换图和时序图.
分析:
第一步, 写出驱动方程(电路图上方已标明)和输出方程(电路图上方已标明).
第二步, 根据驱动方程求出次态方程(电路图上方已表明).
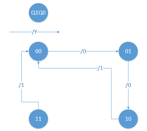
第三步, 根据次态方程绘制状态表.
| 题6.1状态表 | ||||
| Q1 | Q0 | Q1* | Q0* | Y |
| 0 | 0 | 0 | 1 | 0 |
| 0 | 1 | 1 | 0 | 0 |
| 1 | 0 | 0 | 0 | 1 |
| 1 | 1 | 0 | 0 | 1 |
第四步, 根据状态表绘制状态图.
第五步, 根据绘制的状态图, 分析电路的逻辑功能.
由状态图可以看出, 电路共有00、01、10三个有效状态; 电路状态为10时输出Y=1, 其它状态对应的输出Y=0. 由此可以看出, 这是一个同步3进制加法计数器. 剩下的一个无效状态11可进入有效循环, 所以电路可自启动.
最后
以上就是酷炫牛排最近收集整理的关于经典同步时序逻辑电路分析汇总(第一道)(同步三进制加法计数器)的全部内容,更多相关经典同步时序逻辑电路分析汇总(第一道)(同步三进制加法计数器)内容请搜索靠谱客的其他文章。
发表评论 取消回复