我是靠谱客的博主 开心黄蜂,这篇文章主要介绍2015年兆芯面试题,现在分享给大家,希望可以做个参考。

要求:一个握手的模块。输入信号分别为en,ack,all_done;输出信号是req,done;要求例如以下en高电平有效时能够输出req信号。然后等待ack信号,收到ack信号后会发出done信号,模块的数量不定。当全部模块done信号军发送完成后会接收到all_done信号,仅仅有接收到aLL_done信号才干够发送下一次req信号。


难点在于第一次发送时仅仅须要en有效就可以。而下一次发送必须en和all_done同一时候有效,或者all_done已经有效过。en有效则发送req. done信号则直接与ack同步或者延时一个时钟周期就可以。


module handshake(input clk, rst_n,en,all_done,ack,

                               output reg req, done);

reg flag,r_all;

always @(posedge clk or negedge rest_n)

if(!rst_n)begin

  flag<=1'b1;//推断是否为第一次发送;

  r_all<=1'b0; //是否接收到all_done信号

end

else if(all_done) begin

    r_all<=1'b1;//已接收到all_done信号置位

end

else if(done) begin

   r_all<=1'b0;//以完毕发送,all_done信号清零

   flag<=1'b0;//完毕第一次发送后即永久性清零。

end

always @(posedge clk or negedge rest_n)

if(!rst_n)begin

   req<=1'b0;

  done<=1'b0;

end

else begin

   if((en&flag) || (en&all_done) || (en &r_all)) 

         req<=1'b1;

   else  req<=1'b0;

  if(ack)

      done<=1'b1;

  else  done<=1'b0;

end

endmodule

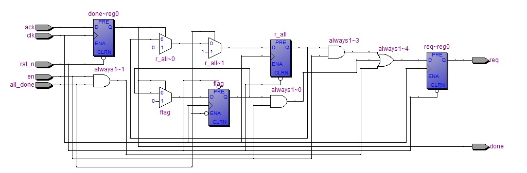
终于的RTL视图为:

    

最后

以上就是开心黄蜂最近收集整理的关于2015年兆芯面试题的全部内容,更多相关2015年兆芯面试题内容请搜索靠谱客的其他文章。

本图文内容来源于网友提供,作为学习参考使用,或来自网络收集整理,版权属于原作者所有。
点赞(170)

评论列表共有 0 条评论

立即
投稿
返回
顶部