我是靠谱客的博主 微笑饼干,这篇文章主要介绍《大话数据结构》读书笔记--3.线性表线性表线性表的抽象数据类型线性表的顺序存储结构线性表的链式存储结构单链表结构与顺序存储结构优缺点静态链表—有C、C#代码参考循环链表双向链表总结:,现在分享给大家,希望可以做个参考。
目录
- 线性表
- 线性表的抽象数据类型
- 线性表的顺序存储结构
- 线性表的链式存储结构
- 单链表结构与顺序存储结构优缺点
- 静态链表—有C、C#代码参考
- 循环链表
- 双向链表
- 总结:
线性表
线性表(List):零个或多个数据元素的有限(元素个数有限)序列(元素之间有顺序)。
线性表元素的个数n(n>0)定义为线性表的长度,当n=0时,称为空表。
在较复杂的线性表中,一个数据元素可以由若干个数据项组成。
线性表的抽象数据类型
线性表的抽象数据类型定义如下:
ADT 线性表(List)
Data
线性表的数据对象集合为{a1,az…….an},每个元素的类型均为DataType。其中,除第一个元素ai外,每一个元素有且只有一个直接前驱元素,除了最后一个元素an外,每一个元素有且只有一个直接后继元素。数据元素之间的关系是一对一的关系。
Operation
InitList(*L): 初始化操作,建立一个空的线性表L。
ListEmpty(L): 若线性表为空,返回true,否则返回false。
ClearList(*L):将线性表清空。
GetElem(L,i,*e):将线性表工中的第i个位置元素值返回给e。
LocateElem(L,e):在线性表工中查找与给定值e相等的元素,如果查找成功,返回该元素在表中序号表示成功;
否则,返回0表示失败。
ListInsert(*L,i,e):在线性表工中的第i个位置插入新元素e。
ListDelete(*L,i,*e):删除线性表工中第i个位置元素,并用e返回其值。
ListLength(L):返回线性表工的元素个数。
endADT
线性表的顺序存储结构
线性表的顺序存储结构:指的是用一段地址连续的存储单元依次存储线性表的数据元素。
线性表(a1,az…,an)的顺序存储示意图如下:

优点:
- 无须为表示表中元素之间的逻辑关系而增加额外的存储空间
- 可以快速地存取表中任一位置的元素
缺点:
- 插入和删除操作需要移动大量元素
- 当线性表长度变化较大时,难以确定存储空间的容量
- 造成存储空间的“碎片”
线性表的链式存储结构
对于插入或删除数据越频繁的操作,单链表的效率优势就越是明显。
结点:

头指针:
- 头指针是指链表指向第一个结点的指针,若链表有头结点,则是指向头结点的指针
- 头指针具有标识作用,所以常用头指针冠以链表的名字
- 无论链表是否为空,头指针均不为空。头指针是链表的必要元素

头结点: - 头结点是为了操作的统一和方便而设立的,放在第一元素的结点之前,其数据域一般无意义(也可存放链表的长度)
- 有了头结点,对在第一元素结点前插入结点和删除第一结点,其操作与其它结点的操作就统一了
- 头结点不一定是链表必须要素

单链表结构与顺序存储结构优缺点
存储分配方式:
- 顺序存储结构用一段连续的存储单元依次存储线性表的数据元素
- 单链表采用链式存储结构,用一组任意的存储单元存放线性表的元素
时间性能:
- 查找:顺序存储结构O(1),单链表O(n)
- 插入和删除:顺序存储结构(需要平均移动表长一半的元素)时间为O(n),单链表在线出某位置的指针后插入和删除时间仅为O(1)
空间性能:
- 顺序存储结构需要预分配存储空间,分大了,浪费,分小了易发生上溢
- 单链表不需要分配存储空间,只要有就可以分配,元素个数也不受限制
静态链表—有C、C#代码参考
静态链表-C#实现
静态链表:用数组描述的链表叫做静态链表,也叫做游标实现法(建议理解,以备不时之需)。
- 初始状态:

- 存放数据:

- 插入操作

- 删除操作:

优点:
- 在插入和删除操作时,只需要修改游标,不需要移动元素,从而改进了在顺序存储结构中的插入和删除操作需要移动大量元素的缺点
缺点:
- 没有解决连续存储分配带来的表长难以确定的问题
- 失去了顺序存储结构随机存取的特性
循环链表
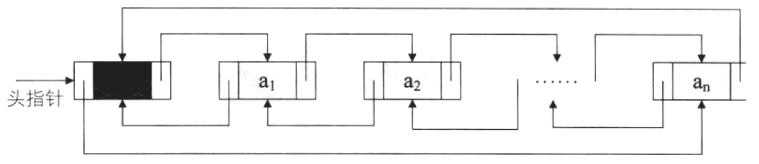
循环链表:将单链表中终端结点的指针端由空指针改为指向头结点,就使整个单链表形成一个环,这种头尾相接的单链表称为单循环链表,简称循环链表(circular linked list)。


双向链表
双向链表(double linked list):是在单链表的每个结点中,再设置一个指向其前驱结点的指针域。
- 空双向链表:

- 非空双向链表:

- 插入节点

- 删除节点

总结:

最后
以上就是微笑饼干最近收集整理的关于《大话数据结构》读书笔记--3.线性表线性表线性表的抽象数据类型线性表的顺序存储结构线性表的链式存储结构单链表结构与顺序存储结构优缺点静态链表—有C、C#代码参考循环链表双向链表总结:的全部内容,更多相关《大话数据结构》读书笔记--3.线性表线性表线性表内容请搜索靠谱客的其他文章。
本图文内容来源于网友提供,作为学习参考使用,或来自网络收集整理,版权属于原作者所有。
发表评论 取消回复