浅谈XILINX FPGA CLB单元 之 移位寄存器(移位寄存器、SRLC32E、SRL16E)
一、移位寄存器
- SLICEM函数发生器也可以配置为32位移位寄存器,而无需使用slice中可用的触发器。 以这种方式使用,每个LUT可以将串行数据延迟1到32个时钟周期。
- 移入D(DI1 LUT引脚)和移出Q31(MC31 LUT引脚)线路将LUT级联,以形成更大的移位寄存器。 因此,SLICEM中的四个LUT被级联以产生高达128个时钟周期的延迟。也可以在多个SLICEM上组合移位寄存器。
- 寄存器,LUT B / C / D的MC31输出也不可用。 由此产生的可编程延迟可用于平衡数据流水线的时序。
下图是SRL32位移位寄存器的框图:

下图是占用一个32位函数发生器的示例移位寄存器配置

二、 移位寄存器的功能与应用
-
移位寄存器的功能
1)写操作
2)与时钟输入(CLK)和可选的时钟使能(CE)同步
3)修复对Q31的读取访问
4)动态读取访问
5)通过5位地址总线A [4:0]执行
LUT地址的LSB未使用,软件自动将其绑定为逻辑高电平。
6)通过改变地址可以异步读取32位中的任何一位(在O6 LUT输出上,在原语上称为Q)
7)此功能对于创建较小的移位寄存器(少于32位)很有用。
例如,当构建13位移位寄存器时,将地址设置为第13位。
8)存储单元或触发器可用于实现同步读取。
触发器的时钟输出决定了总延迟并改善了性能。但是,增加了一个时钟延迟周期。 -
移位寄存器的应用:
1)延迟或延迟补偿
2)同步FIFO和内容可寻址存储器(CAM)
三、XILINX FPGA 中LUT 中移位寄存器的复用情况
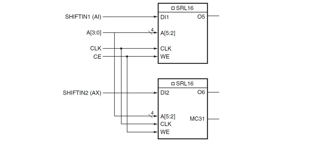
- 一个LUT可以用于产生2个16bit移位寄存器,地址是复用的。
用两个SRL16组成一个32位的移位寄存器

下图是一个SRL 16E 带使能信号的移位寄存器:
移位寄存器查找表,它的输入这是一个移位寄存器查找表,它的输入 A3,A2,A1和 A0选择移位输出的长度。
移位寄存器可以是固定的、静态的长度,移位寄存器的长度可以从 1位到 16位不等,由下面公式决定:
长度 =(8 x A3)+(4 x A2)+(2 x A1)+A0+1
如果 A3,A2,A1,A0都是 0(0000),移位寄存器的长度就是 ),移位寄存器的长度就是 1位长;如果它们 都是 1(1111),移位寄存器的长度就是 ),移位寄存器的长度就是 ),移位寄存器的长度就是 16位长。
下表是SRL16E的真值表:

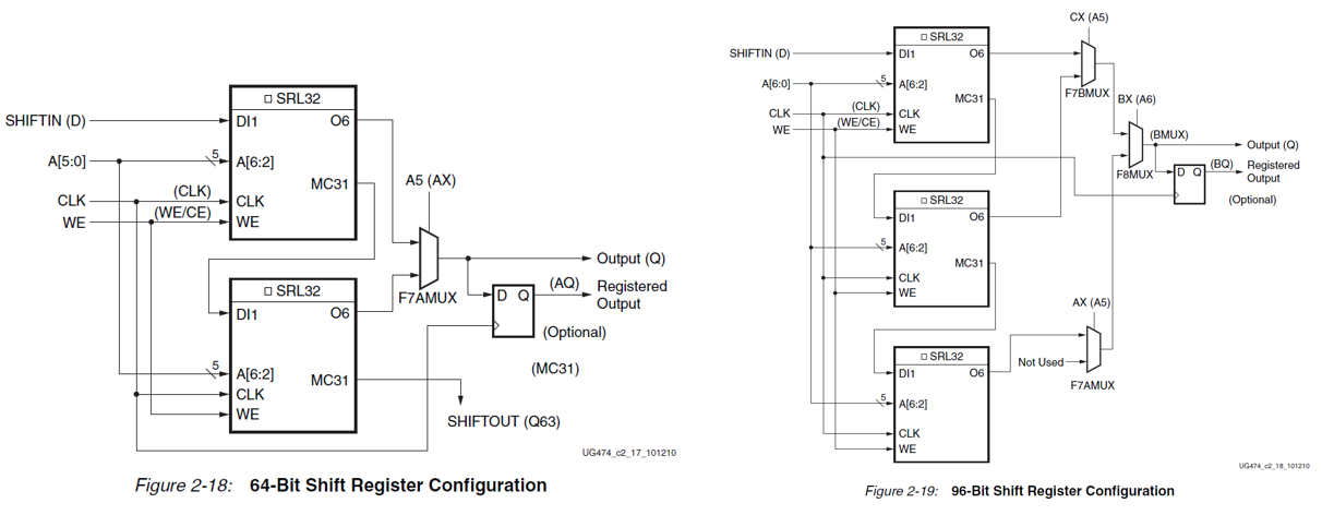
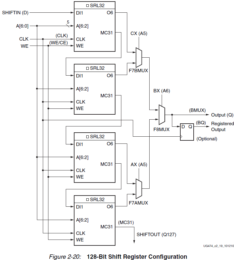
2.利用SRL32 组成 64/96/128 bit的移位寄存器,利用地址A5和F7AMUX切换SRL32


四、移位寄存器数据流
下图举例说明在7系列FPGA Slice(一个配置为SRL的LUT)中实现的移位寄存器的时序特性:

最后
以上就是小巧路人最近收集整理的关于浅谈XILINX FPGA CLB单元 之 移位寄存器(移位寄存器、SRLC32E、SRL16E)的全部内容,更多相关浅谈XILINX内容请搜索靠谱客的其他文章。
本图文内容来源于网友提供,作为学习参考使用,或来自网络收集整理,版权属于原作者所有。
发表评论 取消回复