1、UNO R3的端口输出实验
1.1 实验介绍
对于单片机中最为经典的控制电路就是流水灯实验,流水灯也称作跑马灯,利用单片机的IO口输出高电平(HIGH)与低电平(LOW)进而控制外部电路中多个LED灯以不同时间频率的亮灭。在实验中使用UNO开发板控制外围电路中的6个LED灯,使其以1s的时间间隔依次亮起,其电路图如下所示:

1.2 核心代码
int Start= 2;
int Num = 6;
int Index = 0;
void setup()
{
for (int i = Start; i < Start + Num; i ++)
{
pinMode(i, OUTPUT);
}
}
void loop()
{
for (int i = Start; i < Start + Num; i ++)
{
digitalWrite(i, LOW);
}
digitalWrite(Start + Index, HIGH);
Index = (Index + 1) % NUM;
delay(1000);
}
2、UNO R3的端口输入实验
2.1 实验介绍
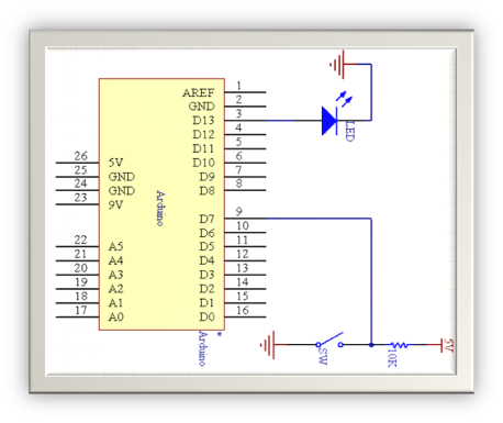
对于Arduino UNO开发板的数字IO口不仅有输出高低电平的功能(如前一小节),同时其还可以读取外部电路的高电平(5V)以及低电平(0V)。需要注意的是UNO的读取范围需要满足其工作电压以及电流,因此很多不匹配的输入需要通过一定的电路将其转换成UNO可以识别的范围。其中最简单的实验就是对按键开关连接或断开状态的判断,当按压开关按下时,单片机读取的输入信号应为高电平;当开关断开是,输入信号为低电平。本实验使用按键控制板载LED灯的亮灭,其电路如下所示:

2.2 核心代码
int Led= 13;
int Switch = 7;
int Value = 0;
void setup(){
pinMode(Led, OUTPUT);
pinMode(Switch, INPUT);
}
void loop() {
Value = digitalRead(Switch);
if (HIGH == Value)
{
digitalWrite(Led, LOW);
}
else
{
digitalWrite(Led, HIGH);
}
}
3、步进电机实验
3.1 实验介绍
步进电机是一种将电脉冲信号转换成相应角位移或线位移的电动机。每当输入一个脉冲信号是,转子就转动一个角度或前进一步,其输出的角位移或线位移与输入的脉冲数成正比,转速与脉冲频率成正比。因此,步进电动机又被称为脉冲电动机。脉冲电机相对于其它电机最大的区别就是,其接收数字控制信号,因此使用单片机对其进行控制是非常方便的。本次实验使用的是五线四相型步进电机,其实物如下图中所示:
实验中还需要应用到的一个模块便是ULN2003步进电机驱动模块,它是一个大功率驱动芯片常用来驱动小型的五线四相电机,板载的LED灯可以指示步进电机的工作状态。IN1~IN4口连接于单片机的IO口,用以输出数字信号,通过模块将其转换为脉冲信号进而控制电机工作,其实物如下图中所示:

3.2 核心代码
int motor1=8;
int motor2=9;
int motor3=10;
int motor4=11;
void stepMotor(int thisStep);
void ctlstepper(int whatSpeed,int steps);
void setup() {
// put your setup code here, to run once:
pinMode(motor1,OUTPUT);
pinMode(motor2,OUTPUT);
pinMode(motor3,OUTPUT);
pinMode(motor4,OUTPUT);
}
void loop() {
// put your main code here, to run repeatedly:
ctlstepper(800,20);
}
void ctlstepper(int whatSpeed,int steps)
{
int FX;//记录方向
int stepNumber=0;//记录运行到8拍的第几步
int stepsLeft=abs(steps);//记录运行步数,取绝对值
unsigned long stepDelay=60L*1000L/64/whatSpeed; //依据速度计算时间
long lastStepTime=0; //保存两步之间的时间
if(steps>0)
{
FX=1;
}
if(steps<0)
{
FX=0;
}
while(stepsLeft>0)
{
if(millis()-lastStepTime>=stepDelay)
{
lastStepTime=millis();
if(FX==1)
{
stepNumber++;
if(stepNumber==64)
{
stepNumber=0;
}
}
else
{
if(stepNumber==0)
{
stepNumber=64;
}
stepNumber--;
}
stepsLeft--;
stepMotor(stepNumber%8);
}
}
}
void stepMotor(int thisStep)
{
switch(thisStep)
{
case 0: //1000
digitalWrite(motor1,HIGH);
digitalWrite(motor2,LOW);
digitalWrite(motor3,LOW);
digitalWrite(motor4,LOW);
break;
case 1: //1100
digitalWrite(motor1,HIGH);
digitalWrite(motor2,HIGH);
digitalWrite(motor3,LOW);
digitalWrite(motor4,LOW);
break;
case 2: //0100
digitalWrite(motor1,LOW);
digitalWrite(motor2,HIGH);
digitalWrite(motor3,LOW);
digitalWrite(motor4,LOW);
break;
case 3: //0110
digitalWrite(motor1,LOW);
digitalWrite(motor2,HIGH);
digitalWrite(motor3,HIGH);
digitalWrite(motor4,LOW);
break;
case 4: //0010
digitalWrite(motor1,LOW);
digitalWrite(motor2,LOW);
digitalWrite(motor3,HIGH);
digitalWrite(motor4,LOW);
break;
case 5: //0011
digitalWrite(motor1,LOW);
digitalWrite(motor2,LOW);
digitalWrite(motor3,HIGH);
digitalWrite(motor4,HIGH);
break;
case 6: //0001
digitalWrite(motor1,LOW);
digitalWrite(motor2,LOW);
digitalWrite(motor3,LOW);
digitalWrite(motor4,HIGH);
break;
case 7: //1001
digitalWrite(motor1,HIGH);
digitalWrite(motor2,LOW);
digitalWrite(motor3,LOW);
digitalWrite(motor4,HIGH);
break;
}
}
4、超声波测距实验
4.1 实验介绍
超声波是振动频率高于20kHz的机械波,它具备频率高、波长短、绕射现象小、方向性好以及能够成为射线从而定向船舶的特点。超声波可以被使用到各种不同的场景中,超声波HC-SR04距离传感器模块就是其中的一种应用。HC-SR04模块性能稳定、测度距离精确,且使用简单。通过单片机的一个控制口向模块的发送口发送一个超过10us时间的高电平,就可以在模块接收口处对高电平输出的时间进行采集,最后通过一定的数学转换公式即可计算出所测量的距离值。

4.2 核心代码
int trigPin=3;
float cm;
void setup() {
// put your setup code here, to run once:
Serial.begin(9600);
pinMode(echoPin,INPUT);
pinMode(trigPin,OUTPUT);
}
void loop() {
// put your main code here, to run repeatedly:
digitalWrite(trigPin,LOW);
delayMicroseconds(2);
digitalWrite(trigPin,HIGH);
delayMicroseconds(10);//延时微秒
digitalWrite(trigPin,LOW);
cm=pulseIn(echoPin,HIGH)/58.0;//读取引脚上的高电平脉冲,最大脉冲时间间隔为60秒,并且把结果赋值给变量
cm=(int (cm*100.0))/100.0;
Serial.println(cm);
delay(100);
}
5、LCD液晶显示实验
5.1 实验介绍
对于LCD1602液晶屏模块的详细介绍可以参见往期的文章,硬件电路的连接情况如下图中所示。在这个实验当中使用UNO开发板控制液晶屏上显示我们想要的字符,在Arduino中调用库函数<LiquidCrystal.h>便可以简单的实现这个功能。其对应的引脚接线如表中所示:
| LCD1602 | VCC | GND | V0 | RS | R/W |
|---|---|---|---|---|---|
| Arduino UNO | 5V | GND | 3 | 3 | GND |
| LCD1602 | EN | D0~D3 | D4~D7 | BLA | BLK |
| Arduino UNO | 5 | 10~13 | 5V | GND |

5.2 核心代码
#include <LiquidCrystal.h>
const int Rs = 3, En = 5, D4 = 10 D5 = 11, D6 = 12, D7 = 13;
LiquidCrystal lcd(Rs, EN, D4, D5, D6, D7);
void setup()
{
lcd.begin(16, 2);
lcd.print(“Hellow Arduino UNO!”);
}
void loop()
{
lcd.setCursor(0, 1);
lcd.print( mills()/1000 );
}
6、传感器实验
6.1 温度采集实验
LM35是一种已经得到了广泛使用温度传感器,其用法简单,仅需要单片机的一个模拟口便可读取传感器采集到的模拟值,然后通过一定的数学公式将其转换为实际的温度。其硬件电路连接图与核心代码如下所示:
主要代码:
void loop()
{
// put your main code here, to run repeatedly:
Serial.println(analogRead(LM35)*4.9/10);
delay(1000);
}
6.2 RFID射频识别实验
本实验中使用RFID读卡器对电子标签进行识别,需要调用到 MFRC522库,这个库可以完成对RFID读卡器的一系列操作,其核心代码如下所示:
#include <MFRC522.h>
#include <SPI.h>
#define SS_PIN 10
#define RST_PIN 9
MFRC522 mfrc522(SS_PIN,RST_PIN);
void setup() {
// put your setup code here, to run once:
Serial.begin(9600);
SPI.begin();
mfrc522.PCD_Init();
Serial.println("Scan PICC to see UID and tye...");
}
void loop() {
// put your main code here, to run repeatedly:
if(!mfrc522.PICC_IsNewCardPresent())//如果不是新卡就返回
{
return;
}
if(!mfrc522.PICC_ReadCardSerial())//选择卡片失败
{
return;
}
mfrc522.PICC_DumpToSerial(&(mfrc522.uid));
}
6.3 红外实验
本实验中采用的是如下图中的红外遥控器,以及红外接收传感器。在发送端使用遥控器按下按键,通过红外接收传感器可以在UNO开发板所在的接收端受到相应的按键信息。
主要代码:
#include <IRremote.h>
#include <IRremoteInt.h>
//res.value为接收的值,recv.resume()接收下一个值
int recvPin=2;
IRrecv recv(recvPin);
decode_results res;
void setup() {
// put your setup code here, to run once:
Serial.begin(9600);
recv.enableIRIn();
}
void loop() {
// put your main code here, to run repeatedly:
if(recv.decode(&res))//判断是否收到数据
{
Serial.println(res);
}
}
6.4 感光灯实验
本实验采用一个LED灯以及一个光敏电阻来完成感光灯的实验,当光敏电阻感受到不同光强是其阻值会发生变化,通过UNO采集这个变化值,最后呈现在LED的亮度变化上。

主要代码:
void loop()
{
val=analogRead(potpin);
Serial.println(val);
analogWrite(ledpin, val);
delay(10);
}
7、Arduino与Processing交互实验
7.1 实验介绍
Processing是一门开源编程语言和与之配套的的集成开发环境(IDE)的名称,其在电子艺术和视觉设计社区被用来教授编程基础,并运用与大量的新媒体和互动艺术作品中。在本次实验中,实现了Arduino通过串口控制Processing的相关操作。实现在Arduino UNO端利用A0模拟口读取声音传感器采集到的数据,然后通过串口发送到Processing客户端,最后将这些数据进行可视化的展示。
7.2 核心代码
Arduino端:
int sensorPin=A0;
int sensorValue=0;
void setup() {
// put your setup code here, to run once:
pinMode(sensorPin,INPUT);
Serial.begin(9600);
}
void loop() {
// put your main code here, to run repeatedly:
sensorValue=analogRead(sensorPin);
Serial.println(sensorValue,DEC);
}
Processing端:
import processing.serial.*;
Serial myPort;
public static final char HEADER='h'; //从串口读取信息的第一个字符校验符
public static final short LF=10; //每次从串口读取信息的长度
float vol; //声音变量
float offset=100; //正弦曲线0点向y轴移动的值
float scaleVal=35;//曲线振幅
float angleInc=PI/60;//角速度
float angle=0;
float dx=0; //x轴偏移量
float under;//振幅的最小值
float high=200;//音量的最大值
String [] com;
void setup()
{
//println(Serial.list());//获取当前可用串口列表
//com=Serial.list();
myPort=new Serial(this,"COM10",9600);//初始化myPort,读取第一个可用串口,比特率为9600
myPort.bufferUntil('n'); //从串行口读数据时遇到换行符则结束读取
size(600,200);
noStroke();
frameRate(60); //每秒刷新60次
}
void draw()
{
scaleVal=map(vol,under,high,0,100);
background(204);
fill(255,0,0);
rect(20,20,20,20);//绘制一个矩形,鼠标单击时获取当前背景噪声,并以当前噪音为基准线
fill(0);
for(int posx=0;posx<=width;posx++)
{
float posy=offset+(sin(angle-dx)*scaleVal);
rect(posx,posy,1,1);
angle+=angleInc;
}
dx+=0.05;
angle=0;
}
void serialEvent(Serial myPort)
{
String message=myPort.readStringUntil(LF);
if(message!=null){
String []data=message.split(",");//将字符串信息用逗号分隔
if(data[0].charAt(0)==HEADER){
if(data.length>1)
{
vol=Integer.parseInt(data[1]);
if(high<vol)
vol=high;
if(under>vol)
vol=under;
}
}
}
}
void mouseClicked()
{
if(mouseX<40&&mouseX>20)
{
if(mouseY<40&&mouseY>20)
{
under=vol;
}
}
}
8、多线程库Scoop的使用
8.1 实验介绍
多线性,是指从软件或者硬件上实现多个线程并发执行的技术,也就是说单片机可以在同一时间执行多个线程,进而提升整体的处理性能。通过之前的实验掌握的主要是单片机的顺序编程,也就是说单片机是按照编写的代码一步一步执行,在这里就有一个先后的次序问题。但在有些情况我们需要在一段时间内执行多个功能,这个时候就需要用到了多线程库,因此在Arduino UNO开发板上实现多线程编程本质上是从软件而不是硬件上实现的。在使用这个库是,必须要在setup() 函数中调用mySccop.start()命令,同时还需要在loop()函数中调用yield()命令,关于对多线程创建人物的模板如代码中所示。
8.2 核心代码
#include <SCoop.h>
#define led1 LED_BUILTIN
defineTaskLoop(myTask1) //第一个线程函数(不需要初始化函数,将loop函数写在{}里)
{
Serial.println("hello from task1");
sleep(1000);
}
defineTask(myTask2) //第二个线程函数
void myTask2::setup()
{
trace("task2 setup");
pinMode(led1, OUTPUT);
}
void myTask2::loop()
{
Serial.println("led1 HIGH");
digitalWrite(led1, HIGH);
sleepSync(500);
Serial.println("led1 LOW");
digitalWrite(led1, LOW);
sleepSync(500);
}
defineTimerRun(Timer1,100) //快速定义一个时钟,周期为100ms
{
if (Serial.available())
{
char c = Serial.read();
Serial.print(c);Serial.println(" key pressed");
if (c=='a') myTask1.pause();//任务一暂停
if (c=='b') myTask1.resume();//任务一重启
}
}
void setup()
{
Serial.begin(57600);
while (!Serial);
mySCoop.start();
}
void loop()
{
Serial.println("do whatever you want here also");
mySCoop.sleep(500);
}
最后
以上就是可耐戒指最近收集整理的关于Arduino单片机(三).Arduino UNO系列的简单项目的全部内容,更多相关Arduino单片机(三).Arduino内容请搜索靠谱客的其他文章。
发表评论 取消回复