工作原因需要检测硬件的RS485,TTL232协议功能快速收发情况。要求是串口调试软件需要每秒1000帧的速度发送数据,但找了很多常用的串口软件,要么是没有达到这个速度,要么是发送数据时间间隔忽大忽小。所以就制作一个不附带多余功能,专注高速连续发送指令的串口发送调试器。
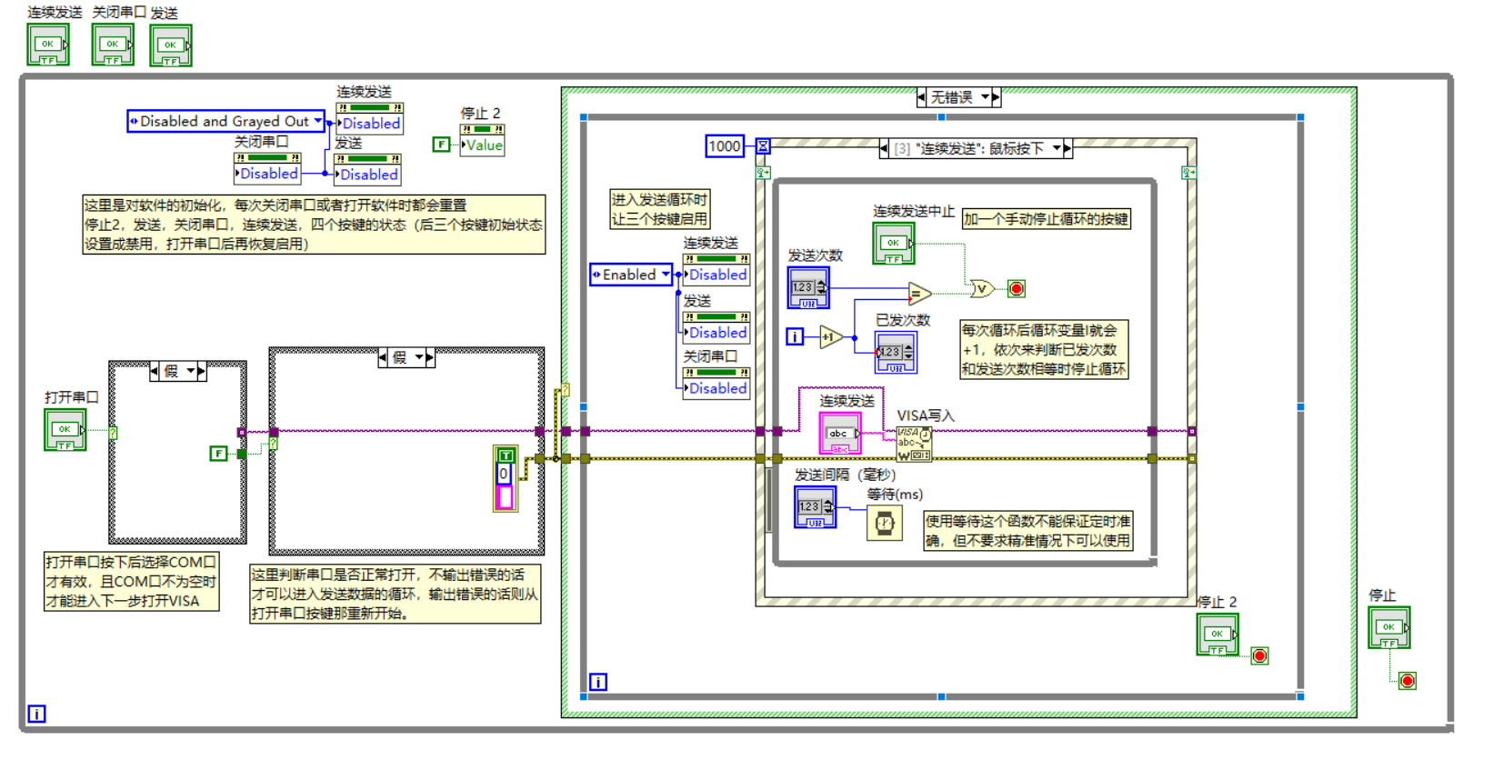
直接附上程序图(图方便的话想要源程序工程文件可以点击我的主页资源中找到下载)
到这一步软件就完全做好了,当然我工作时候用的测试软件在此基础上又做了一些改进,接下来也一同分享一下。
(后续附带测试演示,如果身边没有硬件可供测试的话可以下载一个虚拟串口软件和别的串口调试软件模拟双机通讯,虚拟串口软件:Configure Virtual Serial Port Driver)
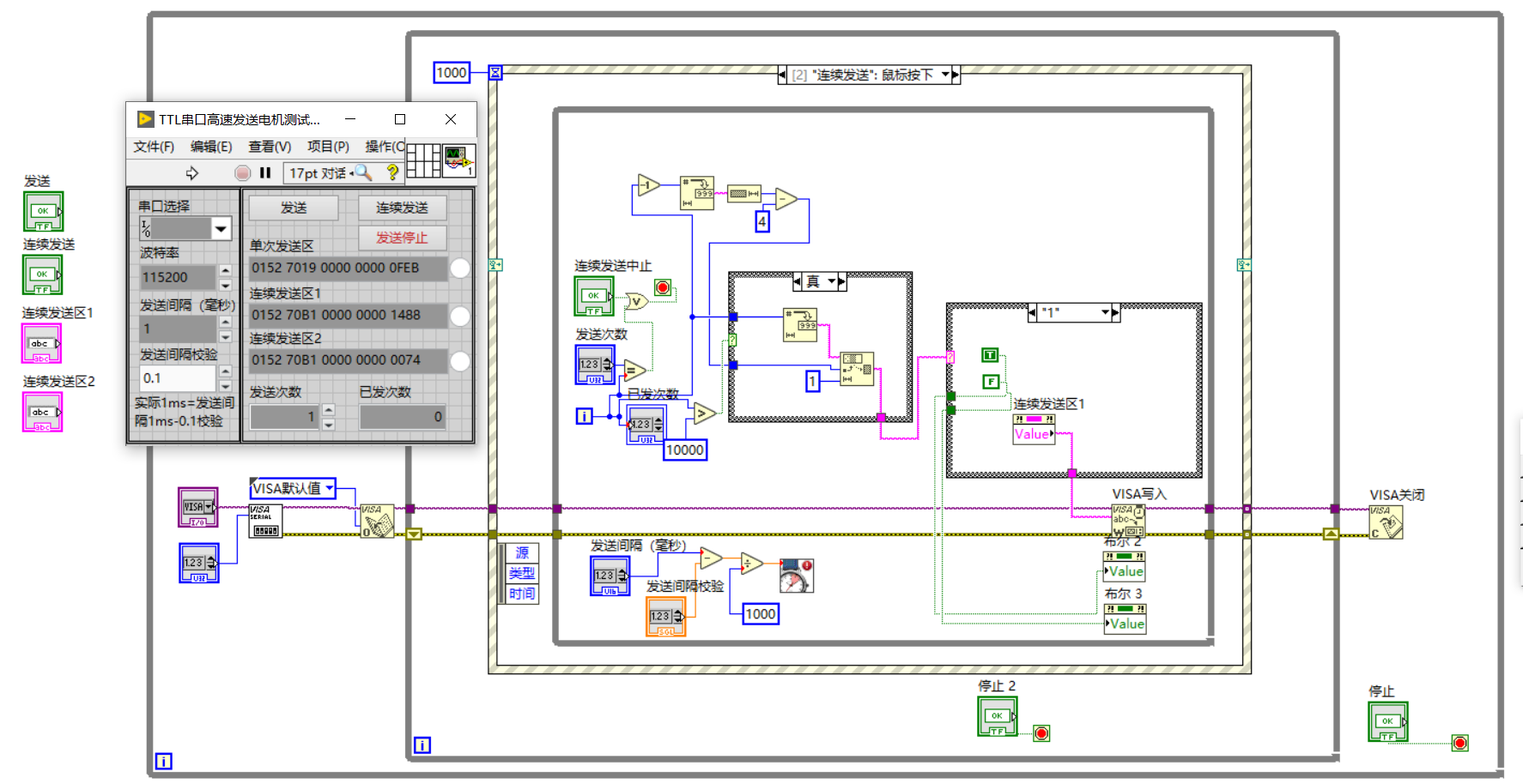
如图,功能拓展版本相比原版额外增加了一个连续发送区,并且在每个发送区右边添加了一个指示灯,只要有发送,指示灯就会点亮,依据此来判断发送数据情况。
两个发送区的功能是,每发送1000帧就切换到另一个连续发送区发送数据。目前两个连续发送区发送的数据代表速度20和速度0。如果设置每1ms发送1帧的话,可以看见电机会运行1秒停止1秒循环。
如果硬件设计中不支持1ms间隔发送数据,那么硬件可能会死机或者发送数据丢失,导致电机运转不正常的结果。

最后
以上就是可靠小刺猬最近收集整理的关于[labview]做一个简单实用可扩展功能的高速串口发送(接收)调试器的全部内容,更多相关[labview]做一个简单实用可扩展功能内容请搜索靠谱客的其他文章。
发表评论 取消回复