simulink可调节的定时器的实现
- 定时器
- 初步实现计时
- 进阶版
- 结论
定时器
由于在网上找到的定时器都是在启动后,只能一直进行计时,不能进行实时的操作,像单片机的定时器一样。因此,把我的学习心得写下来,希望对大家有所帮助
初步实现计时
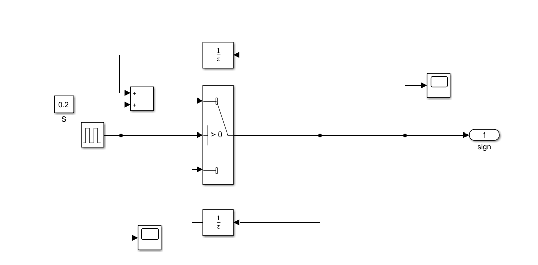
在网上找到一些大神写的定时器如下图1所示:

对于方波发生器周期设置为1ms,占空比为0.5。在应用中可以根据自己的需要进行调节,周期越小,精度越高。仿真结果如下图2所示:

可以通过改变S的大小改变输出信号和真实时间的关系,这里的关系是1:1。由于占空比的问题,计时如图所示有脉冲,将switch的Threshold改为-1(小于零的值均可)。结果如下图3所示:

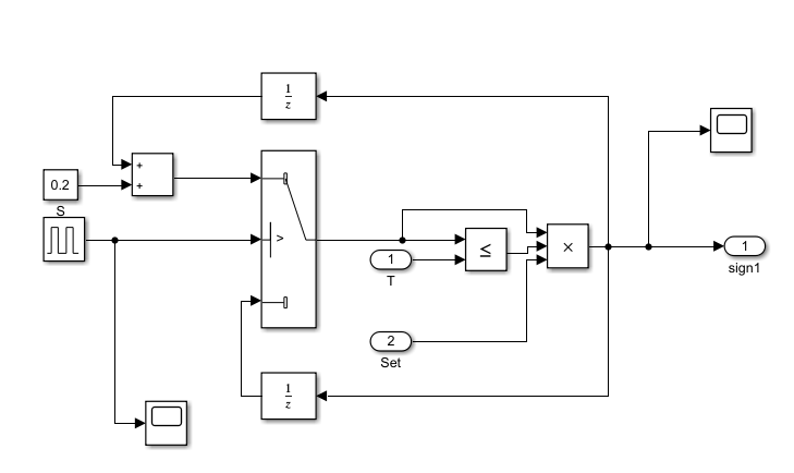
进阶版
如图4所示,该模型可以通过Set对定时器进行启停控制,通过T进行循环计时控制。

将其进行封装成subsystem,如下图5所示,设置Set为1,启动计时,修改T值改变循环计时大小(T值为inf时,一直向上计时),仿真结果如图6,此时是不是已经和单片机中定时器的向上计数一样了。(对于循环计时的时长和T还有方波发生器的周期,S值的关系需要大家自己推一下,这里我就不说了,多仿真几次也能搞明白)


结论
第一次写博客,如果有错误的地方,感谢大家的批评指正。大家有更好地想法也可以多交流,多分享。
最后
以上就是鲤鱼飞鸟最近收集整理的关于simulink中可调节定时器的实现定时器的全部内容,更多相关simulink中可调节定时器内容请搜索靠谱客的其他文章。
本图文内容来源于网友提供,作为学习参考使用,或来自网络收集整理,版权属于原作者所有。
发表评论 取消回复