题目:
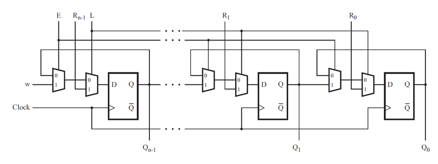
Consider the n-bit shift register circuit shown below:
Write a top-level Verilog module (named top_module) for the shift register, assuming that n = 4. Instantiate four copies of your MUXDFF subcircuit in your top-level module. Assume that you are going to implement the circuit on the DE2 board.
Connect the R inputs to the SW switches,
clk to KEY[0],
E to KEY[1],
L to KEY[2], and
w to KEY[3].
Connect the outputs to the red lights LEDR[3:0].
代码:
module top_module (
input [3:0] SW,
input [3:0] KEY,
output [3:0] LEDR
); // 例化4次
MUXDFF MUXDFF_u0(
.clk(KEY[0]),
.w(KEY[3]),
.R(SW[3]),
.E(KEY[1]),
.L(KEY[2]),
.Q(LEDR[3])
);
MUXDFF MUXDFF_u1(
.clk(KEY[0]),
.w(LEDR[3]),
.R(SW[2]),
.E(KEY
最后
以上就是自觉溪流最近收集整理的关于verilog利用选择器和D触发器搭建移位寄存器的全部内容,更多相关verilog利用选择器和D触发器搭建移位寄存器内容请搜索靠谱客的其他文章。
本图文内容来源于网友提供,作为学习参考使用,或来自网络收集整理,版权属于原作者所有。
Write a top-level Verilog module (named top_module) for the shift register, assuming that n = 4. Instantiate four copies of your MUXDFF subcircuit in your top-level module. Assume that you are going to implement the circuit on the DE2 board.
发表评论 取消回复