一、带宽,信号频率概念解释
带宽: 信号带宽是信号频谱的宽度,信号波是由n个正弦波叠加而成的,那么信号的带宽也就是着n个谐波信号中的最高频率分量与最低频率分量之差。
信号频率: 由信号频谱图可以观察到一个信号所包含的频率成分。把一个信号所包含谐波的最高频率与最低频率之差,即该信号所拥有的频率范围,定义为该信号的带宽,信号的频率变化范围越大,信号的带宽就越宽。
例如:一个由n个正弦波叠加成的方波信号,其最低频率分量是其基频,假定为f=2kHz,其最高频率分量是其7次谐波频率,即7f =7×2=14kHz,因此该信号带宽为7f - f =14-2=12kHz。
信道带宽限定了允许通过该信道的信号下限频率和上限频率,也就是限定了一个频率通带。
例如:一个信道允许的通带为1.5kHz至15kHz,其带宽为13.5kHz,上面这个方波信号的所有频率成分当然能从该信道通过,如果不考虑衰减、时延以及噪声等因素,通过此信道的该信号会毫不失真。
然而,如果一个基频为1kHz的方波,通过该信道肯定失真会很严重;方波信号若基频为2kHz,但最高谐波频率为18kHz,带宽超出了信道带宽,其高次谐波也会被信道滤除,通过该信道接收到的方波没有发送的质量好;
二、截止频率
低通滤波电路
低通滤波器是指车载功放中能够让低频信号通过而不让中、高频信号通过的电路,其作用是滤去音频信号中的中音和高音成分,增强低音成分以驱动扬声器的低音单元。此外高通滤波器常常和低通滤波器成对出现,不论哪一种,都是为了把一定的声音频率送到应该去的单元。
特点:低损耗高抑制;分割点准确;双铜管保护;频蔽好防水功能强。
用途:产品用途广泛,使用于很多通讯系统,如 CATV EOC 等系统。并能有效的除掉通频带以外的信号和多余的频段、频率的干扰。
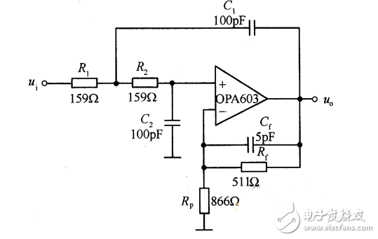
下图所示为10MHz低通滤波器,此低通滤波器利用带宽高达100MHz的高速电流反馈集成运放0PA603组成二阶巴特沃思低通滤波器滩图中R1=R2=159Ω ,C1=C2=100pF,其截止频率为fc=1/2πR1C1=10MHz,其零频增益为G0=1+Rf/R=1.6。
截止频率
当保持输入信号的幅度不变,改变频率使输出信号降至最大值的0.707倍,即用频响特性来表述即为-3dB点处即为截止频率,它是用来说明频率特性指标的一个特殊频率。
截止频率计算方法
利用系统函数的模来表示电路的放大倍数,由于20lgA(ω)=-3dB,解得:A(ω)=10-0.15=0.707945784≈1/√2,又因为A(ω)=|H(jω)|,则|H(jω)|^2=1/2
在高频端和低频端各有一个截止频率,分别称为上截止频率和下截止频率。两个截止频率之间的频率范围称为通频带。
开环截止频率与闭环截止频率
开环截止频率也称为剪切频率,是开环幅频特性中,幅频特性曲线穿越0dB线的频率,记为ωc;闭环截止频率也称为带宽频率,是指当闭环幅频特性下降到频率为零时的分贝值以下3dB时,对应的频率,记作ωb。
开环截止频率与闭环截止频率具有同向性。开环截止频率与闭环截止频率是两个完成不同的物理量,分别用于描述开环系统和闭环系统的幅频特性,但它们之间又存在一定的相关性,即:开闭截止频率与其单位负反馈的闭环截止频率是同向增大的。且具有如下关系:ωb>ωc。
由于闭环截止频率可用来表征闭环系统瞬态响应速度,闭环截止频率ωb越高,其瞬态响应速度越快。既然ωc与ωb具有同向性,则可通过系统的Bode图就可知道系统的瞬态响应速度,即剪切频率ωc越高,瞬态响应速度越快。
低通滤波器带宽和截止频率的关系
带宽B一般用截止频率f=ωH/2π来定义,B=1/f=2π/ωH,也可以理解为B带宽其实就是上下截止频率的差
实际应用中,对于信号的负频率部分,需要经过希尔伯特变换器,剔除负频率部分,这样可以在信号调制后有效节约带宽。
低通滤波器带宽就等于截止频率,高通滤波器一般很少说带宽,只说截止频率。带通滤波器带宽和截止频率才有明显区别
二阶低通滤波器截止频率公式为fc=1/(2pi(R1R2C1*C2)^.5)
假如是下面这个电路,可以实现方波转换成正弦波吗?假如我要把1KHz~100KHz的方波信号转换成正弦波信号,又该怎样改变R、C的大小?
想把1kHz方波转换成正弦波可以用这个电路,只要把截止频率设置在1kHz上即可;想把100kHz方波转成正弦波也可以用它,但是要重调截止频率。要把1~100kHz范围转换,这个电路做不到,因为能通过100kHz正弦波的低通,对1kHz的方波畅通无阻(这个方波内包含的3、5、7、9次。。。等等谐波分量均在100kHz以内)。
改变通带频率只要改变C1、C2,容量增加几倍,频率就下降几倍,反之亦然。当然不改电容,改变R1、R2也行,结果类同。没有工程师自己计算截止频率,都是用查手册的方法解决问题;对于你这个现成电路,还可以用软件仿真测量出频响。
怎样设计电路来实现1~100KHz任意频率的波形转换呢?
1、硬件电路:用函数信号芯片8038,直接出方波、三角波、正弦波三种波形。核心是一个三角波振荡器,其中正弦波是对三角波进行“断点整形”而来(用方波整不出来),而方波是用过上下双门限比较器获得。
2、软件电路:把正弦波函数表存入ROM,反复读取,通过D/A输出。
最后
以上就是爱撒娇爆米花最近收集整理的关于带宽与截止频率的全部内容,更多相关带宽与截止频率内容请搜索靠谱客的其他文章。
发表评论 取消回复