小生初入模拟IC,作此笔记在大佬面前实属班门弄斧,若有不当之处还请指正。
1 MOSFET概述
场效应管与晶体管一样,也具有放大作用,但与普通晶体管是电流控制型器件相反,场效应管是电压控制型器件。它具有输入阻抗高、噪声低的特点。
1. MOSFET的三种组态
(a)共源极放大器,相当于晶体管共发射极放大器,是一种最常用的电路。
(b)共漏极放大器,又称为源极输出器或源极跟随器,输入信号从漏极与栅极之间输入,输出信号从源极与漏极之间输出
(c)共栅极放大器,这种放大器的高频特性比较好,输入信号从栅极与源极之间输入,输出信号从漏极与栅极之间输出
2. 偏置电路
由于MOSFET是电压控制型器件,需要合适的栅源偏置电压(Ugs)。偏置电路的作用是各放大级工作的基本条件,确定各级静态工作点。场效应管偏置电路为了使放大电路正常地工作,能把输入信号不失真地加以放大,必须有一个合适而稳定的静态工作点为放大电路提供直流电流和直流电压的电路.叫做直流(静态)偏置电路,简称偏置电路。
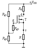
常用的直流偏置电路有两种,分别是自偏置电路和分压式自偏置电路。

(a)自偏置:场效应管的栅极通过电阻Rg接地,源极通过电阻R 接地。这种偏置方式靠漏极电流Id在源极电阻R上产生的电压为栅-源极间提供一个偏置电压VGS,故称为自偏压电路。静态时,源极电位VS=Id*R。由于栅极电流为零,Rg上没有电压降,栅极电位VG=0,所以栅源偏置电压VGS= VG–VS= –Id*R 。
在增强型MOSFET中,Id=K(VGS-VT)2,VGS要大于VT才有电流Id,因此不能使用该电路产生偏置电流。
(b)分压式:静态时,由于栅极电流为零,Rg3上没有电压降,所以栅极电位由Rg2与Rg1对电源VDD分压得到
2 基本场效应管电路
1. 电流镜

电流镜的作用是无论外输入电压遇到波动还是大范围变化,电流镜的输出电流总保持不变。Q1和Q2均工作在饱和区,且具有相等的栅源电压的相同晶体管传输相同电流,即 Iin=Iout。理想电流镜的特征是一样,
可以不一样(必须>
-
),零输入阻抗,高输出阻抗。
(a)线性电流镜:若调整MOS参数,可按比例复制输出电流:(忽略沟道长度调制)
(b)共源共栅电压源:为了抑制沟道长度调制,采用该结构可是底部晶体管免受Vp影响
注意:PMOS和NMOS对噪声的贡献随它们的跨导正比例增加,因此出现噪声和输出摆幅之间的折中关系。
(c)级联电流镜:该结构会提高输出电阻,减小了M2漏极电压的变化,从而减小了输出电流随Vp的变化。但是为保证M3,M2处于饱和区,Vp的工作电压较大,从而使得与该结构相连的放大器输出电压摆幅下降。该结构在单级放大器实现低频大增益的时候是很有用的。
2. 带有源负载的共源放大器(较为常用)

(a)电流镜作负载的共源极电路:在该电路中,电流镜作为有源负载,充分利用非线性,大信号晶体管电流和电压关系,提供偏置电流,实现小信号高阻抗输出,从而在没有大直流电压降的情况下实现更大的电压增益
(b)MOS二极管连接做负载的共源极电路:M2共源极接入,漏极和栅极短接,MOS管相当于二极管具有钳位作用,作为M1的有源负载,最终增益是
(c)电流源做负载的共源极电路:
3. 带有源负载的共漏放大器(源极跟随器)

(a)带电流镜的共漏放大器:在该电路中,Q1按共漏极接入,Q2,Q3为其提供偏置电流;该电路电压增益<1,但可以产生电流增益;当>
时,经常被用来做电压缓冲器
(b)带电流源的共漏放大器:
4. 带电流镜的共栅极放大器
可以提供电压增益,当放大器有一个大的小信号负载电阻时,输入电阻会变得很大
5. 级联增益放大电路
(a)共源共栅级放大电路(伸缩级联):Q2共栅极,Q1共源极接入,前者减小了后者的Vds的变化;输出阻抗较大,单级增益较大;同时限制了通过输入驱动晶体管的电压,减小了短通道效应,即可以处理更高的输出电压;但是缺点是为了保持器件处于有源状态,即要保持Q2源极和漏极间的电压(,同时满足
),输出电压被限制在一个很窄的范围内。两个晶体管共享同一电流,功耗较小
(b)共源共栅级放大电路(折叠级联):可提供更大的输出电压波动,总偏置电流较大,功耗较大
6. MOS差分对电路


(a)理想差分电路中,共模响应应为0,(取决于尾电流源的输出电阻和电路的不对称性),放大差模信号。共模抑制比(CMRR)即为放大器对差模信号的电压放大倍数与对共模信号的电压放大倍数之比。
(b)采用NMOS提供尾电流。
增加,M3导通,处于线性区,漏极电流持续变化;
足够大时,满足
>=
+
-
,M3进入饱和区,两条支路电流分别为
,此时该电路正常工作状态,此时若要保证M1,M2都处于饱和区,每条之路的输入范围为:(可通过提高
或者降低
来提高输入范围)
(c)电流镜差分对级联:差分输入,产生单端输出;-
足够负时,M1,M3,M4关断,M2,M5处于深线性区,传输电流为0;
-
开始增长时,M1开始导通,
的一部分流经M3,M4开启,
增长;
与
相等时,M2,M4处于饱和区,产生一个高增益区;
-
变得正很多时,
增加,
增加,
增加,
减小,最终导致M4进入线性区;
-
足够正时,M2关断,M4电流为0处于深线性区,
=
7. MOS开关
存在导通电阻和关断电阻,若mos管工作在饱和区,越大,
越大,导通电阻越大
8. 逻辑门电路

反相器 与非门(两输入) 或非门(两输入) 传输们
3. 运算放大器电路
1. 一级运放

(a)套筒式共源共栅运放
电压增益较大,为
;输出摆幅相对较小,为
设计时,应要确定输入共模电平,PMOS,NMOS共源共栅管的栅极偏置电压。共源共栅器件产生的噪声可以忽略。
(b)折叠式共源共栅运放
相较于套筒式,电压摆幅大,输入输出可短接(提供差动负反馈),输入共模范围大,共模电平可接近VDD(NMOS)或GND(PMOS),但是增益小2~3倍,功耗较大,极点频率较低,噪声较大。
因此设计时,只需严格确定PMOS,NMOS共源共栅管的栅极偏置电压。虽然该器件产生的噪声比套筒式的更大,但仍然可以忽略。
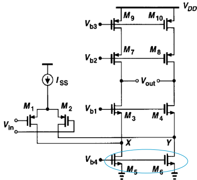
2. 两级运放

两种经典的二级运放图。多级运放的输出阻抗较大,因此驱动能力较强,输出摆幅也较大;且噪声主要由第一级决定,因为第二级以后的噪声在参照主要输入时,要除以前级的增益。
(a)第一个放大电路尾电流源M7,M8是二级放大的负载,两管的长度主要考虑的是运放的增益,是若要运放的增益较大,可适当增加两管的沟道长度,提升本征增益;其次是若较长的长度会减小1/f噪声。两管的宽度考量点有两处,一是晶体管长度,若宽长比过小,会过大,从而使运放输出摆幅变小;二是寄生电容,若宽度过大,会在mos管输出端引入较大的寄生电容,降低次极点的频率,从而降低运放的增益带宽积,同时也会降低相位裕度,不过如果有零极点补偿,可减小寄生电容的影响.
M3,M4作为一级放大的负载的参数设置和M7,M8类似,额外需要考虑的一点是通常M3,M4的栅极接入共模负反馈的输出,若尺寸过大,会带来较大的寄生电容,从而影响共模反馈部分的频率响应(减小相位裕量),降低其稳定性。
M5,M6是二级放大电路,其尺寸会极大的影响整个电路的环路带宽,由于M7,M8的作用,流过M5,M6的电流是恒定值,从而使得放大mos管的尺寸变化较大地影响第二级的放大增益,若尺寸过大会导致密勒补偿使主极点频率降得非常低,增益带宽积就会减小;同时若沟道长度设置太小,低频增益会降低,增益带宽积又会变得特别大,因此该两管尺寸设置需折中考虑。
(b)第二个电路一级放大采用套筒式结构,XY两点上方PMOS电流源采用共源共栅结构,二级采用共源级放大电路
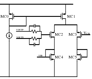
3. 共模反馈(CMFB)

电路的失配使电路产生共模误差,进而影响晶体管的工作状态(脱离饱和区),CMFB可以检测出共模电平,并将其与同一个参考电压Vcm(通常为电源电压的一半)进行比较,将误差送回放大器偏置网络。MC2,MC3是一对输入差分对,一般情况下为了使增益较大,会将其尺寸设大,但是过大会降低CMFB相位裕量。MC4,MC5采用二极管有源负载形式,使整个误差放大器的增益被限定在一个较小值内,提高环路稳定性
4. 稳定性分析
1. 反馈系统中存在潜在不稳定性
单极点系统是稳定的
双极点系统是稳定的,但是相位裕度不大
三极点(及以上)系统是不稳定,需要相位补偿。相位裕度达到60°,可以兼顾稳定性和瞬态反应速度
2. 两级运放的密勒补偿
一般情况下,要使某一个频率点的幅值增加就要在该点补极点,若要减小,则在该频率点补零点。
增加密勒电容,以一个中等电容(1pF左右)建立一个低频极点,形成极点分裂效应
事实上由于密勒补偿的作用,放大电路中的有源负载的尺寸变化并不会对运放的频率响应造成太大的影响。
最后
以上就是彪壮鸵鸟最近收集整理的关于模拟IC设计——MOS计算及常见MOS管电路1 MOSFET概述2 基本场效应管电路3. 运算放大器电路4. 稳定性分析的全部内容,更多相关模拟IC设计——MOS计算及常见MOS管电路1内容请搜索靠谱客的其他文章。
发表评论 取消回复