CMOS Image Sensor的接口硬件设计(DVP/MIPI CSI)
- CMOS Image Sensor的接口硬件设计(DVP/MIPI CSI)
- 1.DVP接口硬件设计
- 2.MIPI CSI接口介绍及波形实测
- 1.MIPI概念
- 2. MIPI操作模式及实测波形
- 3.硬件设计要点
- 本来来源
CMOS Image Sensor的接口硬件设计(DVP/MIPI CSI)
常见的CMOS Image Sensor(CIS)接口有DVP和MIPI,除此之外,还有Sony定义的用于传输高帧率高分辨率图像的slvs-ec接口、sub-lvds接口等,
1.DVP接口硬件设计
DVP(Digital Video Port)是并口传输,数据位宽有8bit、10bit、12bit等,是非差分信号,最高速率要比串行传输的MIPI接口低,高像素的sensor使用DVP就会比较勉强。
DVP接口的主要信号如下所示:
PCLK:pixel clock ,像素时钟,每个时钟对应一个像素数据,一般为几十MHz;
HSYNC:horizonal synchronization,行同步信号,一般为几十KHz;
VSYNC:vertical synchronization,帧同步信号,一般为几十Hz,与帧率FPS相同;
DATA:像素数据;
MCLK:外部晶振或主控输出给sensor的驱动时钟,典型值是24MHz;
SCL,SDA:用来配置sensor寄存器的IIC接口。
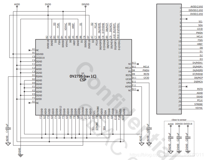
DVP接口的原理图参考接法如图1所示。

图1
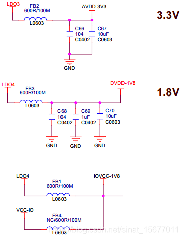
Sensor电源有3个,AVDD(模拟电源)、DOVDD(数字IO电源)、DVDD18(数字内核电源),OV2735的电源如图2所示,并注意上电时序,一般先后顺序依次是AVDD、DOVDD、DVDD18,或者至少三者同步上电,而不能是反过来的顺序,如图3所示。掉电时序则相反,如图4所示。
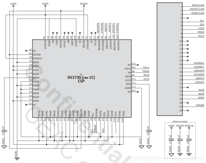
需要注意的是,sensor的电源稳定性非常重要,电源有问题的话,图像就可能出现各种奇奇怪怪的现象。sensor的3路电源最好分开单独供电,比如DOVDD和DVDD都是1.8V,不要混用一路,比如图1中所示的数字内核电流IDD-D典型值为40mA,混用在一起的话,极有可能影响IO口电源的稳定性,从而导致sensor工作异常。一个摄像头项目中使用的sensor电源如图5所示。

图2

图3

图4

图5
在PCB Layout方面需要重点考虑的就是上述的时钟信号和同步信号,PCLK时钟频率较高,注意防止对其他敏感信号的干扰;HSYNC和VSYNC信号尤其重要,需要注意远离高速时钟线,以免受到干扰,最好加GND shielding。如果同步信号受到影响,图像则很有可能会出现条纹或者闪动等各种问题。
2.MIPI CSI接口介绍及波形实测
现在各种项目中,MIPI接口的应用更加广泛。
1.MIPI概念
MIPI是一个行业联盟,其定义了一系列接口标准,常见的是摄像头串行接口CSI(Camera Serial Interface)和显示串行接口DSI(Display Serial Interface)。 MIPI结构分为物理层、协议层和应用层,具体协议比较复杂,有兴趣的可以自行了解,本文就不展开讨论了。
作为硬件工程师,虽然不需要完全了解协议细节,但是大致的原理必须清楚,否则出现问题时连信号波形都看不明白,而与硬件相关的就是物理层,常见的是D-PHY,还有C-PHY和M-PHY。
MIPI的Universal Lane(Bi-directional Lane双向通道)内部结构示意如图6所示,
其由一对高速收发器(HS-TX、HS-RS)、一对低功耗(Low Power)收发器(LP-RX、LP-TX)、低功耗竞争检测器(LP-CD)等组成。Unidirectional Lane(单向通道)则是在Universal Lane的基础上做一些相应地简化。

图6
D-PHY采用1 Lane源同步的差分时钟和1~4 Lane(s)差分数据线来进行数据传输。
数据传输采用DDR方式,即在时钟的上下边沿都进行数据传输。
每个Lane有HS(High-Speed)和LP(Low-Power)两种工作模式,
HS模式采用LVDS低压差分信号进行传输,用以传输高速数据(数据速率为80M~1Gbps),因此功耗较大,单端支持100mV~ 300mV的电压范围(共模电平200mV,摆幅200mV),相应地HS有HS0(P为0,N为1)和HS1(P为1,N为0)两种状态值;
LP模式采用单端信号,数据速率很低(<10Mbps),因此功耗很低,支持0V~1.2V的电压范围,相应地LP有LP00,LP01,LP10和LP11四种状态值。数据传输时总是低位LSB在前,高位MSB最后。
HS和LP模式的信号电平示意如图7所示。MIPI接口的硬件原理图可参考图8所示。

图7

图8
2. MIPI操作模式及实测波形
Clock Lane一般都是使用非连续时钟信号模式,每传输完一帧图像数据,都会从 HS 模式切换回到LP 模式,当需要传输下一帧图像数据时,再从 LP 模式进入 HS 模式,比如OV2735的Clock Lane时序如图9所示。

图9
Data Lane有3种操作模式,分别是High-Speed (Burst) mode,Escape mode和Control mode,前者是HS模式,后两者是LP模式。
正常情况下,Data Lane处于High-Speed mode或者Control mode。Data Lane进入Burst模式的时序如图10所示,从中可知,
从Control模式进入HS模式时的步骤是LP11→LP01→LP00→HS0→SoT(00011101) → HS。

图10
由于项目组现在使用的示波器采样率太低,并且没有差分探头,HS模式的波形很难精确采样,以下各图的波形都是单端采样而来,但是结合协议给出的波形进行对比,图像数据传输的整体过程还是较为清晰的。从上往下各图的时间轴是依次缩小的,通道1黄色波形为P,通道2蓝色波形为N,从中可以明显地区分出帧、行以及数据的间隔。

图11 多个帧间隔

图12 图像帧间隔(33帧左右)及帧数据

图13 多个行间隔

图14 图像行间隔及行数据

图15 HS到HS的LP过渡过程

图16 从LP进入HS的过程LP11→LP01→LP00→HS0→SoT(00011101) → HS

图17 从HS退出到LP的过程
3.硬件设计要点
MIPI接口的电源部分和上一篇文章讲述的DVP没有太大差别,注意电源分开供电及电源稳定性。
由于MIPI接口是典型的高速信号线,因此在Layout时尤其需要注意信号完整性SI的问题。
由于各通道Lane是LVDS差分信号,因此需要控制走线差分阻抗100欧,单端50欧。
Layout时要控制差分对内P和N两线等长等距(等长优先级更高,误差根据经验控制25mil左右),且方向一致,并尽量少折线,少打过孔,在打孔换层时必须保证P/N差分对同时进行,并在差分对周围尽量多打过地孔,以保证信号的回流,如图18中绿框所示所示,在DP0/DN0,DP1/DN1和CLKP/CLKN的旁边都打了一个过地孔。

图18
MIPI走线最好有完整的参考层(电源或地),以保证阻抗连续性。有条件的多层板,MIPI最好在内层走线,并且远离射频等干扰源,以免被影响。
本来来源
1.原文链接:https://mp.weixin.qq.com/s/20nLd0qnwFWmg_yq9okYWA
2.转自---------硬核电子公众号
最后
以上就是羞涩白羊最近收集整理的关于CMOS Image Sensor的接口硬件设计(DVP/MIPI CSI)CMOS Image Sensor的接口硬件设计(DVP/MIPI CSI)1.DVP接口硬件设计2.MIPI CSI接口介绍及波形实测本来来源的全部内容,更多相关CMOS内容请搜索靠谱客的其他文章。
发表评论 取消回复