我是靠谱客的博主 勤劳棒球,这篇文章主要介绍simulink仿真实例详解_详解Simulink的LCL型并网逆变器控制仿真!拓扑说明单相LCL并网拓扑三相LCL并网拓扑单相LCL并网控制三相LCL并网控制控制部分参考电流与实际电流,现在分享给大家,希望可以做个参考。

拓扑说明

新能源发电系统的核心模块是并网逆变器,LCL型并网逆变器因具有优越的高频谐波抑制能力而受到广泛重视(光伏、储能等并网中应用较多)。并网逆变器采用LCL滤波器,具有更优的高频谐波衰减性,滤波效果更佳。本次主要对单相和三相LCL逆变拓扑模型进行讲解。

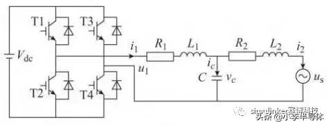
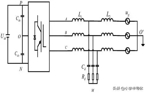
LCL并网逆变器的拓扑结构如下图所示,其中idc为直流侧电流,Udc两端为直流侧母线电压,L1,L2,C,组成三阶LCL滤波器,r1为电感L1等效阻抗,r2为电感L2等效阻抗,Us/Ug为电网电压。

e8e2f07b50be9b901acde17af7840e1d.png

单相LCL并网拓扑

f4c9d1c2a87f0b3b12bde4e7c83bbb28.png

三相LCL并网拓扑

控制说明

最后

以上就是勤劳棒球最近收集整理的关于simulink仿真实例详解_详解Simulink的LCL型并网逆变器控制仿真!拓扑说明单相LCL并网拓扑三相LCL并网拓扑单相LCL并网控制三相LCL并网控制控制部分参考电流与实际电流的全部内容,更多相关simulink仿真实例详解_详解Simulink内容请搜索靠谱客的其他文章。

本图文内容来源于网友提供,作为学习参考使用,或来自网络收集整理,版权属于原作者所有。
点赞(158)

评论列表共有 0 条评论

立即
投稿
返回
顶部