目录
- NRF52833简介
- NRF52833结构框图
- 芯片特性
- 对比NRF52832 及蓝牙52系列选型参考
NRF52833简介
nRF52833是一款通用多协议SoC,具有蓝牙测向功能,可在-40°C至105°C的温度范围内运行。它是行业领先的nRF52系列的第5款产品,NRF52832升级版,围绕64 MHz Arm Cortex-M4 FPU平台搭建,具有512 KB闪存和128 KB RAM,可用于更高价值的应用。更高的105°C运行温度上限,加上对大量内存和动态多协议支持,确保了nRF52833成为各种商业和工业应用的理想设备,包括专业照明和资产跟踪。nRF52833具有1:4 的RAM与闪存比以及+8 dBm输出功率,因而适用于需要强大覆盖范围的先进可穿戴设备或智能家居应用。
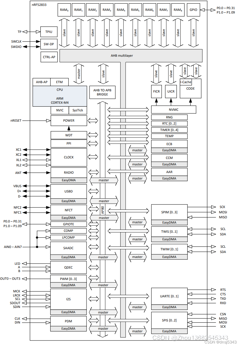
NRF52833结构框图

芯片特性
· 带FPU 的64 MHz Arm Cortex-M4
· 512 KB 闪存+ 128 KB RAM
· 蓝牙5.1无线电
- 测向
- 远距离定位
- 蓝牙mesh
- +8 dBm TX功率
- -95 dBm 灵敏度 (1 Mbps)
- TX(0 dBm) 为4.8 mA
- RX(1 Mbps) 为4.6 mA
- 具有单端输出的集成巴伦
· 支持IEEE 802.15.4协议
- Thread
- Zigbee
· 扩展温度范围:-40 °C 至105 °C
· 1.7V至5.5V电源电压范围
· 集成式DC-DC稳压器
· 全速12 Mbps USB
· NFC-A 标签
· 128位AES / ECB / CCM / AAR加速器
· 12位200 ksps ADC
· 高速32 MHz SPI
· 带有EasyDMA的全系列数字接口
· 封装尺寸
- 具有42个GPIO的7x7 mm aQFNTM73封装(NRF52833-QIAA)
- 具有18个GPIO的5x5 mm QFN40封装(NRF52833-QFAA)
- 具有42个GPIO的3.2 x3.2 mm WLCSP封装(NRF52833-QDAA)
对比NRF52832 及蓝牙52系列选型参考

私我获取更多资料及技术支持~
最后
以上就是还单身墨镜最近收集整理的关于nRF52833及蓝牙5系列NRF52832低功耗蓝牙芯片对比NRF52833简介芯片特性对比NRF52832 及蓝牙52系列选型参考的全部内容,更多相关nRF52833及蓝牙5系列NRF52832低功耗蓝牙芯片对比NRF52833简介芯片特性对比NRF52832内容请搜索靠谱客的其他文章。
发表评论 取消回复