2022-11-12 基于开发板的蓝牙点灯分享(程序已上传到微信公众号:风吹摇铃 奔赴星海)
(公众号有详细的程序讲解和效果视频)
硬件准备:
51单片机开发板或者最小系统、LED灯、杜邦线、蓝牙模块、手机(安装APP)或者PC端串口调试助手、LCD1602显示屏
软件准备:
KEIL4编程,串口驱动、LCD1602驱动等
原理图准备:
1、LCD1602

2、单片机最小系统

3、独立按键部分

4、LED

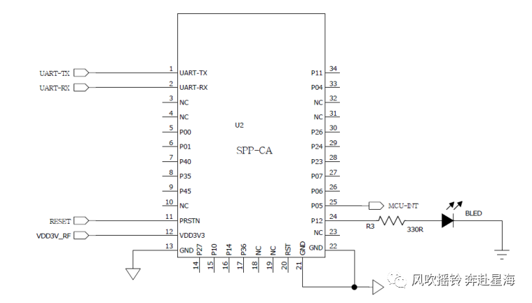
5、蓝牙,该模块主要用于短距离的数据无线传输领域。可以方便的和 PC 机的蓝牙设备相连,也 可以两个模块之间的数据互通。避免繁琐的线缆连接,能直接替代串口线。

6、蓝牙实物:

软件部分:
1、LCD1602驱动部分
void LcdWriteCom(uchar com) //写入命令{LCD1602_E = 0; //使能清零LCD1602_RS = 0; //选择写入命令LCD1602_RW = 0; //选择写入LCD1602_DATAPINS = com; //由于4位的接线是接到P0口的高四位,所以传送高四位不用改Lcd1602_Delay1ms(1);LCD1602_E = 1; //写入时序Lcd1602_Delay1ms(5);LCD1602_E = 0;LCD1602_DATAPINS = com << 4; //发送低四位Lcd1602_Delay1ms(1);LCD1602_E = 1; //写入时序Lcd1602_Delay1ms(5);LCD1602_E = 0;}void LcdWriteData(uchar dat) //写入数据{LCD1602_E = 0; //使能清零LCD1602_RS = 1; //选择写入数据LCD1602_RW = 0; //选择写入LCD1602_DATAPINS = dat; //由于4位的接线是接到P0口的高四位,所以传送高四位不用改Lcd1602_Delay1ms(1);LCD1602_E = 1; //写入时序Lcd1602_Delay1ms(5);LCD1602_E = 0;LCD1602_DATAPINS = dat << 4; //写入低四位Lcd1602_Delay1ms(1);LCD1602_E = 1; //写入时序Lcd1602_Delay1ms(5);LCD1602_E = 0;}
2、显示部分:
void display_data(void)///显示{if(led_flag==1){LcdWriteCom(0x80); //第一行LcdWritestr("LED:ON ");uartSendStr("LED:ON ",7);}else if(led_flag==0){LcdWriteCom(0x80); //第一行LcdWritestr("LED:OFF");uartSendStr("LED:OFF",7);}}
3、独立按键部分:
void key()//按键操作函数{if(k1==0) //判断{Delay1ms(); //消抖处理if(k1==0) //在判断{ //设置led_flag=1;P1=0X00;}while(k1==0);}if(k2==0){Delay1ms();if(k2==0) //加{led_flag=0;P1=0XFF;}while(k2==0);}}
4、串口初始化:
void UART_Init(void){SCON = 0x50; // SCON: 模式 1, 8-bit UART, 使能接收TMOD |= 0x20; // TMOD: timer 1, mode 2, 8-bit 重装TH1 = 0xFD; // TH1: 重装值 9600 波特率 晶振 11.0592MHzTL1 = TH1;TR1 = 1; // TR1: timer 1 打开EA = 1; //打开总中断ES = 1; //打开串口中断}
5、串口中断服务
void UART_SER (void) interrupt 4 //串行中断服务程序{if(RI) //判断是接收中断产生{RI=0; //标志位清零reseve_flag = SBUF;}if(TI) //如果是发送标志位,清零TI=0;switch(reseve_flag){case (0+0x30): led_flag=1;P1=0X00; break;case (1+0x30): led_flag=0;P1=0XFF;break;default: break;}}
实现效果:
到公众号:风吹摇铃 奔赴星海:观看
最后
以上就是眯眯眼烧鹅最近收集整理的关于2022-11-12 基于开发板的蓝牙点灯分享的全部内容,更多相关2022-11-12内容请搜索靠谱客的其他文章。
本图文内容来源于网友提供,作为学习参考使用,或来自网络收集整理,版权属于原作者所有。
发表评论 取消回复