#0 数字电路基础
第一章数字电路基础概念
1.1 analog(模拟) quantity :模拟量 (连续的量)
digital quantity:离散量
1.2 Binary Digits 二进制:
pulse width :脉冲宽度
占空比:脉冲宽度和 周期的比值
1.3 与或非
1.4
number systems operations codes
1.1 Decimal Numbers (十进制)
小数点后面为第n位就是 10的-n次方
1.2 Decimal- to -Binary Conversion (十进制转化为二进制)
十进制位的处理:
连除取余将 最后的余数作为第一位 最前面的余数作为最后一位

小数部位的处理:
连乘R取整,直到最后的积为零,第一位为最前面的数
0.3 转化为 二进制数 为无限循环小数
误差精度要求
小数位最小位的值要小于要求的精度值

2的k次方分之一 要 小于 精度值
1.3 Hexadecimal (十六进制)
1到9位数字 9–16用A – F表示
十六进制转换位2进制:两边为零可以省略 中间为零不能省略

小技巧
十进制转化为二进制时如果数太大 可以先转化为十六进制 再转化为二进制
二进制转化为十六进制
从小数点向两边四位一组,不足四位的要补零
1.4 Octal八进制
例题

·必须先算八进制·
第二章
格雷码(循环码)
相邻性
1100 1111 1110 (相邻代码之间只有一个取值不同)
循环性
首尾相邻
构建循环码
高位互补,低位取反(两位码 最后一位为低位 三位码 两位为低位)

二进制转化为格雷码 格雷码转化为二进制码
从第二位开始相同为0,不同为1

第二章例题

第三节 逻辑门
非门

与门

或门

逻辑代数三个定律
反演规则
变号,变常量,变变量 大括号下如果不是单个变量,大括号就不变
对偶规则: 变量不变,取反符号不变
例题:化简反函数


反函数和对偶规则

逻辑函数及其表达式
交叉互换率原理
每个公式都可以用 或与式 与或式表示


逻辑代数的标准形式
最小项
包含全部变量,每个变量因子最多出现一次
相邻最小项
两个变量只有一个变量的正反不一样
最大项与最小项的关系
和之积与 积之和互补

函数的积之和与和之积的反函数
数字互补
函数的对偶函数的关系
通过表达式写真值表

公式法化简

例题二:

例题:

例题三:

找相同的因子或者相反的因子
第三章 组合逻辑电路
与非逻辑电路

或非逻辑电路

非或的应用:与非可以看成非或

非与的应用:或非可以看成非与

第四章
基础加法
半加器(异或)

全加器

比较器

编码器

优先编码器(选择角标越大的优先级越高)
当两个输入同时为1时容易出错



译码器


三线八线译码器

例题:分析译码器

通过表达式画译码器



码制译码器

码制译码器转化

BCD二极管
共阴链接
共阳链接



例题

数据分配器(译码器实现)
译码器 D输入为1 那么输出中没被选择的都是1

分时赋用

数据选择器(MUX)
四选一数据选择器


八选一数字选择器


三十二选一数据选择器

译码器制作的三十二为选一

分析一个数选器

设计数选器
用数选器 实现 表达式
方法:

当N=M

当 N>M

当N<M

降为

第七章
锁存器(latch)

当SR都为0时 从 00 到11的变化不可测
状态方程


状态转换图

已知元波形写波形结果
00到11不可测

中控RS触发器,可以让触发器不随着RS变化
高电平有效
对输入有约束

中控CP触发器

已知输入画中控触发器波形图
11输出1
11到00 没有输出

中控D门触发器
对输入没有约束 D可以为0也可以为1

激励表

画电路图

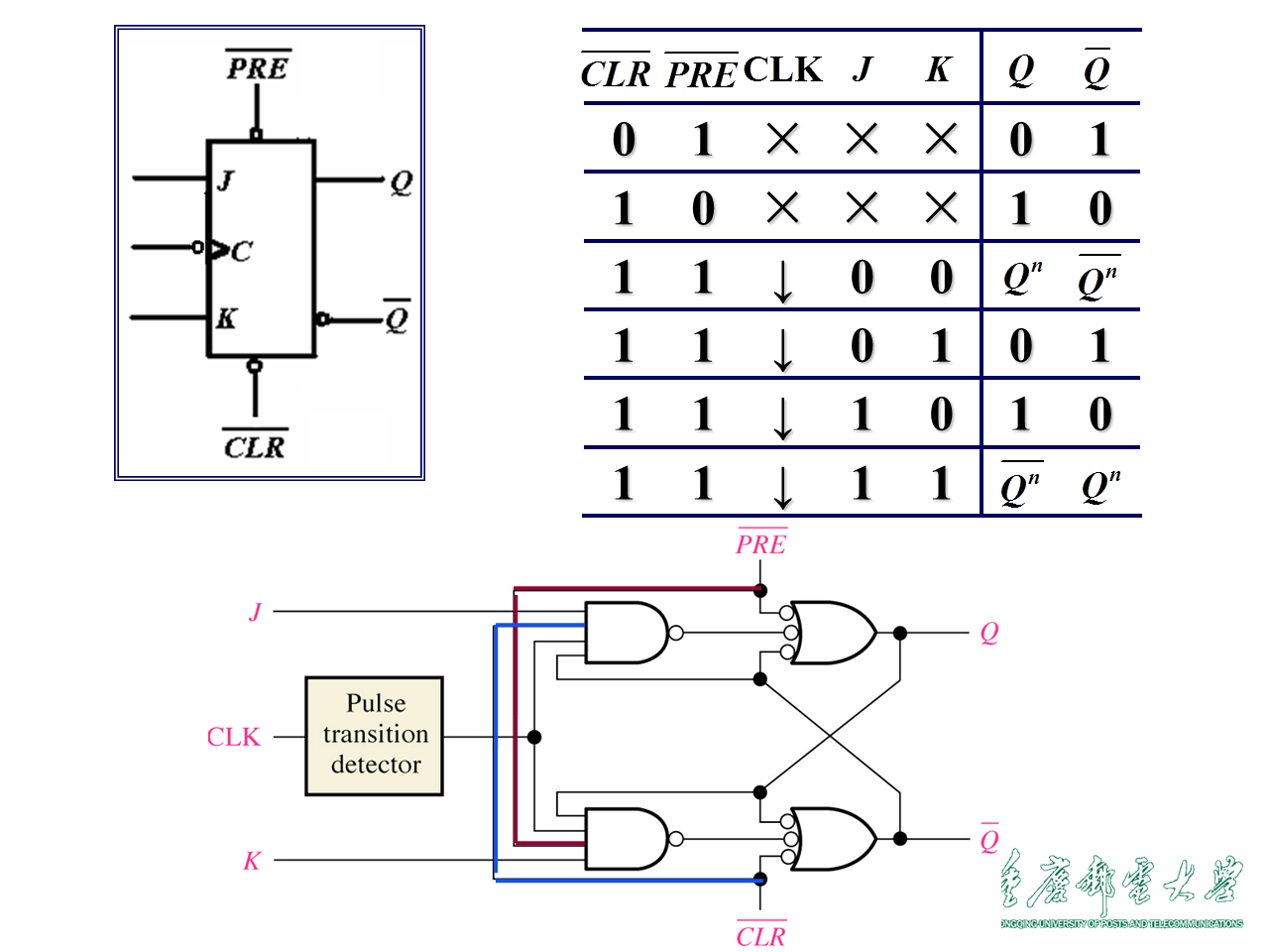
JK触发器


T触发器(特殊的JK触发器)


二分频触发器


点位触发方式


边缘触发(有效避免空翻现象,上升沿或下降沿触发)
C前面有圈表示下降沿触发

RS上升沿触发

rs下降沿触发

上升沿华波形

jk触发器和RS触发器不同在于jk触发器在JK等于时可以翻转
pre和clear 异步工作触发器
异步工作的优先级》触发时刻》JK

通过下降沿PRE CLEAR 画图

第八章
时序逻辑电路的类型
时序逻辑电路电路分析

-
时钟方程,激励方程(每个触发器的方程),输出方程
-

-
状态方程
-

-
状态装仪表
-

必须列出所有状态
noneffective state(偏离状态)可以回到effective state(有效状态)称为自启动的电路 -
状态转移图,时序图
-

-
得出结论
自启动,六分频,馍六

计数器

例题:计数器步骤跟时序逻辑电路的步骤一样


IC Counters 集成同步计数器
三种计数器的记忆方法

例题:
例1:
解题方法:分析电路,当LD反为1时起计数作用,当其为0 时 同步置位

例二:





同步计数器的级联
异步级联
例题:
注意异步清零时,存在暂态,


异步级联例题:

异步计数器
异步计数器的所有临界值都是暂态
例题

解题思路:
1.判断是8421BCD还是5421BCD(连的cp1还是cp2)
2.判断影响R01,R02,S91,S92的条件
3.列出一个循环的数列
异步计数器的级联

必须让 两个8421BCD相机连或者两个5421BCD相级联
两个8421BCD级联

5421BCD相级联

JK触发器设置计数器

步骤:1.画出增值表
2.!!!画出卡诺图(写出各个JK触发器Qn,Qn+1的关系,在局部范围圈最简)

5.最后画图
6.检验自启动特性
D触发器设计计数器
Qn+1 = D
圈全部的


转换为自启动特性

第九章 移位计数器

并入并出寄存器

串入串出型



最后
以上就是落寞硬币最近收集整理的关于数字电路基础第二章第七章第八章的全部内容,更多相关数字电路基础第二章第七章第八章内容请搜索靠谱客的其他文章。
发表评论 取消回复