TB6612FNG驱动直流电机仿真
1、TB6612FNG介绍
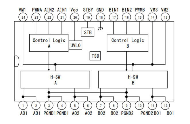
TB6612FNG一款出色的双电机驱动器,非常适合将两个小型直流电机(例如我们的微型金属齿轮电机)连接到微控制器,也可用于控制单个双极步进电机。 基于 MOSFET 的 H 桥比 L298N 和 Sanyo 的 LB1836M 等旧驱动器中使用的基于 BJT 的 H 桥效率高得多,后者允许向电机提供更多电流,而从逻辑电源汲取的电流更少 (对于真正的低电压应用,LB1836 仍然具有 TB6612 的优势)。 我们的小型分线板可让您直接访问 TB6612FNG 的所有功能,并在电机电源上添加电源电容器和电池反向保护(注意:Vcc 连接上没有反向保护)。
在典型应用中,电源连接在电路板的一侧进行,控制连接在另一侧进行。 所有控制输入都在内部被拉低。 两个电机通道中的每一个都有两个方向控制引脚和一个速度控制引脚,该引脚接受频率高达 100 kHz 的 PWM 输入。 必须将 STBY 引脚驱动为高电平才能使驱动器退出待机模式。

TB6612有如下特性:
- 双H桥电机驱动器:可驱动两台直流电机或一台双极步进电机
- 推荐的电机电压 (VMOT):
最后
以上就是务实灯泡最近收集整理的关于Arduino与Proteus仿真实例-TB6612FNG驱动直流电机仿真TB6612FNG驱动直流电机仿真的全部内容,更多相关Arduino与Proteus仿真实例-TB6612FNG驱动直流电机仿真TB6612FNG驱动直流电机仿真内容请搜索靠谱客的其他文章。
本图文内容来源于网友提供,作为学习参考使用,或来自网络收集整理,版权属于原作者所有。
发表评论 取消回复