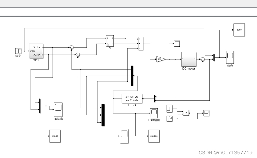
二阶系统的线性自抗扰(LADRC)simulink模型,以及非线性自抗扰(NLADRC)simulink模型,模型加入了扰动(阶跃,正弦),可分析扰动条件下PID与ADRC的对比
俩个模型中复杂模块采用的代码编写,且LADRC进行了改进,加入了TD模块。







ID:6933
658749667499
最后
以上就是彪壮花瓣最近收集整理的关于二阶系统的线性自抗扰(LADRC)simulink模型,以及非线性自抗扰(NLADRC)simulink模型的全部内容,更多相关二阶系统内容请搜索靠谱客的其他文章。
本图文内容来源于网友提供,作为学习参考使用,或来自网络收集整理,版权属于原作者所有。
发表评论 取消回复