SIM7600CE GNSS应用指南:
SIM7600CE GNSS技术规范
Tracking sensitivity: dBm(GPS)/ -159 - 158 dBm(GLONASS)/ - 159 dBm(BD) Cold-start sensitivity: -148 dBm
Accuracy (Open Sky): 2.5 (CEP50)
TTFF (Open Sky) : Hot 开始 <1s, Cold start<35s
Receiver Type: 16-channel, C/A Code
GPS L1 ±1.023MHz Frequency: 1575.42
GLONASS: 1597.5 ~1605.8 MHz
BD: 1559.05 ~1563.14 MHz
Update rate: Default 1 Hz
GNSS 数据 format: NMEA - 0183
GNSS Current 消费 : 100 mA (GSM/UMTS/LTE Sleep ,in 总 在 VBAT pins)
GNSS antenna: Passive/Active 天线
注:如果天线是有源天线,功率应由主板给出,因为没有GPS天线垫上的电源。如果天线是无源的,则建议外接应该使用LNA。
GNSS应用指南
可采用有源天线或无源天线到模块。如果使用无源天线,则会产生为了获得更好的性能,必须采用外部LNA。
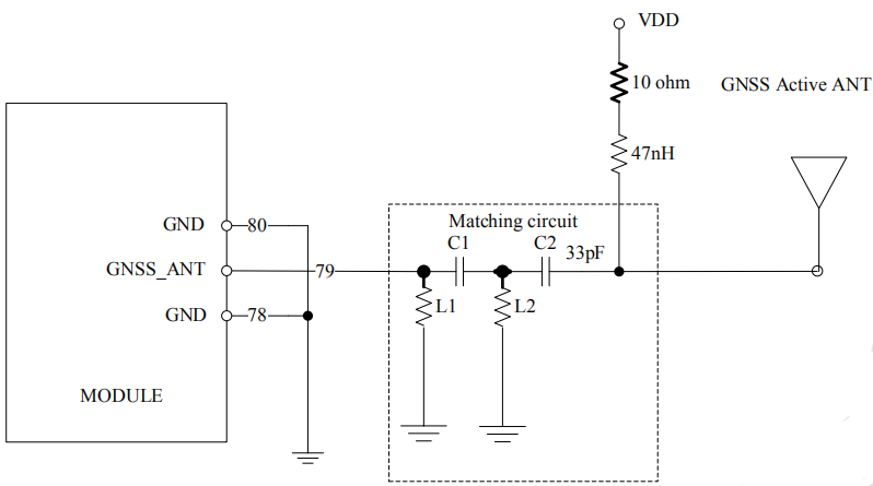
下图为有源天线电路参考图。

下图为无源天线电路(默认)

在上图中,使用C1、L1和L2分量进行天线匹配。通常情况下,值的组件只能实现后,天线调谐,通常由天线提供供应商。C2用于直流闭锁。L3是外部LNA的匹配组件L3的值由LNA特性和PCB布局决定。两个有源天线的VDD,而V_LNA需要外接电源,根据有源天线需要考虑外接电源和放大器的特点。建议通过关闭LDO/DCDC来降低电流消耗。当GNSS不工作时,关闭有源天线和LNA。
GNSS可以通过NMEA端口进行测试。NMEA句子可以通过UART或USB获取自动。NMEA句子包括GSV、GGA、RMC、GSA、VTG。在使用GNSS之前,用户应通过AT命令将模块配置到正确的操作模式。请参阅相关的文档的细节。模块还可以通过AT直接获取位置位置信息。
注意:GNSS默认是关闭的,可以通过AT+CGPS启动。AT命令有两个
参数,第一个是on/off,第二个是GNSS模式。默认模式是独立式。
AGPS模式需要移动通信网络的支持。
最后
以上就是悲凉发带最近收集整理的关于SIM7600CE GNSS应用指南的全部内容,更多相关SIM7600CE内容请搜索靠谱客的其他文章。
发表评论 取消回复