




%步骤一:乘以exp
zoom_fft_xx = (x_real_zoom+j*x_imag_zoom).*exp(-j*2
然后通过数字低通滤波器:
% 步骤二:数字低通+重采样
zoom_fft_xx = zoom_fft_xx.*w;
zoom_fft_xx = zoom_fft_xx-sum(zoom_fft_xx)/N;
然后进行FFT输出
% 步骤三:FFT变化
zoom_fft_xx = fft(zoom_fft_xx);
最后进行频率的调整
% 步骤四:频率调整
zoomfft_x = zoomfft_x+(abs(zoom_fft_xx(1:N/2))/N*2).^2;
zoomfft_x = sqrt(zoomfft_x);
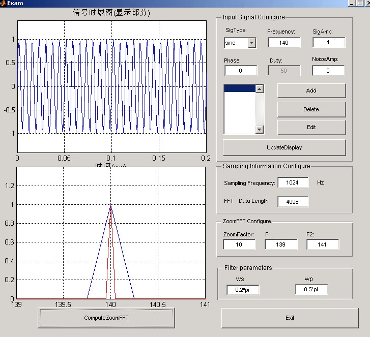
三、软件操作说明
|
| 选择波形类型: 这里可供选择的有 sin, cos, square, 以及sin + cos混合波形 |
|
| 设置波形的频率,幅度,相位
注意频率的设置必须是在
之间,否则无法显示zoomfft |
|
| 设置噪声的周期和幅度。
注意噪声的幅度不要太大,一般设置4以内,否则效果会收到噪声的干扰 |
|
| 设置zoomfft的采用频率和FFT长度 |
|
| 设置zoom倍数,在10倍以内,否则软件报错, 然后F1和F2的设置在信号频率附近,跨度不要太大,跨度为2即可,否则效果显示不明显。 |
最后
以上就是悲凉樱桃最近收集整理的关于zoomfft的全部内容,更多相关zoomfft内容请搜索靠谱客的其他文章。
本图文内容来源于网友提供,作为学习参考使用,或来自网络收集整理,版权属于原作者所有。




发表评论 取消回复