
考点:字位扩展;地址译码器的逻辑表达式;存储器与CPU连接图
解:(1)因为采用了字扩展,片数
=
4
/
1
=
4
=4/1=4
=4/1=4 片
(2)地址位
=
l
o
g
2
4
M
=
22
=log_2^4M=22
=log24M=22
(3)

(4)因此,地址译码器表达式为
A
21
′
A
20
′
Y
0
′
+
A
21
′
A
20
Y
1
′
+
A
21
A
20
′
Y
′
2
+
A
21
A
20
Y
3
′
A '_{21} A'_{20} Y'_0+A'_{21} A_{20} Y'_1+A_{21} A'_{20} Y' 2+A_{21} A_{20} Y'_3
A21′A20′Y0′+A21′A20Y1′+A21A20′Y′2+A21A20Y3′(设
A
21
A_{21}
A21 为最高位)

考点:字位扩展;存储器与CPU连接图
解:(1)需要字位扩展,其中
2048
K
256
K
=
8
frac{2048K}{256K}=8
256K2048K=8个作字扩展,
32
8
=
4
frac{32}{8}=4
832=4个作位扩展
(2)共需要
8
×
4
=
32
8×4=32
8×4=32个 RAM 芯片
(3)地址位
=
l
o
g
2
2048
K
=
21
=log_2^{2048K}=21
=log22048K=21位
(4)


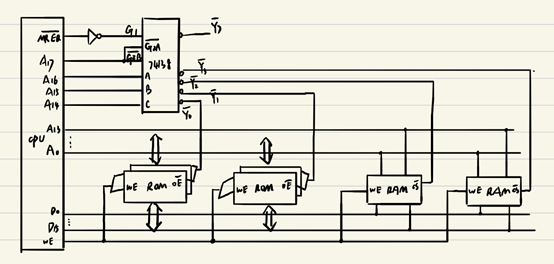
考点:字位扩展;存储器与CPU连接图;地址范围
解:由题意可知,CPU与主存储器的连接图为:

ROM地址范围为:0000H-7FFFH(0~32K)
RAM地址范围为:8000H-FFFFH(32K~64K)
课本P111 1、2、3、4(1)(2)、5、6、7、8、9、11、13、14、15、19、20、21、22、24

考点:字位扩展
解:(1)32位字长为4字节,因此可存储字节数
=
2
20
×
4
=
2
22
=
4
M
=2^{20}×4=2^{22}=4M
=220×4=222=4M
(2)存储器容量为
1
M
×
32
1M×32
1M×32位,则需要进行字位扩展。字扩展需
1
M
512
K
=
2
frac{1M}{512K}=2
512K1M=2 片,位扩展需
32
8
=
4
frac{32}{8}=4
832=4 片。总共需要
2
×
4
=
8
2×4=8
2×4=8 片
(3)字扩展需要 2 片,因此只需 1 位地址进行芯片选择

考点:字位扩展
解:(1)需要进行字扩展,需要内存条数
=
2
26
16
M
=
4
=frac{2^{26}}{16M}=4
=16M226=4
(2)需要进行字位扩展。字扩展需要
16
M
4
M
=
4
frac{16M}{4M}=4
4M16M=4 片,位扩展需要
64
8
=
8
frac{64}{8}=8
864=8 片。共需要
4
×
8
=
32
4×8=32
4×8=32 片
(3)共需
32
×
4
=
128
32×4=128
32×4=128 片 DRAM 芯片。内存条容量为
16
M
×
64
16M×64
16M×64位,需要 24 根地址线(A23-A0)完成内存条内存储单元寻址。一共有4个内存条,使用2根高位地址线(A25-A24),通过译码器译码产生片选信号对各模块进行选择

考点:字位扩展;存储器刷新
解:(1)需要进行字位扩展。字扩展需要
64
K
16
K
=
4
frac{64K}{16K}=4
16K64K=4 片,位扩展需要
32
8
=
4
frac{32}{8}=4
832=4 片。共需要
4
×
4
=
16
4×4=16
4×4=16 片

(2)矩阵存储元规模为
128
×
128
×
16
128×128×16
128×128×16 位,存储行数
=
128
=128
=128行,刷新周期 2ms,则 1 个刷新周期含
2
m
s
0.5
μ
s
=
4000
frac{2ms}{0.5μs}=4000
0.5μs2ms=4000个读写周期。

若采用集中式刷新,128 个读写周期用来刷新,死时间
=
128
×
0.5
μ
s
=
64
μ
s
=128×0.5μs=64μs
=128×0.5μs=64μs,死时间过长不可取;

若采用分布式(分散)刷新,每行刷新插入到读写周期中,则读写周期变为
2
×
0.5
μ
s
=
1
μ
s
2×0.5μs=1μs
2×0.5μs=1μs,但每 1μs 只能访存一次,无法使用;

因此采用异步刷新,刷新间隔
=
2
m
s
128
=
15.6
μ
s
=frac{2ms}{128}=15.6μs
=1282ms=15.6μs,取刷新周期为 15μs,则刷新一遍所用时间
=
15
μ
s
×
128
=
1.92
m
s
=15μs×128=1.92ms
=15μs×128=1.92ms

解:(1)需要进行字位扩展。字扩展需
1024
K
128
K
=
8
frac{1024K}{128K}=8
128K1024K=8 片,位扩展需
32
8
=
4
frac{32}{8}=4
832=4 片,共需
8
×
4
=
32
8×4=32
8×4=32 片
(2)


解:(1)数据寄存器 16 位
(2)地址寄存器位数
=
l
o
g
2
128
k
=
17
=log_2^{128k}=17
=log2128k=17
(3)需要进行字位扩展。字扩展需
128
K
32
K
=
4
frac{128K}{32K}=4
32K128K=4 片,位扩展需
16
8
=
2
frac{16}{8}=2
816=2 片,共需
4
×
2
=
8
4×2=8
4×2=8 片E²PROM
(4)


考点:地址分配;字位扩展
解:(1)ROM为
16
k
×
16
16k×16
16k×16 位。RAM区域需要进行字位扩展,字扩展需
40
k
/
8
k
=
5
40k/8k=5
40k/8k=5 片,位扩展需
16
/
8
=
2
16/8=2
16/8=2 片,共需
5
×
2
=
10
5×2=10
5×2=10 片RAM。两片 RAM 组成一个 RAM 区域。

(2)根据地址得到连接图:


考点:顺序与交叉存储器
解:存储器连续读出
m
=
8
m=8
m=8个字的信息总量
q
=
64
×
8
=
512
b
q=64×8=512b
q=64×8=512b,顺序和交叉存储器连续读出8个字所需时间分别为:
t
1
=
m
T
=
8
×
100
n
s
=
800
n
s
=
8
×
1
0
−
7
s
t_1=mT=8×100ns=800ns=8×10^{-7} s
t1=mT=8×100ns=800ns=8×10−7s
t
2
=
T
+
(
m
−
1
)
τ
=
100
+
(
8
−
1
)
×
50
=
450
n
s
=
4.5
×
1
0
−
7
s
t_2=T+(m-1)τ=100+(8-1)×50=450ns=4.5×10^{-7} s
t2=T+(m−1)τ=100+(8−1)×50=450ns=4.5×10−7s
顺序和交叉存储器的带宽分别为:
W
1
=
q
t
1
=
512
b
8
×
1
0
−
7
s
=
640
M
b
p
s
W_1=frac{q}{t_1}=frac{512b}{8×10^{-7}s}=640Mbps
W1=t1q=8×10−7s512b=640Mbps
W
2
=
q
t
2
=
512
b
4.5
×
1
0
−
7
s
=
1138
M
b
p
s
W_2=frac{q}{t_2}=frac{512b}{4.5×10^{-7} s}=1138Mbps
W2=t2q=4.5×10−7s512b=1138Mbps

考点:cache 命中率
解:cache命中率 h = N c N c + N m = 2420 2420 + 80 = 0.968 h=frac{N_c}{N_c+N_m}=frac{2420}{2420+80}=0.968 h=Nc+NmNc=2420+802420=0.968,
主存慢于cache的倍率 r = t m t c = 240 40 = 6 r=frac{t_m}{t_c}=frac{240}{40}=6 r=tctm=40240=6,
访问效率 e = 1 r + ( 1 − r ) h = 1 6 + ( 1 − 6 ) × 0.968 = 86.2 % e=frac{1}{r+(1-r)h}=frac{1}{6+(1-6)×0.968}=86.2% e=r+(1−r)h1=6+(1−6)×0.9681=86.2%,
平均访问时间
t
a
=
t
c
e
=
40
86.2
%
=
46.4
n
s
t_a=frac{t_c}{e}=frac{40}{86.2%}=46.4ns
ta=etc=86.2%40=46.4ns

考点:交叉存储器
解:全过程分为取指和执行。设取指周期为
T
T
T,总线传送周期为
τ
τ
τ,指令执行时间为
t
0
t_0
t0
(1)
t
=
(
T
+
(
6
−
1
)
τ
+
6
t
0
)
×
80
=
80
T
+
400
τ
+
480
t
0
t=(T+(6-1)τ+6t_0 )×80=80T+400τ+480t_0
t=(T+(6−1)τ+6t0)×80=80T+400τ+480t0
(2)
t
=
(
T
+
(
8
−
1
)
τ
+
8
t
0
)
×
60
=
60
T
+
420
τ
+
480
t
0
t=(T+(8-1)τ+8t_0 )×60=60T+420τ+480t_0
t=(T+(8−1)τ+8t0)×60=60T+420τ+480t0
因此不相等。

考点:cache 内存地址格式;cache 地址映射
解:字块中含有 128 字,字号位数
b
=
l
o
g
2
128
=
7
b=log_2^{128}=7
b=log2128=7。cache 中含有 64 行,每组 4 行,有 16 组,所以组地址位数
q
=
4
q=4
q=4。主存容量为 4K 个块,总容量
=
4
K
×
128
=
512
K
=4K×128=512K
=4K×128=512K 字,总位数为 19,主存字块标记位数
t
=
19
−
7
−
4
=
8
t=19-7-4=8
t=19−7−4=8.
因此内存地址格式为:
| 标记 8 位 | 组号 4 位 | 字号 7 位 |
|---|

考点:cache 内存地址格式;cache 地址映射
解:首先计算地址各部分的位数。块大小16B,因此块内地址位数 b = 4 b=4 b=4。cache容量为 64KB,字块数 = 64 K B 16 B = 4 K =frac{64KB}{16B}=4K =16B64KB=4K,则 cache 行号位数 c = 12 c=12 c=12。主存容量为1MB,总位数为 20,主存块群标记 tag 位数 t = 20 − 4 − 12 = 4 t=20-4-12=4 t=20−4−12=4。则地址格式为:
| tag 4 位 | 行号 12 位 | 字号 4 位 |
|---|
一个块群共有
2
4
=
16
2^4=16
24=16 块,则块号为 0 和 16 的地址映射到第 0 行,则内存地址可表示为:0000 000000000000 0000和0000 000000010000 0000

考点:cache 内存地址格式;cache 地址映射
解:cache 块内地址位数按照字节计算。每块 16B,则块内地址为 4 位。cache 容量为 64K 字,cache 行数 = 64 K 4 = 16 K =frac{64K}{4}=16K =464K=16K,因此 cache 行号位数 c = 14 c=14 c=14。内存总容量为 64MB,总位数为 26,主存字块标记位数 t = 26 − 4 − 14 = 8 t=26-4-14=8 t=26−4−14=8。则主存地址格式为:
| 标记 8 位 | 行号 14 位 | 字号 4 位 |
|---|

考点:页式替换策略
解:页面访问过程如下:
| 访问序号 | 说明 | 1号 | 2号 | 3号 | 4号 |
|---|---|---|---|---|---|
| 1 | 1进入 | 0 | 1 | 1 | 1 |
| 8 | 8进入 | 1 | 0 | 2 | 2 |
| 1 | 命中 | 0 | 1 | 3 | 3 |
| 7 | 7进入 | 1 | 2 | 0 | 4 |
| …… | …… | …… | …… | …… | …… |
| 7 | 命中 | 2 | 0 | 1 | 7 |
未命中的进入和替换都为页面失效,则页面失效的次数为6

考点:虚拟存储
解:虚存使用虚地址,位数为 30,主存使用物理地址,位数为 22。页面大小为 4KB,则页表长度
=
1
G
B
4
K
B
=
2
18
=
256
K
=frac{1GB}{4KB}=2^{18}=256K
=4KB1GB=218=256K

考点:TLB 表;内存访问时间
解:(1)若页表放在主存中,则访问一次主存需要两次访问主存,一次为访问页表,确定页面物理地址,第二次为根据地址存取页面数据,因此一次访问主存需要时间
=
50
n
s
×
2
=
100
n
s
=50ns×2=100ns
=50ns×2=100ns
(2)查找 TLB 时只需 1 次访存,因此内存有效访问时间
=
75
%
×
50
n
s
+
(
1
−
75
%
)
×
2
×
50
n
s
=
62.5
n
s
=75%×50ns+(1-75%)×2×50ns=62.5ns
=75%×50ns+(1−75%)×2×50ns=62.5ns

考点:cache 存储器
解:访问一个字的平均时间
=
90
%
×
15
n
s
+
(
1
−
90
%
)
×
60
%
×
60
n
s
+
(
1
−
90
%
)
×
(
1
−
60
%
)
×
(
10
m
s
+
60
n
s
)
=
4.000195
×
1
0
5
n
s
=90%×15ns+(1-90%)×60%×60ns+(1-90%)×(1-60%)×(10ms+60ns)=4.000195×10^5ns
=90%×15ns+(1−90%)×60%×60ns+(1−90%)×(1−60%)×(10ms+60ns)=4.000195×105ns

考点:页式存储管理;虚实地址映射
解:页长为 1KB,则页内地址为 10 位,主存物理页面数 = 16 K B 1 K B = 16 =frac{16KB}{1KB}=16 =1KB16KB=16页,共 4 位页面号。地址码 = 10 + 4 = 14 =10+4=14 =10+4=14位;用户虚地址空间为 32 页,有 5 位页面号,共 10 + 5 = 15 10+5=15 10+5=15位地址码。
0AC5=00010 1011000101,页面号为2,被调入主存页面4,因此物理地址中页面号为 4,页内地址与虚地址相同,因此此物理地址为00100 1011000101。
1AC5=00110 1011000101,页面号为6,未调入主存页中,无物理地址,会发生缺页中断。
最后
以上就是俊逸蜻蜓最近收集整理的关于计算机组成原理(白中英) 第三章 课后题答案的全部内容,更多相关计算机组成原理(白中英)内容请搜索靠谱客的其他文章。
发表评论 取消回复