Simulink电机故障仿真----三相电机短路故障
小树不修不直溜,人不学习哏揪揪!各位亲人们大家好,本小学生又活着回来了。最近节日比较密集,过完了女神节后,基本上就没什么伤身又伤心的节日了。又可以安心、踏实继续学习生活了。前些时,已经对三相异步电机的启停控制电路进行了仿真试验,积累了一些经验和基础,思考之后,本小学生又有了一个比较常规的思路,那就是为何不仿真一下出现故障时电机的运行效果,通过资料的查找与试验,本小学生决定从最基础、最简单的故障着手,即三相电机短路故障,来探究此种情况下,电机运行的影响,并尝试运用频谱分析的方法,分析此时频域下的变化(FFT快速傅立叶变换),特总结此文,以留纪念,望大神指点!
三相电机短路故障
电路中的短路故障,通常是指不同相的导线间或相对地,发生金属性的连接或经较小阻抗的连接。而电动机短路,通常发生在接线端子或绕组内部接线端子短路, 是由于接线端松脱造成的单相偶然与壳体连接或两相间偶然短路。其中而绕组内部短路,又分为相间短路和匝间短路两种.。相间短路:包括绕组端部层间短路、槽内上下层线圈之间短路及绕组连接线或引出线绝缘损坏造成的相间短路。匝间短路包括一个线圈之间短路,一个极相组中的线圈之间短路及各极相组线圈间的短路,造成绕组短路的内部原因是电动机绝缘有缺陷及导线本身绝缘不良或嵌线时,绝缘受损电动机出现短路后,短路电流通常大于8倍的额定电流以上。短路 电流使绕组迅速产生高热,以致绝缘变色、焦脆、直至烧毁。发生短路的后果是非常严重滴,因此短路故障出现时,必须迅速断电,切断回路。
三相电机短路故障基本模型
三相电机短路故障的仿真模型,是以三相电机全压式启动的仿真程序为基础,稍作改进与参数调整而得到的,需要添加部分模块如图1所示。

图1 仿真程序
(1)选择SimPowerSystems 模块库的Machines子模块库下AsynchronousMachine SI Units模块作为交流异步电动机,参数设置如图2所示。

图2 电机模块参数设置
(2)选择SimPowerSystems 模块库的Electrical Sources子 模块F的Three-PhaseProgramable Vo1 tage Source模块作为三相交流电源,参数如图3所示。

图3 电源参数设置
(3)选择SimPowerSystems 模块库的Three-Phase Library子模块库下的Three-PhaseSeries RLC Load模块作为电路的串联RLC负载,参数设置如图4所示,即纯阻抗元件设定。

图4 串联负载参数设置
(4)选择SimPowerSystems 模块库的E1 emlents子模块库下的Three-Phase Breaker模块作为三相断路器、Ground模块作为接地,参数设置如图5所示。

图5 断路器参数设置
(5)选择SimPowerSystems 模块库的Measureemeents子模块库下的VoltageMeasurement模块作为电压测量,这个模块应该是可以调整测量参数的,但不知为何,本小学生的调参数选项是灰色,表明不可用如图6所示,希望了解原因的小伙伴或大神能在评论处指教。

图6 电压测量模块
(6)选择Sources模块库下的Constant模块作为负载输入,参数如图7所示。

图7 负载参数设置
(7)选择Signal Routing模块库F的Bus Selector 模块作为直流电动机输出信号选择器,如图8所示为其参数设置。

图8 信号选择器设置
(8)选择Sinks模块库下的Scope模块,参数设置如图9所示,需注意图的中间部分,的History选项中的设置,此处保存数据到工作区Workplace,为了FFT分析使用。

图9 示波器参数设置
(9)选择Simcape模块库下的SimPowerSystem子库中Specialized Technology中的Powergui模块作为FFT频域分析的执行模块,试验了N多次终于派上用场了,其参数设置如图10 所示。

图10 Powergui模块参数设置
仿真参数设置与仿真效果
(1)设置仿真起始时间为0.0,终值时间为0.5,Solver函数选择如图11所示的Ode23

图11 仿真设置
(2)正常运行状态下的转子a相电流如图12所示,平稳运行状态下电流为0。频谱分析结果如图13所示,频率分布在50Hz左右。

图12 平稳运行状态下电流波形

图13 FFT分析结果(1)
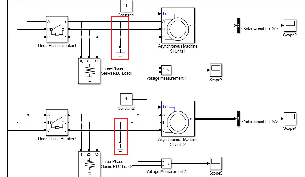
(3)电机单向短路的仿真程序如图14所示,即在A相与B相接地造成短路。此时A相或B相短接时,电机转子a相电流波形分别如图15、16所示,都有较为明显的增大与波动。频谱分析的结果分别如图17、18所示,相比较图13中分析结果,出现了较为明显的倍频100Hz成分。此处仿真时,本小学生存在一个疑问,此处设置的仿真时间是1.0秒,但是FFT分析的窗函数只能截取到0.0至0.5秒区间,如何能设置采样区间呢?希望了解原因的小伙伴或大神能在评论处指教。

图14 单相短路仿真

图15 A相短路时转子电流

图16 B相短路时转子电流

图17 A相短路时FFT分析结果

图18 B相短路时FFT分析结果
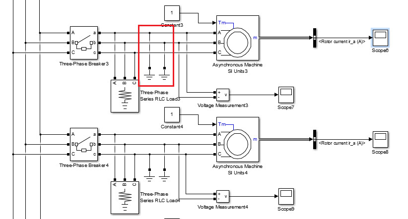
(4)电机相间短路的仿真程序如图19所示,即在AB相或BC相接地造成短路。此时AB相或BC相短接时,电机转子a相电流波形分别如图20、21所示,都有较为明显的增大与波动,且有较为明显的周期性。频谱分析的结果分别如图22、23所示,相比较图13中分析结果,缺少了许多的高频成分,主频率成分更为突出。

图19 相间短路仿真

图20 AB相间短路时转子电流

图21 BC相间短路时转子电流

图22 AB相间短路时FFT分析结果

图23 BC相间短路时FFT分析结果
最后分享此工程的仿真文件和图片给各位老铁:
百度网盘永久有效链接:
链接:https://pan.baidu.com/s/1jnPcaBZ-jDuOLpZrfsxIDQ
提取码:ay37
良心博主,且看且珍惜,如需分享,表明转载,小弟不胜感激!
最后
以上就是坚强铅笔最近收集整理的关于Simulink三相电机仿真(3)的全部内容,更多相关Simulink三相电机仿真(3)内容请搜索靠谱客的其他文章。
发表评论 取消回复