由于版本的变更,参考资料的很多地方需要重新寻找。所以先说明下本文使用的MATLAB版本是MATLAB2014b。
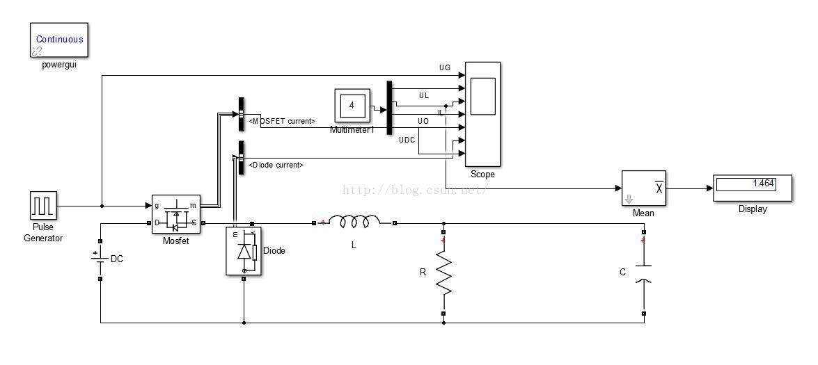
直接新建一个Simulink model 然后画好接线图,根据我个人的经验,有几个坑需要注意下。先放一张buck仿真接线图。

1、powerGUI是必须要有的,在specialized technology里。记住如果你找不到,你就搜索,可以搜出来,包括路径。
2、multimeter这个测量多个值并且多路接出到示波器的时候要注意使用一个demux多路分开。
3、可能不同的库里都有某种器件,但是很可能只有一个是可以用的。比如这里的dc source,有几个库里拿出来也是DC source 但就是不能和别的器件相连可见是拿错了。
所以说最好一个图里的器件都在一个库里拿出来比较好。
然后设置一些参数,在scope里看波形。如果由于坐标轴不合适导致看不清,可以先点击autoscale,然后通过放大缩小调节坐标轴。如下:

我们观察到差不多输出的平均值就在49-50之间了,效果还可以。
接下来再来看改变一些参数对结果的影响。
最后
以上就是高高煎饼最近收集整理的关于MATLAB Simulink仿真buck降压的全部内容,更多相关MATLAB内容请搜索靠谱客的其他文章。
本图文内容来源于网友提供,作为学习参考使用,或来自网络收集整理,版权属于原作者所有。
发表评论 取消回复