我是靠谱客的博主 畅快百褶裙,这篇文章主要介绍安川g7接线端子图_安川TR8 外部IO信号端子接线图和信号配置,现在分享给大家,希望可以做个参考。

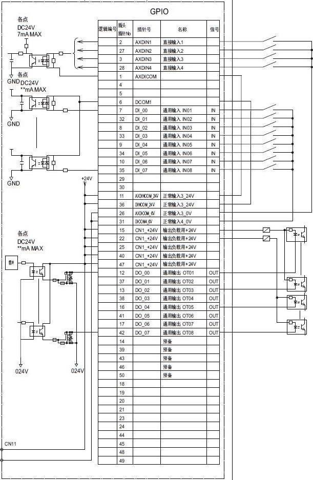
如下图所示标号10.为通用I/0接口:数字输入输出通用接口,标配通用接口1和通用接口2,共计24输入24输出。

8143938ad9c6591b9e19a2601e5cb94b.png

一、通用I/O-1模块出厂时候使用内部电源 24V, 如果使用外部电源时候请将CN11短接线取出,1 接24V,2接0V。 2.此块基板共计有直接输出4个,通用输入8 个, 通用输出8个(晶闸管输出),每个通用输出点的 最大电流为100mA。 3.通用输入、输出都是低电平有效NPN型。

4.通用输入对应的机器人外部输入物理地址是:

20010-20017

5.通用输出对应的机器人外部输出物理地址是:

30010-30017

6.通用输入,通用输出出厂时对应的逻辑信号是 IN01-IN08,OUT01-OUT08.可以更改梯形图变 为专用信号。

19abad3c6be62ff35c4812f7ce0d563c.png
84d38daecaa9c6d24482da1fb3c00cec.png
0286b751b17cbda6811328bdec509344.png

二、.通用I/O-2模块出厂时候无电源需要客户自备电 源24V 。 2.此块基板共计输入16个,通用输出16个(晶闸 管输出),每个通用输出点的最大电流为100mA。 3.通用输入、输出都是低电平有效NPN型。 4.通用输入对应的机器人外部输入物理地址是: 20020-20037 5.通用输出对应的机器人外部输出物理地址是: 30020-30037 6.通用输入,通用输出出厂时对应的逻辑信号是 IN09-IN24,OUT09-OUT24.可以更改梯形图将 其变为专用信号。

763e76f1b8554a6ecf7bd17ea8d3dae3.png

最后

以上就是畅快百褶裙最近收集整理的关于安川g7接线端子图_安川TR8 外部IO信号端子接线图和信号配置的全部内容,更多相关安川g7接线端子图_安川TR8内容请搜索靠谱客的其他文章。

本图文内容来源于网友提供,作为学习参考使用,或来自网络收集整理,版权属于原作者所有。
点赞(204)

评论列表共有 0 条评论

立即
投稿
返回
顶部