LCD12864液晶显示模块的使用与分析(函代码分析)
一、LCD12864功能应用
LCD12864液晶显示模块能显示中文汉字、数字、字符,能显示数字与字符的个数为64个(4行,每行16个数字或字符),能显示汉字的个数为32个(4行,每行8个汉字)。其内置了8192个中文汉字(16*16的点阵)、128个字符(8*16点阵)、以及 64*256 点阵显示 RAM(GDRAM)。

图1外观尺寸图

图2外观尺寸图

图3 LCD12864读操作时序

图4 LCD12864写操作时序
二、LCD12864主要技术参数
(1)工作电压:3.3V-5.5V,模块最佳电压为5V。
(2)可以在显示界面显示数字、字母和中文汉字。
(3)与外部单片机的通信方式有并行或串行两种通信方式,这里主要介绍并行通信方式。
(4)显示内容:128 列× 64 行
(5)显示颜色:黄绿/蓝屏/灰屏
(6)LCD 类型:STN
(7)与 MCU 接口:8 位或 4 位并行/3 位串行
(8)配置 LED 背光
(9)多种软件功能:光标显示、画面移位、自定义字符、睡眠模式等
三、LCD12864液晶显示的电路用法分析
图5 LCD12864电路连接图

图6 LCD12864电路连接图
LCD12864模块主要用来显示所要的界面信息或数据,所以要求能显示汉字,字符和数字,而LCD12864满足系统要求的显示功能。LCD12864在显示字母和数字时,是4*16的显示字符模块,即可以显示4行,每行可以显示16个字母或数字;在显示汉字时,是4*8的汉字显示模块,即可以显示4行,每行可以显示8个汉字。下面进行介绍的是并行通信的显示方式。
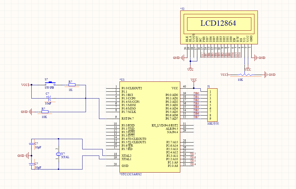
按照电路原理图跟单片机最小系统进行连线,如图6所示。LCD12864共有20个引脚,其引脚具体功能如表1所示,由表可得LCD12864引脚组成为8位数据传输端口(DB0-DB7);两个电源引脚(VCC,GND);两个电源背光引脚(BLK,BLA),控制LCD的背景亮度;一个VO引脚,外接一个上拉电阻(控制LCD12864的字符对比度,让字符更加的清晰可见);RST复位引脚,低电平有效,此处直接接高电平;第16、17位空引脚,不用管;剩下的RS,RW,EN和PSB四个引脚则跟LCD12864的写入息息相关,通过PSB可以控制LCD12864跟单片机的通信方式,输入高电平,则LCD12864跟单片机的通信模式为并行通信,低电平则为串行通信。单片机对RS,RW,EN端口的写入控制,则可以控制LCD12864的数据传输模式,决定单片机写入LCD12864数据端口DB的是命令还是数据。写入命令可以控制LCD的模式和工作状态,然后写入数据,让LCD显示需要的界面。
| 引脚号 | 引脚名称 | 方向 | 功能简介 |
| 1 | GND | - | 模块的电源的接地引脚 |
| 2 | VCC | - | 模块的电源的正极引脚 |
| 3 | V0 | - | LCD驱动电压输入端口 |
| 4 | RS(CS) | H/L | 并行的指令/数据选择信号;串行的片选信号 |
| 5 | R/W(SID) | H/L | 并行的读写选择信号;串行的数据口 |
| 6 | EN(CLK) | H/L | 并行的使能信号;串行的同步时钟 |
| 7 | DB0 | H/L | 数据端口0 |
| 8 | DB1 | H/L | 数据端口1 |
| 9 | DB2 | H/L | 数据端口2 |
| 10 | DB3 | H/L | 数据端口3 |
| 11 | DB4 | H/L | 数据端口4 |
| 12 | DB5 | H/L | 数据端口5 |
| 13 | DB6 | H/L | 数据端口6 |
| 14 | DB7 | H/L | 数据端口7 |
| 15 | PSB | H/L | 串/并行接口选择端口 H-并行 L-串行 |
| 16 | NC | 空脚 | |
| 17 | /RST | H/L | 复位引脚,低电平有效 |
| 18 | VOUT | 倍压输出脚(VDD=+3.3有效) | |
| 19 | LED_A | - | 背光电源正极+5V |
| 20 | LED_B | - | 背光电源负极 0V |
表1 LCD12864端口引脚说明
四、LCD12864液晶显示的软件代码分析
LCD12864液晶显示主要包括写入命令和写入数据两种操作方法,其基本代码解释如下。
#include<reg51.h>
#include<intrins.h> /*汇编函数库*/
#include<stdlib.h> /*函数库,可查*/
#define uchar unsigned char /*宏定义-8位的字符型变量*/
#define uint unsigned int /*宏定义-16位的整型变量*/
/*端口定义*/
#define LCD_data P0;
sbit LCD_RS = P2^0;
sbit LCD_RW = P2^1;
sbit LCD_EN = P2^2;
sbit LCD_PSB = P2^3;
/*显把示变量存储到数组里面*/
uchar dis1[] = {" 控制系统 "};
uchar dis2[] = {" N-TEMP: 30℃ "};
uchar dis3[] = {" 30 ℃-40 ℃ **"};
uchar dis4[] = {"S-TEMP: 40℃ LZF"};
/*延时函数*/
void delay_1ms(uint x)
{
uint i,j;
for(j=0;j<x;j++)
for(i=0;i<110;i++);
}
/*写入命令到LCD12864,令RS=L,RW=L,EN=高脉冲,D0-D7=指令码。*/
void write_cmd(uchar cmd)
{
LCD_RS = 0;
LCD_RW = 0;
LCD_EN = 0;
P0 = cmd;
delay_1ms(5);
LCD_EN = 1;
delay_1ms(5);
LCD_EN = 0;
}
/*写入数据到LCD12864,令RS=H,RW=L,EN=高脉冲,D0-D7=指令码。*/
void write_dat(uchar dat)
{
LCD_RS = 1;
LCD_RW = 0;
LCD_EN = 0;
P0 = dat;
delay_1ms(5);
LCD_EN = 1;
delay_1ms(5);
LCD_EN = 0;
}
/*设定显示位置*/
void lcd_pos(uchar X,uchar Y)
{
uchar pos;
if(X==0)
{X=0x80;}
else if(X==1)
{X=0x90;}
else if(X==2)
{X=0x88;}
else if(X==3)
{X=0x98;}
pos = X+Y;
write_cmd(pos);
}
/*LCD初始化设定*/
void lcd_init()
{
LCD_PSB = 1; //并行方式
write_cmd(0x30); //基本指令操作
delay_1ms(5);
write_cmd(0x0C); //显示开,关光标
delay_1ms(5);
write_cmd(0x01); //清除LCD的显示内容
delay_1ms(5);
}
/*主程序*/
void main()
{
uchar i;
delay_1ms(10); //延时
lcd_init(); //初始化LCD
lcd_pos(0,0); //设置显示位置为第一行的第一个字符
i = 0;
while(dis1[i]!='