1、准备器材:
红色M5 直插LED1
黄色M5 直插LED1
绿色M5 直插LED1
220Ω电阻3
面包板1
面包板跳线1 扎
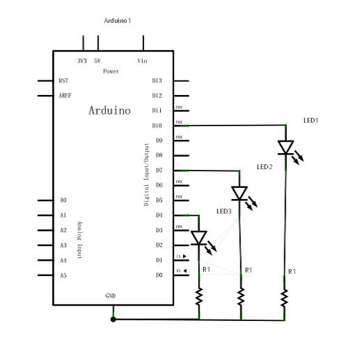
2、连接


3、代码如下:
int redled =10; //定义数字10 接口
int yellowled =7; //定义数字7 接口
int greenled =4; //定义数字4 接口
void setup()
{
pinMode(redled, OUTPUT);//定义红色小灯接口为输出接口
pinMode(yellowled, OUTPUT); //定义黄色小灯接口为输出接口
pinMode(greenled, OUTPUT); //定义绿色小灯接口为输出接口
}
void loop()
{
digitalWrite(redled, HIGH);//点亮红色小灯
delay(1000);//延时1 秒
digitalWrite(redled, LOW); //熄灭红色小灯
digitalWrite(yellowled, HIGH);//点亮黄色小灯
delay(200);//延时0.2 秒
digitalWrite(yellowled, LOW);//熄灭黄色小灯
digitalWrite(greenled, HIGH);//点亮绿色小灯
delay(1000);//延时1 秒
digitalWrite(greenled, LOW);//熄灭绿色小灯
digitalWrite(yellowled, HIGH);//点亮黄色小灯
delay(200);//延时0.2 秒
digitalWrite(yellowled, LOW);//熄灭黄色小灯
digitalWrite(redled, HIGH);//点亮红色小灯
delay(0);//延时0 秒
digitalWrite(redled, LOW); //熄灭红色小灯
}

4、效果图
最后
以上就是勤奋项链最近收集整理的关于【物联网】Arduino实现交通灯设计的全部内容,更多相关【物联网】Arduino实现交通灯设计内容请搜索靠谱客的其他文章。
本图文内容来源于网友提供,作为学习参考使用,或来自网络收集整理,版权属于原作者所有。
发表评论 取消回复