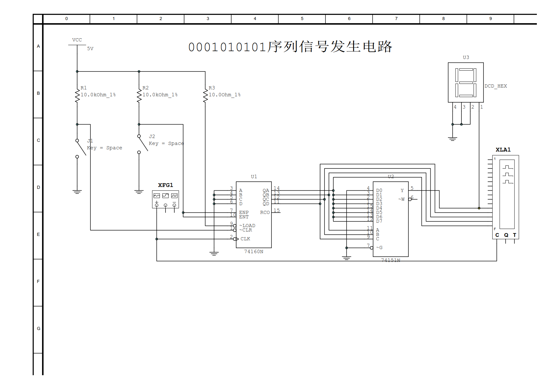
题目: 用1片74160和1片74151实现"0001010101"序列信号发生电路.
分析: 序列信号"0001010101"共10bits, 正好符合74160十进制计数器的特征. 所以只需要使电路的每个状态(0000~1001共10个状态)对应一位信号输出即可.
根据分析绘制出电路的状态表.

(由于74160只有0000~1001共十个有效状态, 故对于1010~1111来说, 是不可能出现的: 那么这六个无效状态对应的输出Y就可以用"×"代替, 即是0还是1可以根据化简的便利性来决定)
根据状态表中Y的取值情况, 以卡诺图化简的方式, 求出Y=Q1Q0+Q2Q0+Q3Q0: (下面详细分析一下该如何使用74151实现4变量逻辑函数)
Y=Q1Q0+Q2Q0+Q3Q0
=(Q2+Q2')Q1Q0+Q2Q0+Q3Q0
=Q2Q1Q0+Q2'Q1Q0+Q2Q0+Q3Q0
=(Q3+Q3')Q2Q1Q0+(Q3+Q3')Q2'Q1Q0+Q2Q0+Q3Q0
=Q3Q2Q1Q0+Q3'Q2Q1Q0+Q3Q2'Q1Q0+Q3'Q2'Q1Q0 +(Q1+Q1')Q2Q0+Q3Q0
=Q3Q2Q1Q0+Q3'Q2Q1Q0+Q3Q2'Q1Q0+Q3'Q2'Q1Q0 +Q2Q1Q0+Q2Q1'Q0+Q3Q0
=Q3Q2Q1Q0+Q3'Q2Q1Q0+Q3Q2'Q1Q0+Q3'Q2'Q1Q0 + (Q3+Q3')Q2Q1Q0+(Q3+Q3')Q2Q1'Q0+Q3Q0
=Q3Q2Q1Q0+Q3'Q2Q1Q0+Q3Q2'Q1Q0+Q3'Q2'Q1Q0 + Q3Q2Q1Q0+Q3'Q2Q1Q0+Q3Q2Q1'Q0+Q3'Q2Q1'Q0+Q3Q0
=Q3Q2Q1Q0+Q3'Q2Q1Q0+Q3Q2'Q1Q0+Q3'Q2'Q1Q0 + Q3Q2Q1Q0+Q3'Q2Q1Q0+Q3Q2Q1'Q0+Q3'Q2Q1'Q0 +(Q2+Q2')Q3Q0
=Q3Q2Q1Q0+Q3'Q2Q1Q0+Q3Q2'Q1Q0+Q3'Q2'Q1Q0 + Q3Q2Q1Q0+Q3'Q2Q1Q0+Q3Q2Q1'Q0+Q3'Q2Q1'Q0 + Q3Q2Q0+Q3Q2'Q0
=Q3Q2Q1Q0+Q3'Q2Q1Q0+Q3Q2'Q1Q0+Q3'Q2'Q1Q0 + Q3Q2Q1Q0+Q3'Q2Q1Q0+Q3Q2Q1'Q0+Q3'Q2Q1'Q0 + (Q1+Q1')Q3Q2Q0 + (Q1+Q1')Q3Q2'Q0
=Q3Q2Q1Q0+Q3'Q2Q1Q0+Q3Q2'Q1Q0+Q3'Q2'Q1Q0 + Q3Q2Q1Q0+Q3'Q2Q1Q0+Q3Q2Q1'Q0+Q3'Q2Q1'Q0 +Q3Q2Q1Q0+Q3Q2Q1'Q0+Q3Q2'Q1Q0+Q3Q2'Q1'Q0
=Q3Q2Q1Q0+Q3'Q2Q1Q0+Q3Q2'Q1Q0+Q3'Q2'Q1Q0+Q3Q2Q1'Q0+Q3'Q2Q1'Q0+Q3Q2'Q1'Q0
=Q3Q2Q1Q0+Q3'Q2Q1Q0+Q3Q2'Q1Q0+Q3'Q2'Q1Q0+Q3Q2Q1'Q0+Q3'Q2Q1'Q0+Q3Q2'Q1'Q0 + Q3'Q2'Q1'·0.
Q3接74151的C, Q2接74151的B, Q1接74151的A.
对比74151的Y=m0D0+m1D1+m2D2+m3D3+m4D4+m5D5+m6D6+m7D7,
∴D7=Q0, D3=Q0, D5=Q0, D1=Q0, D6=Q0, D2=Q0, D4=Q0, D0=0.
上面的分析方法不是最简方法, 但对于初学者来说很有必要这样做. 当已能熟练掌握74151实现4变量逻辑函数时, 可用更简便的方法来实现. 下面我将解析一下这种更简便的方法(不适合做为大题的解析步骤, 但对设计题中的某个实现过程来说, 效率极高).
Y=Q1Q0+Q2Q0+Q3Q0
0011 0101 1001
0111 0111 1011 ——> D1=Q0, D2=Q0, D4=Q0, D3=Q0, D5=Q0, D6=Q0, D7=Q0, D0=0.(这种方法需读者推敲)
1011 1101 1101
1111 1111 1111
根据上述分析, 绘制电路逻辑图.

最后
以上就是殷勤跳跳糖最近收集整理的关于74160设计序列信号发生电路(0001010101)的全部内容,更多相关74160设计序列信号发生电路(0001010101)内容请搜索靠谱客的其他文章。
发表评论 取消回复