Toggle navigation
首页
博客
下载
AI
科技
互联网
会员
中心
会员中心
发布资讯
发布博文
发布资源
首页
文章中心
数字电路
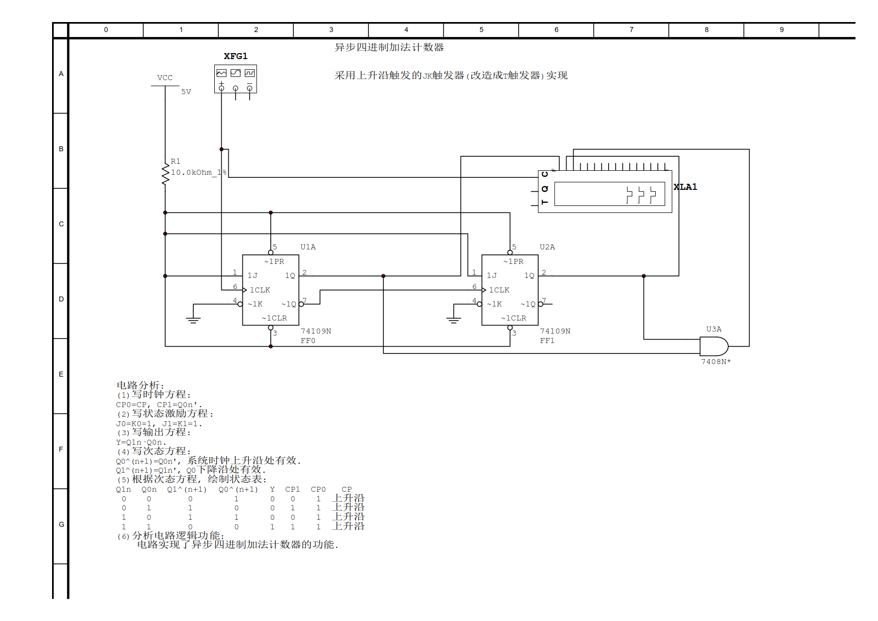
异步四进制加法计数器
225 阅读
0 评论
149 点赞
我是
靠谱客
的博主
威武镜子
,这篇文章主要介绍
异步四进制加法计数器
,现在分享给大家,希望可以做个参考。
最后
以上就是
威武镜子
最近收集整理的关于
异步四进制加法计数器
的全部内容,更多相关
异步四进制加法计数器
内容请搜索靠谱客的其他文章。
本图文内容来源于网友提供,作为学习参考使用,或来自网络收集整理,版权属于原作者所有。
点赞(
149
)
本文分类:
数字电路
浏览次数:
225
次浏览
发布日期:2023-05-30 17:57:02
本文链接:
https://www.kaopuke.com/article/k-p-k_14_ujogfz_14__7__10_x.html
相关文章
【阅读笔记】数据分析思维:分析方法和业务知识首页参考书籍
oCPC:计算广告出价策略
#BDA#笔记#业务知识:常见行业业务模式&指标1国内电商行业
清晰理解业务分析——《七步掌握业务分析》读书笔记(一)
异步四进制加法计数器
数字电路实验六:同步模4可逆计数器设计预实验报告
设计一可控同步四进制可逆计数器, 其由输入X1, X2控制, 用D触发器和74151及必要的门电路实现
用vhdl实现4位加减法计数器_多模分频器——递减计数器之同步/异步分析对比
评论列表
共有
0
条评论
发表评论
取消回复
登录
注册新账号
立即
投稿
返回
顶部
发表评论 取消回复