TTL电路的一个重要知识。
输入端悬空,相当于接了一个无穷大的电阻,也就是说相当于接1!(注意是射极接入)
如果输入端接一个K级到M级的电阻,也相当于接1。
小于K级的相当于接0。
当然具体还要结合具体的题,它有开关门电阻的条件!
1、TTL 器件的高速切换回产生电流跳变,很有必要进行电容滤波。
大电容(100uF)滤除低频信号,小电容(0.01~0.1uF)滤除高频信号。
至于原因可以戳这里,,
2、输出端的连接,不允许输出端直接接+5V或者地。
除了OC(开集电极)门和TS(三态门)外,其他门电路输出端不允许并联使用(线与的关系),否则容易引起芯片逻辑混乱,
原因呢?
想啊,如果几个输出端并联在一起,若只有一个一个低电平,其他全是高电平。那么其他几个输出端的高电平的拉电流不就会灌入那个低输出端了吗?那样不就损坏芯片了吗?!!!
3、关于多余输入端的处理
或门、或非门的多余输入端不能悬空,必须接地!
与门、与非门的多余输入端可以悬空,相当于高电平!但是及其容易受到外界干扰,最好接VCC或者与其他输入端接到一起。注意:
像74LS00这样多个独立的逻辑门构成的器件,其他多余的输入端可不需处理!
4、拉电流和灌电流
拉电流和灌电流是衡量电路输出驱动能力(注意:拉、灌都是对输出端而言的,所以是驱动能力)的参数,这种说法一般用在数字电路中。
由于数字电路的输出只有高、低(0,1)两种电平值,高电平输出时,一般是输出端对负载提供电流,其提供电流的数值叫“拉电流”;低电平输出时,一般是输出端要吸收负载的电流,其吸收电流的数值叫“灌(入)电流”。
1、逻辑门输出为高电平时的负载电流(为拉电流)。
2、逻辑门输出为低电平时的负载电流(为灌电流)。
3、逻辑门输入为高电平时的电流(为灌电流)。
4、逻辑门输入为低电平时的电流(为拉电流)
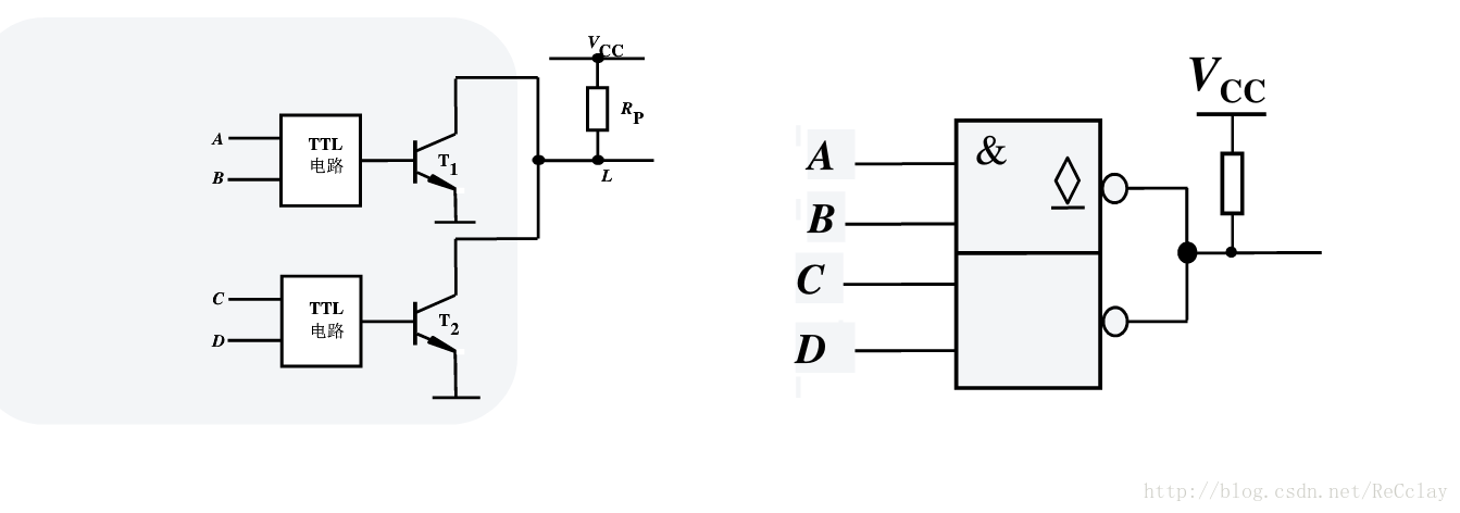
5、集电极开路 –OC门

①具有线与功能(另外可以实现线与功能的还有OD, 三态门)
②OC门输出端时悬空的,使用时务必在输出端与电源直接接上拉电阻!
RP取值范围的确定


线与内部结构

对了还有一个开门电阻和关门电阻的概念。

再来上到例题,也许理解更深刻。
6、高阻态
高阻态是一个数字电路里常见的术语,指的是电路的一种输出状态,既不是高电平也不是低电平,如果高阻态再输入下一级电路的话,对下级电路无任何影响,和没接一样,如果用万用表测的话有可能是高电平也有可能是低电平,随它后面接的东西定的。
可做开路理解。你可以把它看作输出(输入)电阻非常大
最后
以上就是着急绿草最近收集整理的关于数字电路的一些基本知识的全部内容,更多相关数字电路内容请搜索靠谱客的其他文章。
发表评论 取消回复