集成触发器
接上文:数字逻辑触发器(一)https://blog.csdn.net/weixin_44279771/article/details/106048062
一、维持阻塞触发器
1.其解决空翻问题的方法:利用电路内部的维持阻塞线产生的维持阻塞作用来客服空翻,维持是指在CP=1期间,输入信号发生变化的情况下,使应该开启的门维持畅通无阻,使其完成预定的操作,阻塞是指在CP期间,输入信号发生变化的情况下,使得不应该开启的门处于关闭的状态,阻止产生不应该的操作。
2.结构图

2.逻辑符号

3.逻辑功能表

ps:维持阻塞触发器一般是在CP脉冲的上升沿接收输入信号并改变输出状态。其他时间触发器都处于保持状态,也就是说触发器状态的改变时刻实在CP脉冲的上升沿。
上图表示的逻辑功能如下:
(1)当Rd=0、Sd=1、Q=0时候,触发器直接置0.
(2)当Rd=1、Sd=0,Q=1时候,触发器直接置1.
上述两种情况时,D端和CP控制脉冲都不能起作用,表中用×表示
(3)当Rd=1,Sd=1时,不影响触发器工作,此触发器在CP脉冲上升沿的触发下,D信号输入到触发器的输出Q端,Q(n+1)=D(n);如果D=1,则Q的状态翻转到1,如果D=0,则Q的状态翻转到0。在分析问题时,没有特殊声明都默认Rd=1,Sd=1。
(4)Rd=0,Sd=0这种情况是不允许出现的。
总结:D触发器具有置0、置1的逻辑功能,在CP有放边沿触发下,触发器的状态与CP触发器之前一瞬间输入端D的状态相同,CP触发后,D的状态若有变,触发器的状态将不再变化。

4.特点:触发器状态只有在时钟脉冲上升沿才改变,克服了空翻,在时钟脉冲作用期间有维持阻塞作用,抗干扰能力强,但只有一个输入端,功能简单。
5.例题如下:
例题解答:
二、主从触发器
1.结构图

如上图所示,主从RS触发器由两个可控RS触发器构成。
2.特征方程

3.特点:
①有效时间不同
②还是存在约束条件,但解决了空翻问题。
三、JK触发器
1.种类:
①主从JK触发器(由两个可控RS触发器组成,一个是主触发器,一个是从触发器,也是在CP脉冲下降沿时刻,从触发器接收主触发器的状态,使得触发器发生翻转)
②边沿JK触发器(分种类有维持阻塞型、传输迟延实现的边沿触发器、CMOS的边沿触发器,边沿触发器是利用时钟脉冲的有效边沿将输入的变化反映在输出端,而在CP=0以及CP=1期间不接受信号,输出不会误动作。)
2.主从JK触发器
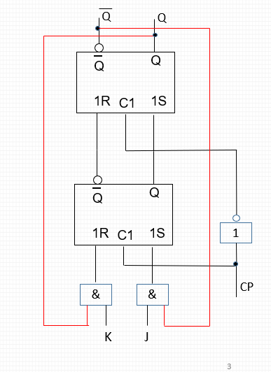
(1)结构图:

即在主从RS触发器的基础上加上两条反馈线。
(2).状态真值表

(3).特性方程

(4)工作波形图

ps:如果是干扰信号引起的一次变化,则该变化结果在CP下降沿到来的时候将送到触发器的输出端,造成错误输出,因此主从JK触发器的抗干扰性也有待改进。
(5)状态转换图

3.边沿JK触发器
(1)结构图

(2)工作原理简析
①CP=0时候,触发器维持现态
②CP=0→1时、CP=1时候,触发器维持现态。
③CP=1→0时,S、R还未改变,G3G6解锁,触发器接收信号。
(3)特性方程

(4)特点
①在CP脉冲下降沿接收下降前一刻的输入信号J,K。
②按照JK触发器规律转换状态。从而实现JK触发器的功能。
4.JK触发器
(1)逻辑符号

(2)功能表

ps 功能表说明
Ⅰ.直接复位和置位。Rd和Sd是直接控制触发器复位和置位,此时,CP、J、K等信号均不起作用。
Ⅱ.Rd=1,Sd=1时候有四种工作状态:
①J=K=0,触发器状态保持不变。
②J=0,K=1,触发器状态与J端的状态相同,为0态。如果触发器的初态为0态,在CP脉冲下降沿的触发下,状态仍然为0态,触发器不翻转;如果触发器的初态为1,在CP脉冲下降沿的触发下,状态翻转为0态。
③J=1,K=0,触发器状态与J端的状态相同,为1态。如果触发器的初态为1态,在CP脉冲下降沿的触发下,状态仍然为1态,触发器不翻转;如果触发器的初态为0,在CP脉冲下降沿的触发下,状态翻转为1态。
④J=1,K=1,在CP脉冲的触发下,触发器必定翻转,即每来一个CP脉冲的下降沿,触发器翻转一次。这种状态称为计数状态,触发器翻转的次数就是CP脉冲的个数,实现对CP脉冲的计数。
(3)触发器的状态表和特征方程


(4)波形图

特别强调:画波形图时候,触发器的翻转时刻要与CP脉冲的下降沿对齐。
本博文参考来自《数字逻辑》何火娇 第三版 中国铁道出版社
最后
以上就是激情小熊猫最近收集整理的关于数字逻辑触发器(二) 集成触发器的全部内容,更多相关数字逻辑触发器(二)内容请搜索靠谱客的其他文章。
发表评论 取消回复