在手写C代码的过程中,经常会出现一个函数一次定义后多次使用的情况,结合学习过程中所走的坑,介绍一下在simulink中实现在这一功能的模型配置及设置
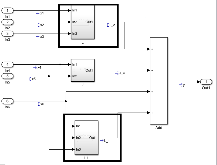
simulink模型

图中黑色框线所画出的部分为重复使用的子系统,且已设置为原子子系统

对L及L1两个子系统进行配置
L子系统的配置

L1子系统的配置

模型配置重点
1:配置函数包为可重复使用的函数
2:因为需要重复使用函数,因此函数名需要进行指定
3:函数所在的文件也需要指定,且必须设置一致
代码生成效果
定义的函数

函数的引用

如果关于这个问题大家有更多的想法,欢迎交流
最后
以上就是清秀酒窝最近收集整理的关于simulink自动代码生成中子系统函数重用问题的全部内容,更多相关simulink自动代码生成中子系统函数重用问题内容请搜索靠谱客的其他文章。
本图文内容来源于网友提供,作为学习参考使用,或来自网络收集整理,版权属于原作者所有。
发表评论 取消回复