数据选择器
- 1.1 工作原理
- 1.1.1 电路图
- 1.1.2 写出逻辑表达式
- 1.1.3 对应真值表
- 1.2 应用
- 1.2.1 用双四选一设计八选一
- 1.2.2 用数据选择器设计组合逻辑电路
- 1.2.2.1 用四选一实现
- 1.2.2.2 用八选一实现
- 1.2.2.3 设计全减器
数据选择器的工作原理:数据选择器就是在数字信号的传输过程中,从一组数据中选出某一个来送到输出端,也叫多路开关(下图所示)
【比如输入了4个信号,我只要其中一个,那我就需要通过控制端进行选择】
1.1 工作原理
1.1.1 电路图
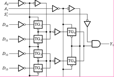
以双四选一数据选择器进行说明,内部电路如下图:

以其中一个进行说明:

D
10
D
13
D_{10} ~D_{13}
D10 D13 :数据输入端;
A
1
,
A
0
A_{ 1} ,A_{ 0}
A1,A0 :为选通地址输入端;
Y
1
Y _{1}
Y1 :输出端;
S
1
S _{1}
S1 :附加控制端。当
S
1
’
=
0
,
S
1
=
1
S_{ 1 }’=0,S_{ 1 }=1
S1’=0,S1=1时
备注:TG为传输门,以TG1为例子,当上边是高电平,下边是低电平,则TG1导通,信号可以通过
1.1.2 写出逻辑表达式
由电路写出输出端逻辑式:
从后面写起
Y
1
=
S
1
X
Y_{1}=S_{1}X
Y1=S1X
X
=
A
1
′
X
1
+
A
1
X
2
X = A_{1}'X_{1}+A_{1}X_{2}
X=A1′X1+A1X2
x
1
x_{1}
x1有两种看法,一种是两个传输门只有一个能通,而前后两个非门又相互抵消,所以
X
1
=
D
10
A
0
′
+
D
11
A
0
X_{1}=D_{10}A_{0}'+D_{11}A_{0}
X1=D10A0′+D11A0
另外一种直接通过逻辑表达式化简:
X
1
=
(
D
10
′
A
0
′
+
D
11
′
A
0
)
′
X_{1}=(D_{10}'A_{0}'+D_{11}'A_{0})'
X1=(D10′A0′+D11′A0)′
=
(
D
10
′
A
0
′
)
′
(
D
11
′
A
0
)
′
=(D_{10}'A_{0}')'(D_{11}'A_{0})'
=(D10′A0′)′(D11′A0)′
=
(
D
10
+
A
0
)
(
D
11
+
A
0
′
)
=(D_{10}+A_{0})(D_{11}+A_{0}')
=(D10+A0)(D11+A0′)
=
D
10
D
11
+
A
0
A
0
′
+
D
10
A
0
′
+
D
11
A
0
=D_{10}D_{11}+A_{0}A_{0}'+D_{10}A_{0}'+D_{11}A_{0}
=D10D11+A0A0′+D10A0′+D11A0
=
D
10
A
0
′
+
D
11
A
0
=D_{10}A_{0}'+D_{11}A_{0}
=D10A0′+D11A0
【本处化简运用了摩根定律等常用公式】
同理:
X
2
=
A
0
′
D
12
+
A
0
D
13
X_{2}=A_{0}'D_{12}+A_{0}D_{13}
X2=A0′D12+A0D13
所以:
Y
1
=
S
1
(
A
1
′
(
D
10
A
0
′
+
D
11
A
0
)
+
A
1
(
A
0
′
D
12
+
A
0
D
13
)
)
Y_{1}=S_{1}( A_{1}'(D_{10}A_{0}'+D_{11}A_{0})+A_{1}(A_{0}'D_{12}+A_{0}D_{13}))
Y1=S1(A1′(D10A0′+D11A0)+A1(A0′D12+A0D13))
=
S
1
(
D
10
A
0
′
A
1
′
+
D
11
A
0
A
1
′
+
D
12
A
1
A
0
′
+
D
13
A
1
A
0
)
=S_{1}( D_{10}A_{0}'A_{1}'+D_{11}A_{0}A_{1}'+D_{12}A_{1}A_{0}'+D_{13}A_{1}A_{0})
=S1(D10A0′A1′+D11A0A1′+D12A1A0′+D13A1A0)
1.1.3 对应真值表

【本次分析采用从电路出发进行分析的方法,有别于之前从功能设计电路】
1.2 应用
1.2.1 用双四选一设计八选一
“八选一”需要3位地址线,所以
S
S
S充当第三位地址线,同一时间,两片的
S
S
S相反,只选择其中一片

所以输出端逻辑表达式为:

1.2.2 用数据选择器设计组合逻辑电路
-
具有n位地址输入的数据选择器,可以产生任何形式输入变量数不大于n+1的组合逻辑函数
-
分别用4选1和8选1数据选择器实现逻辑函数:

1.2.2.1 用四选一实现
因为
S
=
1
S=1
S=1时,四选一输出端的逻辑表达式为:
Y
=
D
10
A
0
′
A
1
′
+
D
11
A
0
A
1
′
+
D
12
A
1
A
0
′
+
D
13
A
1
A
0
Y=D_{10}A_{0}'A_{1}'+D_{11}A_{0}A_{1}'+D_{12}A_{1}A_{0}'+D_{13}A_{1}A_{0}
Y=D10A0′A1′+D11A0A1′+D12A1A0′+D13A1A0
所以我们需要将逻辑函数化成最小项之和的形式
Y
=
A
B
′
C
+
A
B
′
C
′
+
A
B
C
′
+
A
B
′
C
′
+
A
′
B
′
C
′
+
A
B
C
Y=AB'C+AB'C'+ABC'+AB'C'+A'B'C'+ABC
Y=AB′C+AB′C′+ABC′+AB′C′+A′B′C′+ABC
假如我们选取
A
,
B
A,B
A,B为地址输入线,则再化简:
Y
=
1
A
B
′
+
1
A
B
+
C
′
A
′
B
′
+
0
A
′
B
Y=1AB'+1AB+C'A'B'+0A'B
Y=1AB′+1AB+C′A′B′+0A′B
令
A
1
=
A
,
A
0
=
B
A_{1}=A,A_{0}=B
A1=A,A0=B,
则
D
11
=
1
,
D
12
=
1
,
D
10
=
C
′
,
D
12
=
0
D_{11}=1,D_{12}=1,D_{10}=C',D_{12}=0
D11=1,D12=1,D10=C′,D12=0
【王老师的课件是假设BC为地址输入线,道理相同】
1.2.2.2 用八选一实现
八选一的设计道理相同,不做赘述
1.2.2.3 设计全减器
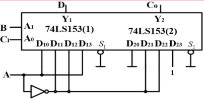
试用双4选1数据选择器74HC153构成全减器,设A为被减数,B为减数, C I C_{ I} CI 为低位的借位,D为差, C O C_{ O} CO 为向高位的借位
分析:三个输入变量,两个输出,一个输出一片四选一是够的,需要两片
【这里判断注意一下,不是4+1=5蛤!】
问题的关键就是写出逻辑表达式,其他就像上面一样啦
- 真值表

- 根据真值表写出逻辑表达式:
D = m 1 + m 2 + m 4 + m 7 D=m_{1}+m_{2}+m_{4}+m_{7} D=m1+m2+m4+m7
= A ′ B ′ C I + A ′ B C I ′ + A B ′ C I ′ + A B C I =A'B'C_{I}+A'BC_{I}'+AB'C_{I}'+ABC_{I} =A′B′CI+A′BCI′+AB′CI′+ABCI
C O = m 1 + m 2 + m 3 + m 7 C_{O}=m_{1}+m_{2}+m_{3}+m_{7} CO=m1+m2+m3+m7
= A ′ B ′ C I + A ′ B C I ′ + A ′ B C I + A B C I =A'B'C_{I}+A'BC_{I}'+A'BC_{I}+ABC_{I} =A′B′CI+A′BCI′+A′BCI+ABCI
以 B C BC BC作为地址输入线进行化简
D = A B ′ C I ′ + A ′ B ′ C I + A ′ B C I ′ + A B C I D=AB'C_{I}'+A'B'C_{I}+A'BC_{I}'+ABC_{I} D=AB′CI′+A′B′CI+A′BCI′+ABCI
C O = 0 B ′ C I ′ + A ′ B ′ C I + A ′ B C I ′ + 1 B C I C_{O}=0B'C_{I}'+A'B'C_{I}+A'BC_{I}'+1BC_{I} CO=0B′CI′+A′B′CI+A′BCI′+1BCI - 设计如下
A 1 = B , A 0 = C I D 10 = D 13 = A , D 11 = D 12 = A ′ , D 20 = 0 , D 21 = D 22 = A ′ , D 23 = 1 A_{1}=B,A_{0}=C_{I}D_{10}=D_{13}=A,D_{11}=D_{12}=A',D_{20}=0,D_{21}=D_{22}=A',D_{23}=1 A1=B,A0=CID10=D13=A,D11=D12=A′,D20=0,D21=D22=A′,D23=1
得到如下电路:

最后
以上就是舒心高跟鞋最近收集整理的关于数电4_4——常见组合逻辑电路(3)数据选择器1.1 工作原理1.2 应用的全部内容,更多相关数电4_4——常见组合逻辑电路(3)数据选择器1.1内容请搜索靠谱客的其他文章。
发表评论 取消回复