题目: 以一片74163(同步16进制加法计数器)和一片74154(4-16线译码器)设计节拍脉冲发生电路: 要求从12个输出端顺序、循环地输出等宽的负脉冲.
分析:
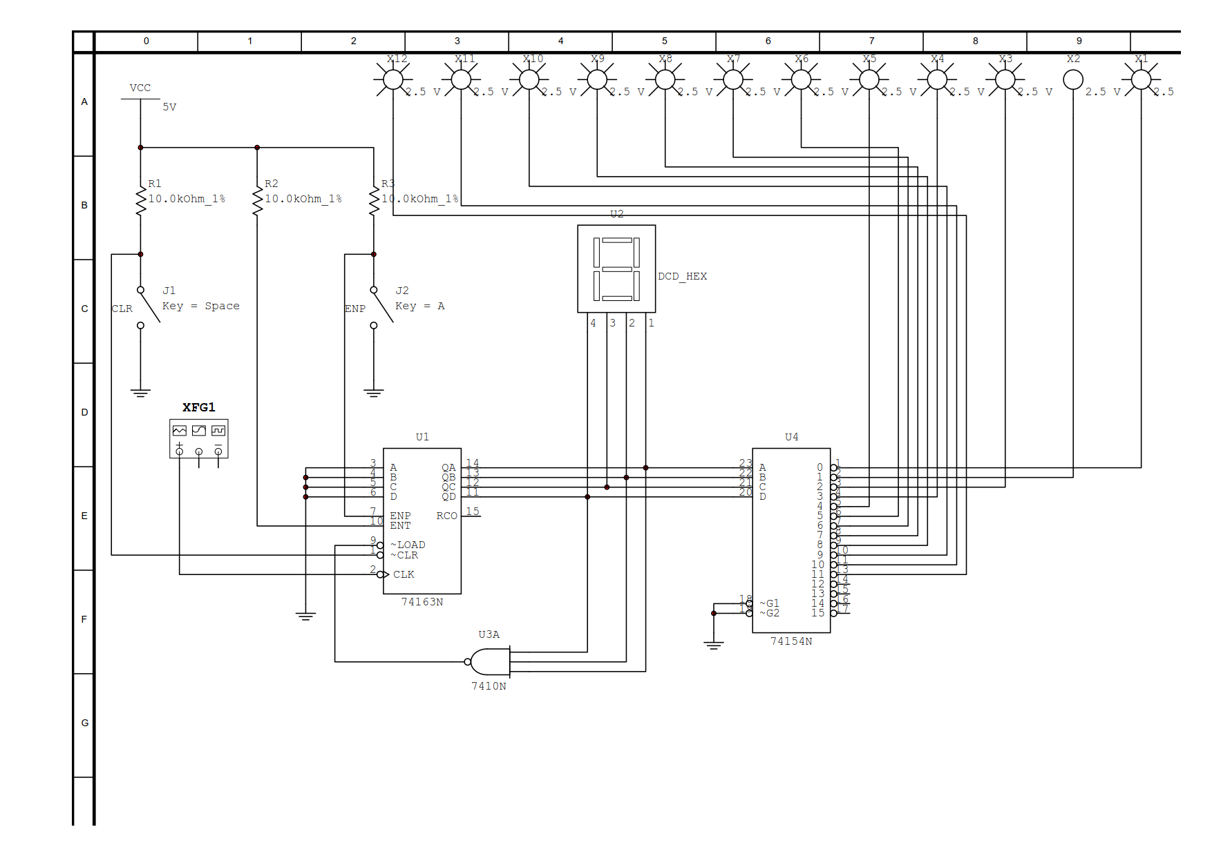
要使74154从12个输出端顺序、循环地输出等宽的负脉冲, 可先用74163以同步置数法接成同步12进制加法计数器. 之后, 将74163的四个输出端, 按高低位顺序接到74154的四个输入端. 如此一来, P0~P11即可顺序、循环地输出负脉冲.
心细的朋友们可能会看到, 在上面的表达中我没加上"等宽的"这个定语, 这是因为要使输出的负脉冲等宽, 就必须使系统时钟频率固定: 这一点的实现不是件难事, 只需将信号发生器的发射频率调整到合适的值即可.
本题的核心在于①用同步置数法将74163设计为同步12进制加法计数器, ②熟知74154的逻辑功能.
本题状态表(设计方案1):

本题电路逻辑图(设计方案1):

肯定会有朋友问道, 为什么我用12个发光二极管分别连接到74154的P0~P11, 这是因为发光二极管可以直观地反映出P0~P11这12个引脚的电平状态, 以便于我们检查电路的设计是否有误.
还有一个问题相信大家也有些许疑惑, 那就是为什么用16进制显示数码管的四个输入端分别接到74163的四个输出端呢, 这是因为我们可以通过16进制显示数码管的显示数字, 直观地看出74163的每个状态(0000~1011)与74154的P0~P11(共12个引脚)电平高低的对应关系.
最后, 我们再来讨论一个问题: 非要将74163接成同步12进制加法计数器才能实现题目要求的功能吗, 答案是"不一定的". 在上面的设计中, 我们选定74154的P0~P11这12个引脚作为电路输出引脚: 这里我们选定74163的0011~1110这12个状态为有效状态, 那么74154对应选择P3~P14这12个引脚.
那么, 设计过程将变为①用同步置数法将74163设计为同步12进制计数器(初始状态从0011开始, 1110为最大状态), ②将74163的四个输出引脚按高低位顺序分别接到74154的四个输出引脚, ③选择74154的P3~P14作为电路的输出引脚. (对于同步置数法的设计步骤略掉分析部分, 若读者有疑惑, 可从之前的博客中获取设计方法)
本题状态表(设计方案2):

本题电路逻辑图(设计方案2):

上面两种设计方案都可实现题目要求的功能, 那么哪一种设计方案是更优者呢, 下面我将给出我的评判理由: 我认为设计方案1是更好的那一个, 因为采用设计方案1接成的电路, 从电路一启动开始, 就可进入工作状态; 而采用设计方案2接成的电路, 在电路启动后的头2个系统脉冲周期内, 是未进入工作状态的(也就是没进入有效状态), 直到第三个系统脉冲周期到来, 电路才开始输出负脉冲——这增加了电路启动的时延.
最后
以上就是土豪美女最近收集整理的关于同步十六进制加法计数器74163与4-16线译码器配合使用, 以在多个输出端获取顺序发生、循环变化且输出等宽的脉冲信号的全部内容,更多相关同步十六进制加法计数器74163与4-16线译码器配合使用,内容请搜索靠谱客的其他文章。
发表评论 取消回复