基于触发器的三位二进制同步减法计数器无效态000/110
1 课程设计的目的与作用
掌握用multisim 的电路仿真程序
熟悉同步计数器工作原理和逻辑功能
熟悉计数器电路的分析和设计方法
掌握161 芯片集联成任意进制同步加法计数器
2 设计任务
三位二进制减法计数器(无效态: 000 011)
3设计过程
三位二进制减法计数器(无效态: 000 011)
3.1 状态转换图

3.2 求时钟方程
CP0 =CP 1 =CP 2 =CP
3.3 求输出方程

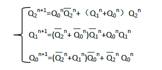
3.4 求状态方程

三位二进制同步加法计数器次态的卡诺图

Q 2 n+1 的卡诺图

Q 1 n+1 的卡诺图

Q 0 n+1 的卡诺图
根据卡诺图得到次态方程

3.5 求驱动方程
JK触发器的特性方程为

变换状态方程的形式:

根据上式,即可得下列驱动方程:

3.6 自启动验证及检验

该逻辑电路能够自启动
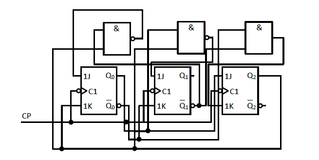
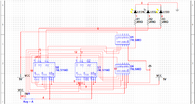
3.7 画逻辑电路图

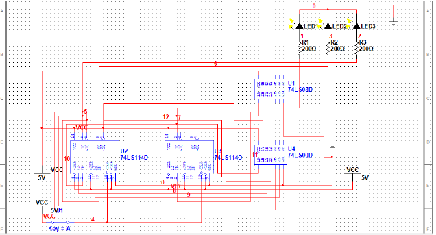
4 仿真结果分析
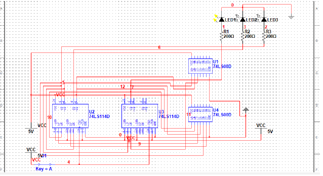
4.1 三位二进制减法计数器(无效态: 000 011)

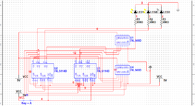
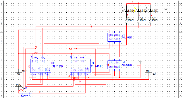
三位二进制减法计数器(状态: 111)

三位二进制减法计数器(状态: 110)

三位二进制减法计数器(状态: 101)

三位二进制减法计数器(状态: 100)

三位二进制减法计数器(状态: 010)

三位二进制减法计数器(状态: 001)
5 设计总结
通过这次数次电路课程设计的学习与实践,我初步了解简单数字电路设计过程以及仿真应用,熟悉了以 multisim 为软件载体的数字电路仿真。其次,锻炼了我的科学探索精神。在这次课设中,我尝试了不同的设计思路,把所学的知识结合在一起,仿真出自己设计的电路。当然,在不断尝试的过程中,也遇到了不少的问题,独立思考是必不可少的,同时借鉴网上,书本等材料以及和同学讨论也是不可或缺的,也这次的课程设计,也培养了我的科学素养。
针对课题,是简单的三位二进制加减法计数器的设计,我了解了最基本的数字电路的设计过程,解决简单的时序问题。熟悉了通过卡诺图,用简单的触发器,设计逻辑电路的过程。
同时掌握了 根据自己通过理论设计出来的数字电路,用 multisim 仿真验证自己的电路 。 Multisim 这个软件中的器件很齐全,而我只是简单的了解,应用了其中的一些元器件。相信在以后的学习过程中,我能更加的熟悉 multisim 这个软件的应用。
最后,我相信这次的课程设计不会是我学习数字电路的结束,而是我学习数字电路的开始,我将会用这次学到的知识,用在以后的 设计逻辑电路中。
6 参考文献
[1]清华大学电子教研组 编 . 余孟尝 主编 . 数字电子技术基础简明教程 第三
版 [M]. 北京:高等教育出版社, 2006
[2]信息学院数字逻辑实验室 编 . 张利萍 张群芳 主编 . 数字逻辑实验指导书
[M]. 沈阳理工大学
最后
以上就是鲜艳柜子最近收集整理的关于数字电子技术课程设计之基于触发器的三位二进制同步减法计数器无效态000/110的全部内容,更多相关数字电子技术课程设计之基于触发器内容请搜索靠谱客的其他文章。
发表评论 取消回复