一.L298N芯片
L298是15脚Multiwatt封装的L298N,内部包含4通道逻辑驱动电路;是一种二相和四相电机的专用驱动器,即内含二个H桥的高电压大电流双全桥驱动器,接收标准TTL逻辑电平信号,可驱动46V、2A以下的电机。

L298N引脚定义:
-
Pin9:Vss,即逻辑电路供电电压。电压输入范围为4.5~7V。
-
Pin4:Vs,即驱动电路输入电压。Vss电压要求输入最小电压为4.5V,最大可达36V;Vs电压最大值也是36V;
-
Pin2,3,13,14:为L298N芯片输入到电动机的输出端,其中引脚2、3或引脚13、14能分别独立控制一个直流电机。引脚2、3、13、14组合可控制一个两相步进电机。
-
Pin6,11:为电动机的使能接线脚;即Pin6引脚为高电平,Pin2、3有效;同理,Pin11引脚为高电平,Pin13、14有效;
-
Pin5,7,10,12:为单片机输入到L298N芯片的输入引脚。
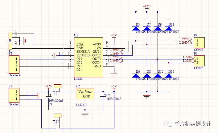
二、L298N模块
L298N模块原理图如下:

L298N模块实物如下图:

-
输出A、输出B为L298N的引脚2、3、13、14,用于接一个步进电机或者两个直流电机;
-
通道A使能、通道B使能为H桥使能引脚,高电平有效;使用时默认安装跳帽(高电平)。
-
逻辑输入为引脚5、7、10、12,即H桥A、B的逻辑控制引脚;通道A使能、通道B使能接+5V 时,引脚5、7、10、12的组合可以控制电机的正转、反转和停止。当L298N接直流电机时,控制如下:

-
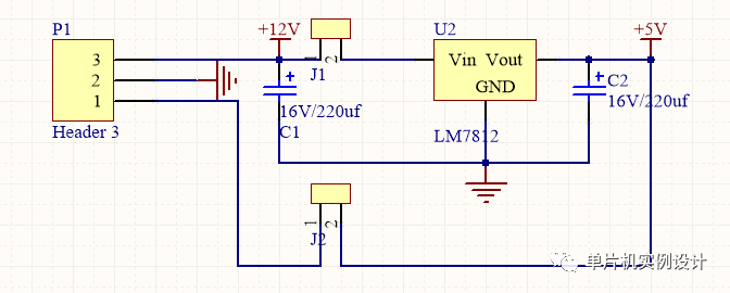
5V供电、12V供电、供电GND:当你的驱动电压(上图标识为12V输入,实际可以接受的输入范围是7-12V)为7V-12V的时候,可以使能板载的5V逻辑供电,当使用板载5V供电之后,接口中的+5V供电不要输入电压,但是可以引出5V电压供外部使用。
当驱动电压高于12V,小于等于24V(芯片手册中提出可以支持到35V,但是按照经验一般298保守应用最大电压支持到24V已经很了不起!)时,比如要驱动额定电压为18V的电机。首先必须拔除板载5V输出使能的跳线帽。然后在5V输出端口外部接入5V。

模块内部5V稳压电路
-
板载5V使能:即 一个电平为5V的控制信号,当此信号输入有效时,且电机驱动模块中电源供电正常时,电机驱动模块输出电流。否则即使电源供电正常,电机上也无电流。
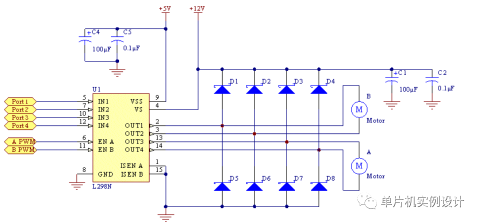
四.L298N控制两路直流电机
用L298驱动两台直流减速电机的电路。引脚6,9可用于PWM控制。如果机器人项目只要求直行前进,则可将5,10和7,12两对引脚分别接高电平和低电平,仅用单片机的两个端口给出PWM信号控制6,11即可实现直行、转弯、加减速等动作。

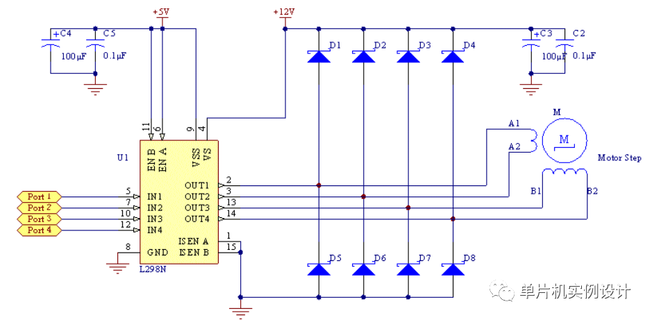
五.L298N控制两相四线步进电机
采用步进电机的驱动方式,可将引脚6,11(ENA、ENB)接至+5V。单片机控制IN1/2/3/4引脚,按照特定的步进节拍,就能使步进电机步进转动。

L298N步进指令如下:

L298N模块资料请前往公众号-单片机实例设计,发送关键词:L298,获取。
最后
以上就是整齐八宝粥最近收集整理的关于L298N模块详细使用教程的全部内容,更多相关L298N模块详细使用教程内容请搜索靠谱客的其他文章。
发表评论 取消回复