最近在做matlab的simulink仿真,电力系统交直流混联系统的建模在仿真过程中经常会遇到下面这种情况,提示我的电感矩阵出现奇异点。有时候两个模型都是在单独情况下能正常跑的 ,且sample time是一样的,但当把他们复制粘贴放在一个model里跑(两系统没有任何耦合)就会出现下面这种情况的报错,搜了网上的一些解决方法,最后还是自己摸索出来了一个解决方法,改变压器容量,能解决这个问题。当然是针对我这个仿真,记录一下过程。
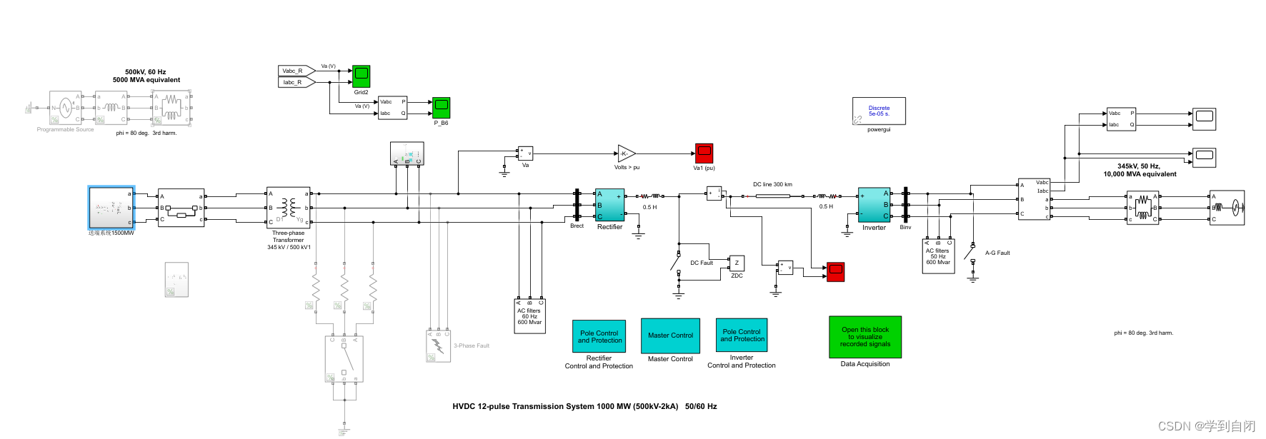
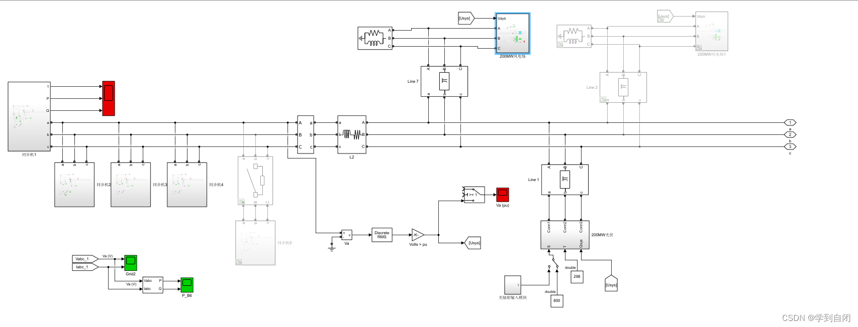
我的系统是一个含风电光伏接入的交直流混联系统如下图,中间有500kV的高压直流输电



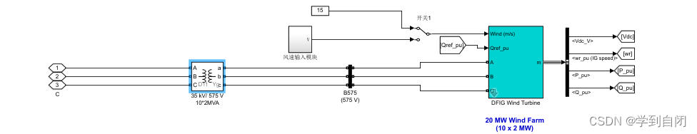
然后当我把STATCOM接到整流侧换流站母线上时出现报错。然后我开始注释模块让系统跑,每一次都在报电感矩阵出现奇点的错,当我把风电场注释掉的时候,能正常运行了!然后我开始一依次注释线路啥的。之前有一次出现这个错误我注释掉了一台同步机然后系统能跑了,这次我修改了风电场里面的变压器容量,然后系统能跑了。风电场容量200MW,然后变压器我开始设置的210MW,报错。我改成500e6,还是报错,当我改到100MW然后就能正常跑了,我也不知道为啥,就很奇妙。这个错误很玄学,我改过同步机接入台数,有效,改过同步机接入电网后变压器容量,有效,改风电场接入电网的变压器容量,有效。当然在改这个之前你得知道是哪一个元件的出现导致的这个错误,我的建议是一个一个注释元件,然后让系统能在没有这个运行(理论上),然后看系统报不报这个问题,当这个元件注释掉后能能正常编译了,那大概就是这个元件问题。
yysy,变压器是理想的,改了这个Nominal power and frequency里的Pn后好像没啥影响,风电场照样出一百多兆瓦的功率。
8.8日更
后来在拓展模型的时候又遇到了类似问题,上述方法解决不了问题,后来是通过减少变压器接入系统数量解决的,所以我怀疑是并联在一起的变压器数量太多,而变压器参数又是相同的,所以可以通过简化模型的方法去解决这个问题,至于从本质上如何去解决这个问题,我在外网搜过用处不大。现阶段摸索了以上两个方法,之后的解决方法有待探索。
最后
以上就是害怕发夹最近收集整理的关于simulink电感矩阵出现奇异值(电力系统相关仿真经验)的全部内容,更多相关simulink电感矩阵出现奇异值(电力系统相关仿真经验)内容请搜索靠谱客的其他文章。
发表评论 取消回复