CDMA的应用
- 1空中接口
- 1.1概述
- 1.2物理信道结构
- 1.2.1上行物理信道结构
- 1.2.2下行物理信道结构
- 2自适应CDMA
- 2.1传统功率控制
- 2.2自适应功率控制
- 2.2.1功率控制原则
- 2.2.2例子
基于 W − C D M A W-CDMA W−CDMA完全可以满足 U M T S / I M T − 2000 UMTS/IMT-2000 UMTS/IMT−2000的需求。
1空中接口
1.1概述

WCDMA在无线接口上有三种信道:物理信道,传输信道和逻辑信道
- WCDMA空中接口的主要参数
- 码片速率:3.84Mchip/s
- 扩频系数:256到4可变(上行),调制符号速率变化范围:960ksymbol/s到15ksymbol/s,512到4可变(下行),调制符号速率变化范围960ksymbol/s到7.5ksymbol/s
- 工作频带
- 信道安排:标称信道间隔为5MHz,中心频率必须是200khz的整数倍
- 无线帧:帧长10ms,分为15个时隙,每时隙2560chip
1.2物理信道结构
一个无线帧(10ms)由15个时隙组成,其长度为38400chip,一个时隙长度为2560chip。

1.2.1上行物理信道结构
专用上行物理数据信道:DPDCH,专用上行物理控制信道DPCCH,他们是在一个时隙内并行传输的。

如何并行传输呢?其将两种数据分别放在I路和Q路,然后传输

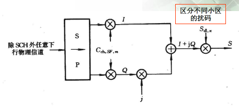
1.2.2下行物理信道结构
数据是放在一起传输的,如下图所示

数据速率可以用以下方法求得:
S
F
=
512
/
2
k
→
k
=
3
,
R
a
t
e
=
10
×
2
3
×
15
10
=
120
k
b
p
s
SF=512/2^krightarrow k=3,Rate=frac{10times 2^3times 15}{10}=120kbps
SF=512/2k→k=3,Rate=1010×23×15=120kbps
- 当总比特速率超过一个下行物理信道最大比特速率时,可采用多码传输
- 发送已知信号做信道估计

- 也分为
I
,
Q
I,Q
I,Q两路传输,可以提高传输速率

2自适应CDMA
2.1传统功率控制
我们知道功率会随着距离的增加而减小,为了避免出现基站接收距它较近的用户的功率大,距它较远的用户功率小的情况发生,我们会使离基站较近的用户以较小的功率发送,离基站较远的用户以较大的功率发送,使得到达基站的功率一致,这就是传统的功率控制了。

但是其有着一定缺点。
- 发送功率: P i = P r / h i P_i=P_r/h_i Pi=Pr/hi
- 增加对其他小区的干扰
- 减小容量
- 减弱连续干扰消除和MUD的性能。
2.2自适应功率控制
- 目标:满足Qos需求而且传输功率最小化
- 取决于扩展频带宽度,需要的数据速率和SIR
2.2.1功率控制原则
推导过程简单但比较繁琐,就不详细推导了,下面写出结论
γ
1
γ
2
<
W
sqrt{gamma_1gamma_2}<W
γ1γ2<W,在
γ
1
=
γ
2
=
γ
gamma_1=gamma_2=gamma
γ1=γ2=γ和
n
1
=
n
2
=
n
n_1=n_2=n
n1=n2=n的情况下
S
j
≥
γ
2
n
+
W
γ
n
W
2
−
γ
2
=
γ
n
W
−
γ
,
γ
<
W
,
j
=
1
,
2
,
.
.
.
S_jgeq frac{gamma^2n+Wgamma n}{W^2-gamma^2}=frac{gamma n}{W-gamma},gamma<W,j=1,2,...
Sj≥W2−γ2γ2n+Wγn=W−γγn,γ<W,j=1,2,...
2.2.2例子
例一:当M=2时:
分析结果:
- 业务需求量的上限是扩展带宽 W , W, W,即 γ 1 γ 2 < W sqrt{gamma_1gamma_2}<W γ1γ2<W。
- 业务量需求越接近带宽,传输功率也就越大,当 γ 1 γ 2 → W sqrt{gamma_1gamma_2}rightarrow W γ1γ2→W时, S j → ∞ S_jrightarrow infty Sj→∞
- 由于
γ
1
γ
2
<
(
γ
1
+
γ
2
)
/
2
sqrt{gamma_1gamma_2}<(gamma_1+gamma_2)/2
γ1γ2<(γ1+γ2)/2,均匀到达的业务流将是系统达到最小的容量,均匀业务流是算法收敛的充分条件

例二:业务需求的上界
- 如果 ∑ i = 1 M γ i < M W M − 1 sum_{i=1}^Mgamma_i<frac{MW}{M-1} ∑i=1Mγi<M−1MW,则接入(相等的时候最小的界,比他还小肯定可以接入)
- 如果 ( ∏ j = 1 M γ j ) 1 / M ≥ η W 1 − η (prod_{j=1}^Mgamma_j)^{1/M}geq frac{eta W}{1-eta} (∏j=1Mγj)1/M≥1−ηηW,拒绝(上界)
- 如果介于两者之间,可以接入较轻的呼叫。
最后
以上就是冷静花卷最近收集整理的关于第三章CDMA的原理与应用(2)1空中接口2自适应CDMA的全部内容,更多相关第三章CDMA内容请搜索靠谱客的其他文章。
发表评论 取消回复