门电路
- 基本门电路
- 与门
- 或门
- 非门
- 复合门电路
- 与非门
- 或非门
- 与或非门
- 异或门
- 同或门
- 集成门电路
- TLL集成门电路
- 多发射晶体管
- TTL与非门
- TTL集电极开路门(OC门)
- 三态输出门(TS门)
- CMOS集成门电路
- CMOS非门
- CMOS与非门
- CMOS或非门
- CMOS传输门
基本门电路
- 基本门电路有3种:与门(AND)、或门(OR)和非门(NOT)。
与门
-
电路结构

-
只有两个开关AB都闭合时,指示灯才会亮;
-
逻辑与(逻辑相乘):决定事物结果的全部条件同时具备时,结果才发生。
-
真值表:用来列举电路各种输入值和对应输出值的表格。
输入 输出 A B Y 0 0 0 0 1 0 1 0 0 1 1 1 -
逻辑表达式
- 用关系式来表达电路输入输出之间的逻辑关系。
- 与门电路的逻辑表达式: Y = A ⋅ B Y=Acdot B Y=A⋅B
-
图形符号

-
与门芯片
- 与门集成电路74LS08结构图如下,内部有4个与门,每个与门两个输入端,一个输出端。

- 与门集成电路74LS08结构图如下,内部有4个与门,每个与门两个输入端,一个输出端。
-
拓展
- 有很多种与门逻辑电路,还有种电路如下,可自行分析

- 有很多种与门逻辑电路,还有种电路如下,可自行分析
或门
-
电路结构

-
只要有任一开关闭合,指示灯都亮。
-
逻辑或(逻辑相加):决定事物结果的诸多条件中只要任何一个满足,结果就会发生。
-
真值表
输入 输出 A B Y 0 0 0 0 1 1 1 0 1 1 1 1 -
逻辑表达式 Y = A + B Y=A+B Y=A+B
-
图形符号

-
或门芯片
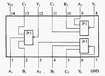
- 74LS32是一种比较常见的或门芯片。内部有4个或门,每个或门有2个输入端,1个输出端。

- 74LS32是一种比较常见的或门芯片。内部有4个或门,每个或门有2个输入端,1个输出端。
-
拓展
- 有很多种或门逻辑电路,还有种电路如下,可自行分析

- 有很多种或门逻辑电路,还有种电路如下,可自行分析
非门
-
电路结构

-
开关断开时,指示灯亮;闭和时,指示灯不亮。
-
逻辑非(逻辑求反):条件具备了,结果就不会发生;条件不具备,结果就会发生。
-
真值表
输入 输出 A Y 0 1 1 0 -
逻辑表达式 Y = A ‾ Y=overline{A} Y=A
-
图形符号

-
非门芯片
- 74LS04是一种比较常见的非门芯片(反相器)。内部有6个非门,每个非门有1个输入端,1个输出端。

- 74LS04是一种比较常见的非门芯片(反相器)。内部有6个非门,每个非门有1个输入端,1个输出端。
-
拓展
- 有很多种非门逻辑电路,还有种电路如下,可自行分析

- 有很多种非门逻辑电路,还有种电路如下,可自行分析
复合门电路
- 复合门电路又称组合门电路,由基本门电路组合而成。
- 常见的复合门电路有与非门、或非门、与或非门、异或门、同或门。
与非门
-
与非门是由与门和非门组成的

-
工作原理:当A端输入0、B端输入1时,与门的C端输出0,C端的0送到非门的输入端,非门的Y端(输出端)输出1。
-
逻辑表达式 Y = A ⋅ B ‾ Y=overline{Acdot B} Y=A⋅B
-
真值表
输入 输出 A B Y 0 0 1 0 1 1 1 0 1 1 1 0 -
逻辑功能:只有输入端全为“1”时,输出端才为“0”;只要有一个输入端为“0”,输出端就为“1”。
-
与非门芯片
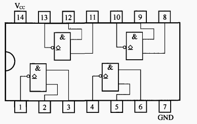
- 74LS00是一种常用的与非门芯片,内部有4个与非门,每个与非门有2个输入端、1个输出端。

- 74LS00是一种常用的与非门芯片,内部有4个与非门,每个与非门有2个输入端、1个输出端。
或非门
-
或非门是由或门和非门组合而成。

-
工作原理:当A端输入0、B端输入1时,或门C端输出1,C端的1送到非门输入端,结果非门的Y端(输出端)输出0。
-
逻辑表达式 Y = A + B ‾ Y=overline{A+B} Y=A+B
-
真值表
输入 输出 A B Y 0 0 1 0 1 0 1 0 0 1 1 0 -
逻辑功能:只有输入端全为0时,输出端才为1;只有输入端有一个1,输出端就为0。
-
或非门芯片
- 74LS27是一种常用的或非门芯片,内部有3个或非门,每个或非门有3个输入端,1个输出端。

- 74LS27是一种常用的或非门芯片,内部有3个或非门,每个或非门有3个输入端,1个输出端。
与或非门
-
构成:与门、或门、非门。

-
工作原理
- A=0,B=0,C=1,D=0时,与门1输出端E=0,与门2的输出端F=0,或门3输出端G=0,非门输出端Y=1。
- A=0,B=0,C=1,D=1时,与门1输出端E=0,与门2的输出端F=1,或门3输出端G=1,非门输出端Y=0。
-
逻辑表达式 Y = A ⋅ B + C ⋅ D ‾ Y=overline{Acdot B+Ccdot D} Y=A⋅B+C⋅D
-
真值表
输入 输出 A B C D Y 0 0 0 0 1 0 0 0 1 1 0 0 1 0 1 0 0 1 1 0 0 1 0 0 1 0 1 0 1 1 0 1 1 0 1 0 1 1 1 0 1 0 0 0 1 1 0 0 1 1 1 0 1 0 1 1 0 1 1 0 1 1 0 0 0 1 1 0 1 0 1 1 1 0 0 1 1 1 1 0 -
逻辑功能
- 只要A、B端或C、D端中有一组全为1,输出端就为0,否则输出端为1。
-
与或非门芯片
- 74LS54是一种常用的与或非门芯片,内部有1个与或非门,由4个3输入与门和1个4输入或非门组成。

- 74LS54是一种常用的与或非门芯片,内部有1个与或非门,由4个3输入与门和1个4输入或非门组成。
异或门
-
构成:两个与门、两个非门、一个或门。

-
工作原理
- 当A=0,B=0时,非门1输出端C=1,非门2的输出端D=1,与门3输出端E=0,与门4输出端F=0,或门5输出端Y=0。
- 当A=0,B=1时,非门1输出端C=0,非门2输出端D=1,与门3输出端E=0,与门4输出端F=1,或门5输出端Y=1。
-
逻辑表达式 Y = A ⋅ B ‾ + A ‾ ⋅ B = A ⊕ B Y=Acdot overline{B}+overline{A}cdot B=A oplus B Y=A⋅B+A⋅B=A⊕B
-
真值表
输入 输出 A B Y 0 0 0 1 0 1 0 1 1 1 1 0 -
逻辑功能:当两个输入端一个为0,另一个为1时,输出端为1;当两个输入端同时为1或同时为0时,输出端为0。(简述:异出1,同出0)
-
异或门芯片
- 74LS86是一个4组2输入异或门芯片,内部有4组异或门,每组异或门有2个输入端和1个输出端。

- 74LS86是一个4组2输入异或门芯片,内部有4组异或门,每组异或门有2个输入端和1个输出端。
同或门
-
构成:在异或门的输出端加上一个非门。

-
工作原理
- A=0,B=0,非门1输出端C=1,非门2输出端D=1,与门3输出端E=0,与门4输出端F=0,或门5输出端G=0,非门6输出端Y=1。
- A=0,B=1,非门1输出端C=0,非门2输出端D=1,与门3输出端E=0,与门4输出端F=1,或门5输出端G=1,非门6输出端Y=0。
-
逻辑表达式 Y = A ⋅ B + A ‾ ⋅ B ‾ = A ⊙ B Y=Acdot B +overline{A}cdot overline{B}=Aodot B Y=A⋅B+A⋅B=A⊙B
-
真值表
输入 输出 A B Y 0 0 1 1 0 0 0 1 0 1 1 1 -
逻辑功能:当两个输入端一个为0,另一个为1时,输出端为0;当两个输入端都为1或都为0时,输出端为1。(异出0,同出1)
-
同或门芯片
- 74LS266是一个4组2输入同或门,内部有4组同或门,每组同或门有2个输入端和1个输出端。

- 74LS266是一个4组2输入同或门,内部有4组同或门,每组同或门有2个输入端和1个输出端。
集成门电路
- 集成门电路:集成化的门电路,内部结构与分立件门电路有所不同,但是输入输出逻辑关系相同。
- 分为:TTL集成门电路、CMOS集成门电路
TLL集成门电路
- 简称TTL门电路,其内部主要采用双极型晶体管(三极管)来构成门电路,74LS系列和74系列芯片属于TTL门电路。
- 特点:电流控制性器件,功耗较大,但工作速度快,传输延迟时间短(5~10ns)。
多发射晶体管
- 在TTL集成门电路常用到多发射晶体管,具有两个以上的发射极

- 工作原理
- 发射极A、B、C分别输入0V、5V、0V电压时,F、A和F、C之间的两个发射结导通,F点电压下降为0.7V,F、B之间的发射结截止。F点电压为0.7V,不能使VT1的集电结和VT2的发射结同时导通(导通需要1.4V电压),VT2处于截止状态,集电极电压为5V。
- 发射极A、B、C同时输入5V电压时,F、A,F、B和F、C之间的3个发射结都不能导通,F点电压为5V,该电压使VT1的集电结和VT2的发射结同时导通(这时F点电压从5V下降到1.4V),VT2饱和导通,VT2集电极电压为0.3V。
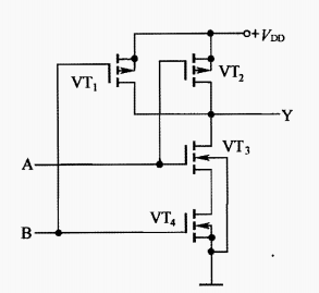
TTL与非门

- 工作原理
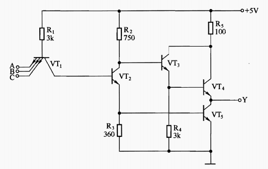
- A、B、C输入端都加5V电压,即A=B=C=1,多发射晶体管VT1的3个发射结都处于截止状态,VT1的基极电压高,VT1集电结导通,基极电压经过集电结加到VT2的基极,VT2饱和导通,VT2的集电极电压下降,发射极电压上升。VT2集电极电压下降很低,VT3基极电压也很低,VT3不能导通,处于截止状态,发射极无电压,VT4截止。
- A、B、C输入端分别加0V、5V、5V电压,即A=0、B=1、C=1时,VT1与A端相接的发射结导通,VT1基极电压降为0.7V,所以VT1另外两个发射结都处于截止状态。VT1的基极电压为0.7V,不足与使VT1集电结和VT2的发射结同时导通,VT2无法导通,它的发射极电压很低,而集电极电压很高。VT2很低的发射极电压送到VT5的基极,VT5无法导通而处于截止状态。VT2很高的集电极电压送到VT3的基极,VT3导通,VT3的发射极电压很高,该电压送到VT4的基极,VT4饱和导通,+5V电源经R5、VT4送到输出端,在输出端得到较高的电压。即A=0、B=1、C=1,电路输出端Y=1。
TTL集电极开路门(OC门)

- OC门输出端内部的三极管集电极时悬空的,没有接负载。
- 常用OC门芯片
- 74LS01,内部有4个OC与非门,每个与非门有2个输入端、1个输出端。

- 74LS01,内部有4个OC与非门,每个与非门有2个输入端、1个输出端。
- 外接负载三种形式

- 线与电路
- 几个OC门并联可以构成“线与”电路。

- 如果Y1输出为1,Y2输出为0,则OC门1内部输出端晶体管VT4处于截止状态,OC门2内部输出端的晶体管VT8处于饱和状态,E点电压很低,故输出端Y=0。
- 如果Y1输出为1,Y2输出为1,则OC门1和OC门2内部输出端晶体管都处于截止状态,E点电压很高,故输出端Y=1。
- 将几个OC门的输出端连接起来,再接一个公共负载时,输出端确实有“与”的关系,这个“与”不是靠与门实现的,而是由导线连接实现的,即“线与”。
- 几个OC门并联可以构成“线与”电路。
三态输出门(TS门)
-
三态输出门,三态门,TS门,不仅出现高低电平,还可以出现第3中状态—高阻态(禁止态/悬浮态)。

-
工作原理
- EN=0时,无论A、B端输入1还是0,VT1与EN相连的发射结和二极管VD都处于导通状态,VT1基极和VT2的集电极电压都为0.7V,VT4、VT5都处于截止状态。
- EN=1时,VT1与EN相连的发射结和二极管VD都处于截止状态,可认为两者不纯在,这样电路可以看成两个输入端的普通与非门电路。
-
真值表
输入 输出 EN A B Y 0 0 0 高阻 0 0 1 高阻 0 1 0 高阻 0 1 1 高阻 1 0 0 1 1 0 1 1 1 1 0 1 1 1 1 0 -
逻辑功能:当控制端EN=0时,电路处于高组状态,无论输入端输入什么,输出端都无输出;当EN=1时,电路正常工作,相当于与非门电路,输出与输入有与非关系。
-
常用三态门芯片
- 74LS126是一种常用的高电平有效型三态门芯片,内有4个三态门,每个三态门有1个输入端A、1个输出端Y和一个控制端C,当C=1时,Y=A;当C=0时,高阻态。

- 74LS126是一种常用的高电平有效型三态门芯片,内有4个三态门,每个三态门有1个输入端A、1个输出端Y和一个控制端C,当C=1时,Y=A;当C=0时,高阻态。
CMOS集成门电路
- 简称CMOS门电路,其芯片内部主要采用CMOS场效应管来构成门电路,74HC、74HCT和4000系列芯片属于CMOS门电路。
- 特点:电压控制性器件,其工作速度较TTL电路慢,但功耗小,抗干扰性强、驱动负载能力强。
CMOS非门

- 常见CMOS非门芯片
- CC4069,内部有6个非门,每个非门有1个输入端和1个输出端。

- CC4069,内部有6个非门,每个非门有1个输入端和1个输出端。
CMOS与非门

- 常见CMOS与非门芯片
- CC4011,内部有4个与非门,每个与非门有2个输入端和1个输出端。

- CC4011,内部有4个与非门,每个与非门有2个输入端和1个输出端。
CMOS或非门

- 常见CMOS或非门芯片
- CC4001,内部有4个或非门,每个或非门有2个输入端和1个输出端。

- CC4001,内部有4个或非门,每个或非门有2个输入端和1个输出端。
CMOS传输门
-
一种由控制信号来控制电路通断的门电路。

-
工作原理
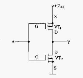
- 当控制信号为高电平,VT1(PMOS管)的G极为低电平,VT1导通,VT2(NMOS管)的G极为高电平,VT2导通,CMOS传输门开通,E端输入电压Ui经导通的VT1、VT2送到F端输出。
- 当控制信号为低电平时,VT1(PMOS管)的G极为高电平,VT1截止,VT2(NMOS管)的G极为低电平,VT2截止,CMOS传输门关断,输入电压Ui无法通过。
-
由于两个MOS管漏极D与源极S具有互换性,故可将F端作为输入端,E端作为输出端,信号电压可以双向传送,因此CMOS传输门又称为双向开关。
-
常用CMOS传输门芯片
- CC4016,内部有4个传输门,每个传输门有1个输入输出端、1个输出输入端和1个控制端。

- CC4016,内部有4个传输门,每个传输门有1个输入输出端、1个输出输入端和1个控制端。
最后
以上就是激情砖头最近收集整理的关于数字电路学习笔记(三)基本门电路复合门电路集成门电路的全部内容,更多相关数字电路学习笔记(三)基本门电路复合门电路集成门电路内容请搜索靠谱客的其他文章。
发表评论 取消回复