CSDN话题挑战赛第2期
参赛话题:学习笔记
学习之路,长路漫漫,写学习笔记的过程就是把知识讲给自己听的过程。这个过程中,我们去记录思考的过程,便于日后复习,梳理自己的思路。学习之乐,独乐乐,不如众乐乐,把知识讲给更多的人听,何乐而不为呢?
- 项目中解决的问题
最近遇到一个使用stm32单片机多路采集信号的项目,还需要在上位机进行波形的查看,信号算法的处理,初步定为使用labview编写上位机程序进行处理。下面是我最近写程序的一些知识,进行了整理,发出来和大家一起分享。谢谢大加的支持!捧场!
为了实现数据采集过程与被测信号严格同步,就需要被测对象给数据采集系统提供一个同步信号,这个同步信号或称触发信号可以通过某些特定的方式启动数据采集过程,如上升沿/下降沿触发等。又如,如果用户需要采集某个瞬间的短时信号,如输入脉冲的响应等,也需要用到硬件触发的采集模式。
为了实现功能强大、复杂的硬件触发功能,仅通过中级模拟输入VIs是不够的,还需要借助某些高级模拟输入VIs,下面介绍两个用于硬件触发设置的高级模拟Vis,AI Clock Config.vi和AI Trigger Config.vi。
(1)AI Clock Config.vi
该VI用于设置通道时钟(Channel clock)和扫描时钟(Scan clock)

该VI与硬件触发设置有关的一些输入端口有以下几种。
retrigger mode输入端口:可再触发模式设置。
which clock输入端口:用户通过该端口选择时钟源

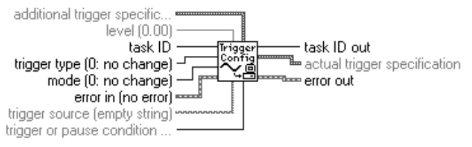
通过该vi可以设置触发条件

该VI与硬件触发设置有关的输入端口有:
level输入端口:该端口用于指定模拟触发的电平,该参数只有在trigger type被设置为1(模拟触发)、5(模拟扫描时钟选通)或6(多用途模拟触发)时才是有效的。
trigger type输入端口:该端口用于指定启动或停止数据采集操作的触发模式

mode输入端口:通过该端口,用户可以关闭或者开启触发模式。

测控背景知识:当今测试多采用计算机控制的自动测试系统,往往测试信号数量多、测试时间长,甚至是不间断的实时监测,因此,测试数据的管理变得尤为重要。数据管理包括数据的分类、存储、回放及数据的安全等。有的测试系统要求对所有数据均进行分类保存,有的测试系统则只需对一些特定的测试数据进行存储。总之,测试数据的管理也是测试工程学的研究重点之一。另外,随着测试系统越来越庞大、测试任务越来越复杂,测试中用到的资源(如传感器、仪器等)将越来越多,如何对这些资源进行合理管理以便安全、快速、顺利地完成各种预定的或随时指定的测试任务,达到随需应变的能力,成为测试工程学一个新的研究内容。也就是说,在测试工程学中有关测试管理的内容已经由最初单一对数据进行管理发展到了对包括测试资源、测试安全、测试数据等全方位的测试管理,并将成为测试工程学的研究热点之一。
最后
以上就是粗心皮卡丘最近收集整理的关于高级模拟输入VIs编程笔记的全部内容,更多相关高级模拟输入VIs编程笔记内容请搜索靠谱客的其他文章。
发表评论 取消回复