Circuits----sequential Logic
文章目录
- Circuits----sequential Logic
- 前言
- 一、shift registers(移位寄存器)
- 1.异步置零的移位寄存器
- 2.环形移位寄存器
- 二、算术移位寄存器
- 1题目
- 三、线性反馈移位寄存器(LFSR)
- 总结
前言
计算机中补码的形式存在,所以看补码的算术移位和逻辑移位
一、shift registers(移位寄存器)
对于逻辑移位,就是不考虑符号位,移位的结果只是数据所有的位数进行移位。
左移:低位补0
右移:高位补0
例:
01010101>>3=00001010
01101011<<3=01011000
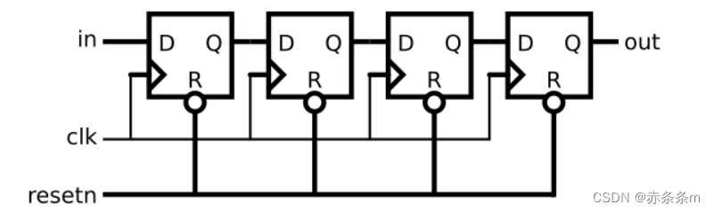
1.异步置零的移位寄存器

移位补0
module top_module(
input clk,
input areset, // async active-high reset to zero
input load,//Data is loaded at high levels
input ena,//High levels shift data to the right
input [3:0] data,
output reg [3:0] q);
always@(posedge clk or posedge areset)begin
if(areset)
q <= 4'd0;
else if(load)
q <= data;
else if(ena)
q <= {1'b0,q[3:1]};//q <= q[3:1]; Use vector part select to express a shift.
else
q <= q;
end
endmodule
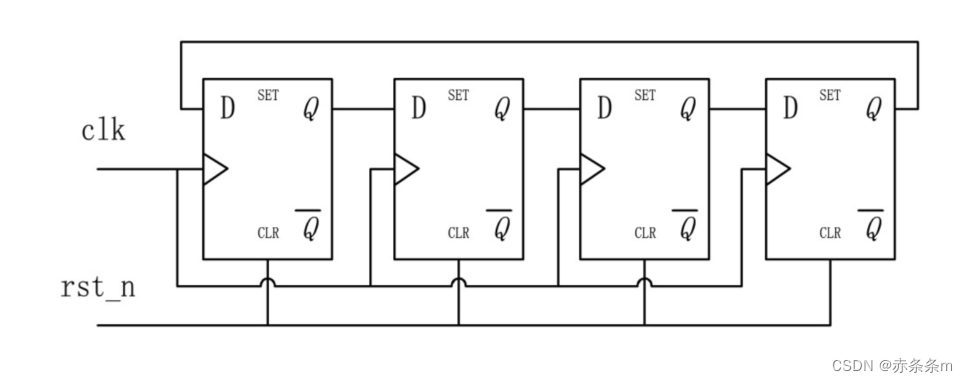
2.环形移位寄存器

以图为例子,数组data的大小为5,值分别为{0,1,2,3,4},循环右移3位

module top_module(
input clk,
input load,
input [1:0] ena,
input [99:0] data,
output reg [99:0] q);
always@(posedge clk)begin
if(load)
q <= data;
else
begin
case(ena)
2'b01: q <= {q[0],q[99:1]};
2'b10: q <= {q[98:0],q[99]};
default: q <= q;
endcase
end
end
endmodule
二、算术移位寄存器
左移:属于逻辑移位,补’0’
右移:属于算术移位,补’符号位’
例:
01010101>>3=00001010(正数右移)
11010101>>3=11111010(负数右移)
01101011<<3=01011000
(补码的算术移位运算)
1题目
Build a 64-bit arithmetic shift register, with synchronous load. The shifter can shift both left and right, and by 1 or 8 bit positions, selected by amount.
(64位算术移位寄存器)
load: Loads shift register with data[63:0] instead of shifting.
ena: Chooses whether to shift.
amount: Chooses which direction and how much to shift
- 2’b00: shift left by 1 bit.
- 2’b01: shift left by 8 bits.
- 2’b10: shift right by 1 bit.
- 2’b11: shift right by 8 bits.
代码如下(示例)
module top_module(
input clk,
input load,
input ena,
input [1:0] amount,
input [63:0] data,
output reg [63:0] q);
always@(posedge clk)begin
if(load)
q <= data;
else if(ena)
case(amount)
2'b00: q <= {q[62:0],1'd0};
2'b01: q <= {q[55:0],8'd0};
2'b10: q <= {q[63],q[63:1]};
2'b11: q <= {{8{q[63]}},q[63:8]};
endcase
else
q <= q;
end
endmodule
三、线性反馈移位寄存器(LFSR)
LFSR的反馈函数就是简单地对移位寄存器中的某些位进行异或,并将异或的结果填充到LFSR的最左端,如图所示。对于LFSR中每一位的数据,可以参与异或,也可以不参与异或。其中,我们把参与异或的位称为抽头(taps)。
下图taps在 5 和 3

构造线性移位寄存器,reset应当使LFSR归1
代码如下(示例)
module top_module(
input clk,
input reset, // Active-high synchronous reset to 5'h1
output [4:0] q
);
always@(posedge clk)begin
if(reset)
q <= 5'h1;
else begin
q[4] <= 1'b0 ^ q[0];
{q[3],q[1],q[0]} <= {q[4],q[2],q[1]};
q[2] <= q[3] ^ q[0];
end
end
endmodule
总结

最后
以上就是称心月饼最近收集整理的关于HDLbits笔记-移位寄存器Circuits----sequential Logic前言一、shift registers(移位寄存器)二、算术移位寄存器三、线性反馈移位寄存器(LFSR)总结的全部内容,更多相关HDLbits笔记-移位寄存器Circuits----sequential内容请搜索靠谱客的其他文章。
发表评论 取消回复