目录
1.算法描述
2.仿真效果预览
3.MATLAB核心程序
4.完整MATLAB
1.算法描述
光伏阵列(Photovoltaic Array)是多片光伏模组的连接,也是更多光伏电池的连接,光伏阵列是最大规模的光伏发电系统。太阳能电池透过光生伏特效应可以将太阳光能转化成直流电能,但一块光伏模组(光伏板)能够产生的电流不够一般住宅使用,所以将数块光伏模组连接在一起而形成了阵列。光伏阵列能够利用逆变器将直流电转化成交流电以供使用。
光伏阵列,是指将太阳能电池组件,光伏模组的连接,以一定的排列方式组合起来(如方阵列,圆形阵列等)以便于更好的采集光能用于发电,提高光能利用率。光伏阵列是最大规模的光伏发电系统。
光伏阵列设计:
在进行光伏阵列设计时,为了使阵列能尽可能多输出能量,则需要使光伏组件尽可能多获得足够的辐射能量,解决此问题除了改进光伏组件材料之外,还要考虑光伏阵列的方位角和倾斜角。由于空地(包括屋顶)的总面积有限,因此还要适当考虑在获得合理输出总能量的前提下,尽可能减小光伏阵列的占地面积。
光伏阵列与逆变器匹配:
光伏阵列与逆变器匹配主要是指三个方面:电压匹配、电流匹配和功率匹配。光伏阵列设计的最大串联组件数应保证在最大开路电压处阵列输出电压不超过光伏逆变器的最大允许输入电压。对于电流,应保证阵列输出电流不大于逆变器的最大输入电流。在符合电压范围和电流范围的前提下,调整光伏阵列的串联组件数,使得阵列输出接近逆变器的额定功率,以求获得最高的逆变效率。
MPPT控制器的全称是“最大功率点跟踪”(Maximum Power Point Tracking)太阳能控制器,是传统太阳能充放电控制器的升级换代产品。MPPT控制器能够实时侦测太阳能板的发电电压,并追踪最高电压电流值(VI),使系统以最大功率输出对蓄电池充电。应用于太阳能光伏系统中,协调太阳能电池板、蓄电池、负载的工作,是光伏系统的大脑。
最大功率点跟踪系统是一种通过调节电气模块的工作状态,使光伏板能够输出更多电能的电气系统能够将太阳能电池板发出的直流电有效地贮存在蓄电池中,可有效地解决常规电网不能覆盖的偏远地区及旅游地区的生活和工业用电,不产生环境污染。
目前,光伏阵列的最大功率点跟踪(MPPT)技术,国内外已有了一定的研究,发展出各种控制方法常,常用的有一下几种:恒电压跟踪法(ConstantVoltageTracking简称CVT)、干扰观察法(PerturbationAndObservationmethod简称P&O)、增量电导法(IncrementalConductancemethod简称INC)、基于梯度变步长的电导增量法等等。(这些算法只能用在无遮挡的条件下)
1)单峰值功率输出的MPPT的算法
目前,在无遮挡条件下,光伏阵列的最大功率点跟踪(MPPT)的控制方法常用的有以下几种:
l恒电压跟踪法(ConstantVoltageTracking简称CVT)
l干扰观察法(PerturbationAndObservationmethod简称P&O)
l增量电导法(IncrementalConductancemethod简称INC)
l基于梯度变步长的电导增量法,等等。
2)多峰值功率输出MPPT算法
普通的最大功率跟踪算法,如扰动观测发和电导增量法在一片云彩的遮挡下就有可能失效,不能实现真正意义的最大功率跟踪。
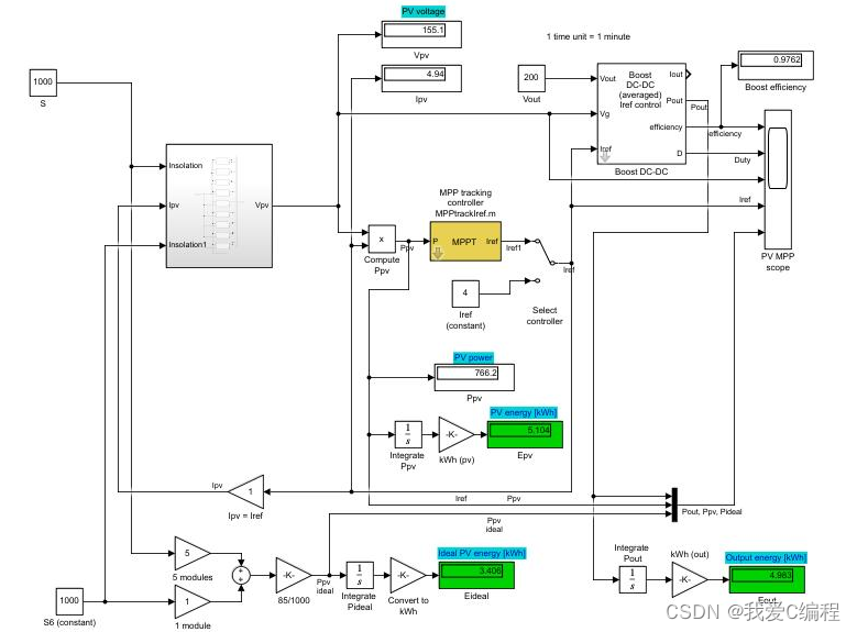
2.仿真效果预览
matlab2022a仿真结果如下:

3.MATLAB核心程序

function y = MPPtrackIref(P)
global Pold;
global Iref;
global Increment;
IrefH = 5; % upper limit for the reference current
IrefL = 0; % lower limit for the reference current
DeltaI = 0.02; % reference current increment
if (P < Pold)
Increment = -Increment; % change direction if P decreased
end
% increment current reference
Iref=Iref+Increment*DeltaI;
% check for upper limit
if (Iref > IrefH)
Iref = IrefH;
end
% check for lower limit
if (Iref < IrefL)
Iref = IrefL;
end
% save power value
Pold = P;
% output current reference
y = Iref;
A280
4.完整MATLAB
V
最后
以上就是温婉玉米最近收集整理的关于基于MPPT算法的PV光伏阵列电网模型simulink仿真1.算法描述2.仿真效果预览3.MATLAB核心程序4.完整MATLAB的全部内容,更多相关基于MPPT算法内容请搜索靠谱客的其他文章。
发表评论 取消回复