我是靠谱客的博主 清爽樱桃,这篇文章主要介绍Three_Phase_Rectifier_SimpleSVPWM:基于MATLAB Simulink的三相电压型简单SVPWM整流器仿真模型,现在分享给大家,希望可以做个参考。
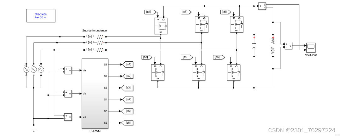
Three_Phase_Rectifier_SimpleSVPWM:基于MATLAB Simulink的三相电压型简单SVPWM整流器仿真模型,输出电压开环控制。
仿真条件:MATLAB Simulink R2015b

ID:7120649953967466



最后
以上就是清爽樱桃最近收集整理的关于Three_Phase_Rectifier_SimpleSVPWM:基于MATLAB Simulink的三相电压型简单SVPWM整流器仿真模型的全部内容,更多相关Three_Phase_Rectifier_SimpleSVPWM:基于MATLAB内容请搜索靠谱客的其他文章。
本图文内容来源于网友提供,作为学习参考使用,或来自网络收集整理,版权属于原作者所有。
发表评论 取消回复