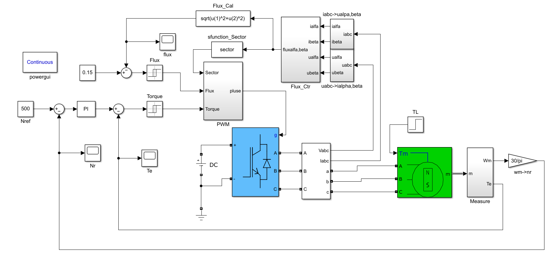
1.介绍
关于磁链矢量所在扇区及最优开关表的选择的思路分析和matlab/simulink实现
仿真参考袁雷老师的《现代永磁同步电机控制原理及MATLAB仿真》,但是由于书中所附代码和书中第四章中讲的实现不同,因此根据自己看的资料和理解重新整理并实现了一下。
这里采用的电压矢量与袁老师书中不同,定义为
附最优矢量开关表如图

2.思路分析

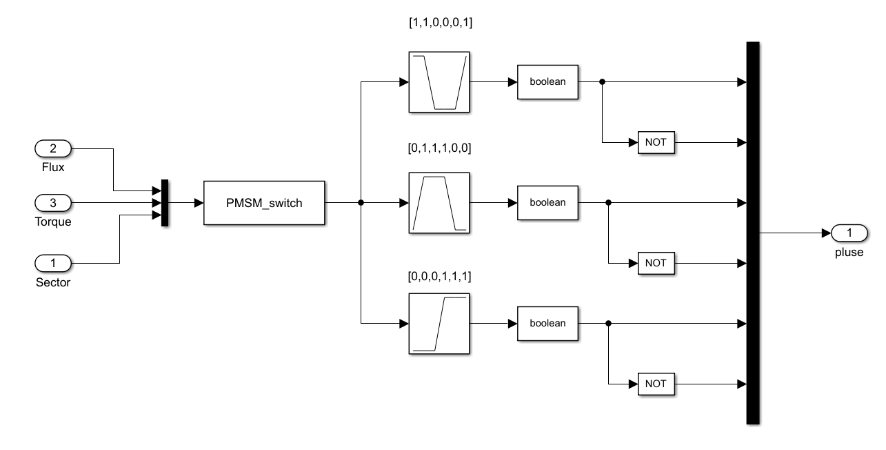
3.Matlab/Simulink相关代码实现
sector
function sys=mdlOutputs(t,x,u)
if(u(2)==0)
N=1; %如果输入值为0,电压参考量在第一扇区
else
a1=u(1);
b1=u(1)*(-0.5)+(sqrt(3)/2)*u(2); %%根据文章的计算公式得到
c1=u(1)*(-0.5)-(sqrt(3)/2)*u(2);
if a1>0
a=0;
else
a=1;
end
if b1>0
b=0;
else
b=1;
end
if c1>0
c=0;
else
c=1;
end
N=4*a+2*b+c; %扇区计算
end
Sector_table=[2 6 1 4 3 5];
sys=Sector_table(N);
PMSM_switch
function sys=mdlOutputs(t,x,u)
%%根据文章的表格计算得到
% V_Table=[2 4 6 1 3 5;4 1 5 2 6 3;3 6 2 5 1 4 ;5 3 1 6 4 2];
V_Table=[5 6 1 2 3 4;6 1 2 3 4 5;3 4 5 6 1 2;2 3 4 5 6 1];
% x=2*u(1)+u(2)+1;
x=u(1)+u(2)+2;
sector=u(3);
sys=V_Table(x,sector);


最后
以上就是愉快棉花糖最近收集整理的关于【电机/控制理论】DTC(Direct Torque Control)直接转矩控制的全部内容,更多相关【电机/控制理论】DTC(Direct内容请搜索靠谱客的其他文章。
本图文内容来源于网友提供,作为学习参考使用,或来自网络收集整理,版权属于原作者所有。
发表评论 取消回复