文章目录
- 前言
- 一、module的结构
- 1.1 module的申明
- 1.2 module的调用
- 二、参数传递方式
- 2.1 位置传参
- 2.2 参数名传参
- 三、嵌套多个模块
- 3.1 简单模块嵌套
- 3.2 复杂模块嵌套
- 四、加法器
- 4.1 Adder(1)
- 4.2 Adder(2)
- 4.3 Adder(3)
- 4.4 Adder(4)
- 总结
前言
前面课程我们已经熟悉了模块,在模块中,我们实现了各种逻辑功能。本文我们将深入讨论和学习模块。
一、module的结构
模块是一个电路,通过输入和输出端口与其外部交互。更大、更复杂的电路是通过将模块嵌套其他子模块,而子模块又是assign语句块和always语句块组成的。这就形成了一个层次结构,因为模块可以包含其他模块的实例。

1.1 module的申明
模块申明格式:
module 模块名(input 输入端口名,output 输出端口名);
模块体
endmodule
如以下代码中mod_a是图1中的子模块,有三个端口,两个输入端口in1、in2,一个输出端口out。
module mod_a ( input in1, input in2, output out );
// Module body
endmodule
1.2 module的调用
要实现图1中顶层模块top_module调用实例化的子模块mod_a,需要编写以下代码:
module top_module ( input a, input b, output out );
mod_a instance1 (a, b, out);
endmodule
工程师经验:
- 模块名称符合命名规则,在verilog语法基础中有讲解,特别注意命名要有意义,要见名知意,通过下划线连接;
- 实际的模块定义中,都包括输入输出,没有输入输出,就没有办法与其他模块交互;
- 模块定义时的端口列表中的端口,可以看做c语言函数定义中的形式参数,如mod_a中的in1、in2、out,以及top_module定义中的a、b、out。实例化模块的端口列表中的端口,可以看做c语言函数调用中的实际参数,如实例化mod_a中传入的a、b、out;
- 模块可以嵌套调用,也就是模块中嵌套的是实例化的子模块。不能嵌套定义,比如模块中定义模块;
- 模块实例化时,要另取一个名字,比如module的调用中,mod_a另取名字instance1。在后面的小节中将使用同一个模块,实例化多个模块,这些模块通过名字区分;
- 一般项目中,使用一个顶层模块调用其他多个子模块;
二、参数传递方式
2.1 位置传参

模块mod_a的定义如下:
module mod_a ( output out1, output out2, input in1, input in2, input in3, input in4);
// Module body
endmodule
顶层模块调用如下:
module top_module (
input a ,
input b ,
input c ,
input d ,
output out1,
output out2
);
mod_a instance1(out1, out2, a, b, c, d);
endmodule
在参数传递过程中,参数的位置一定要匹对,否则会出现意想不到的错误。工程中,一般不建议使用位置传递参数的方式,进行值传递。
2.2 参数名传参
顶层模块top_module调用的mod_a和2.1中的mod_a一致,但是通过参数名传递。
注意:参数名前有点(.)号,参数名紧跟的是(实际参数)。
module top_module (
input a ,
input b ,
input c ,
input d ,
output out1,
output out2
);
mod_a instance1(.out1 (out1),
.out2 (out2),
.in1 (a) ,
.in2 (b) ,
.in3 (c) ,
.in4 (d));
endmodule
实际工程中推荐使用的参数传递方式。
三、嵌套多个模块
3.1 简单模块嵌套

模块my_dff是一个D触发器(D flip-flop),定义如下:
module my_dff(input clk, input d, output q);
//Module body
endmodule
通过顶层模块top_module调用三个my_dff模块,代码如下:
module top_module ( input clk, input d, output q );
wire a;
wire b;
my_dff instance1(.clk (clk),
.d (d) ,
.q (a));//触发器instance1
my_dff instance2(.clk (clk),
.d (a) ,
.q (b));//触发器instance2
my_dff instance3(.clk (clk),
.d (b) ,
.q (q));//触发器instance3
endmodule
三个触发器模块连接起来,需要两个wire,所以定义两个中间wire a和b,触发器将会在后期作品中讲解。
3.2 复杂模块嵌套
在复杂的嵌套模块中,输入输出的情况不再是单个比特,同样是实例化三个模块my_dff8,中间wire a、b、c以及输入d的值都为8位。sel信号驱动4-1选择器,选择性将a、b、c、d赋值给输出q。原理图如下:

module my_dff8(input clk,
input [7:0] d ,
output [7:0] q );
//Module body
endmodule
根据原理图编写的代码如下:
module top_module (
input clk,
input [7:0] d ,
input [1:0] sel,
output [7:0] q
);
wire [7:0] a;
wire [7:0] b;
wire [7:0] c;
my_dff8 instance1 (.clk (clk),
.d (d) ,
.q (a));
my_dff8 instance2 (.clk (clk),
.d (a) ,
.q (b));
my_dff8 instance3 (.clk (clk),
.d (b) ,
.q (c));
always@(*)begin
case(sel)
2'd0: q = d;
2'd1: q = a;
2'd2: q = b;
2'd3: q = c;
default:;
endcase
end
endmodule

因为是4-1选择器,有4种情况,所以sel位宽为4。sel从0到3改变,但是q并没有根据d马上改变,是因为my_dff8是D触发器,是在时钟上升沿时候触发,所以延迟了一个时钟周期。
四、加法器
4.1 Adder(1)
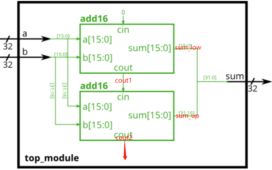
在模块top_module中实例化两个add16,创建一个32位加法器。一个add16模块计算加法结果的低16位,第二个add16模块在收到第一个加法器的结果后,计算结果的高16位。cin默认传入0。

module add16(input [15:0] a ,
input [15:0] b ,
input cin,
output [15:0] sum,
output cout);
//Module body
endmodule
module top_module(
input [31:0] a,
input [31:0] b,
output [31:0] sum
);
wire [15:0] sum_low;
wire [15:0] sum_up ;
wire cout1 ;
wire cout2 ;
add16 instance1(.a (a[15:0]),
.b (b[15:0]),
.cin (1'b0) ,
.sum (sum_low),
.cout (cout1));
add16 instance2(.a (a[31:16]),
.b (b[31:16]),
.cin (cout1) ,
.sum (sum_up) ,
.cout (cout2));
assign sum = {sum_up, sum_low};
endmodule

4.2 Adder(2)
创建一个具有两个模块的电路。top_module实例化两个add16,每个将实例化addr16包括16个实例化的add1。一个add16模块计算加法结果的低16位,第二个add16模块在收到第一个加法器的结果后,计算结果的高16位。cin默认传入0。

module top_module(
input [31:0] a,
input [31:0] b,
output [31:0] sum
);
wire [15:0] sum_low;
wire [15:0] sum_up ;
wire cout1 ;
wire cout2 ;
add16 instance1(.a (a[15:0]),
.b (b[15:0]),
.cin (1'b0) ,
.sum (sum_low),
.cout (cout1));
add16 instance2(.a (a[31:16]),
.b (b[31:16]),
.cin (cout1) ,
.sum (sum_up) ,
.cout (cout2));
assign sum = {sum_up, sum_low};
endmodule
module add1 ( input a, input b, input cin, output sum, output cout );
// Full adder module here
assign sum = a ^ b ^ cin;
assign cout = a&b | a&cin | b&cin;
endmodule

4.3 Adder(3)
Adder(2)中的加法器计算进位的延迟相当慢,而且在第一级加法器完成运算之前,第二级加法器不能开始计算它的进位。这使得加法器变慢。一个改进是进位选择加法器,如下所示。第一级加法器与之前相同,只是复制了第二级加法器,一个假设carry-in为0,另一个假设carry-in为1,然后使用一个快速的2对1多路复用器来选择哪个结果恰好是正确的。

module top_module(
input [31:0] a,
input [31:0] b,
output [31:0] sum
);
wire cout1;
wire cout2;
wire cout3;
wire [15:0] sum_low ;
wire [15:0] sum_up1 ;
wire [15:0] sum_up2 ;
wire [15:0] sum_final;
add16 instance1(.a (a[15:0]),
.b (b[15:0]),
.cin (1'b0) ,
.sum (sum_low),
.cout (cout1));
add16 instance2(.a (a[31:16]),
.b (b[31:16]),
.cin (1'b0) ,
.sum (sum_up1) ,
.cout (cout2));
add16 instance3(.a (a[31:16]),
.b (b[31:16]),
.cin (1'b1) ,
.sum (sum_up2) ,
.cout (cout3));
always@(*)begin
case(cout1)
1'd0: sum_final = sum_up1;
1'd1: sum_final = sum_up2;
default:;
endcase
end
assign sum = {sum_final, sum_low};
endmodule

4.4 Adder(4)
一个加法器是可以处理正负数的,对负数进行操作,可以看成将输入求反,然后加1。最终的结果是一个电路可以做两种操作:(a + b + 0)和(a + ~b + 1)。如图12中,sub为1的时候表示b输入的是负数,执行的操作是(a + ~b + 1),sub为0的时候表示b输入的是负数,执行的操作是(a + b + 0)。因为b是32位,所以sub会进行32次位复制。
- 当sub为1的时候,{32{sub}}和b进行异或,相当于对b求反;
- 当sub为0的时候,{32{sub}}和b进行异或,相当于b不变;

module top_module(
input [31:0] a ,
input [31:0] b ,
input sub,
output [31:0] sum
);
wire [15:0] sum_low;
wire [15:0] sum_up ;
wire [31:0] b_sub ;
wire cout1 ;
wire cout2 ;
add16 instance1(.a (a[15:0]) ,
.b (b_sub[15:0]),
.cin (sub) ,
.sum (sum_low) ,
.cout (cout1));
add16 instance2(.a (a[31:16]) ,
.b (b_sub[31:16]),
.cin (cout1) ,
.sum (sum_up) ,
.cout (cout2));
assign b_sub = b ^ {32{sub}};
assign sum = {sum_up, sum_low};
endmodule

总结
我们从模块的结构出发,讲解了模块的实例化(调用),模块的值传递,到后来,我们从实例化一个简单的模块,到实例化一个复杂的模块,最后我们实现了加法器。加法器是中央处理器(Central Processing Unit,CPU)中的算术逻辑单元(Arithmetic logical Unit,ALU)的核心部分,我们也通过模块实现了。感谢你的观看!
最后
以上就是轻松抽屉最近收集整理的关于verilog中的module前言一、module的结构二、参数传递方式三、嵌套多个模块四、加法器总结的全部内容,更多相关verilog中内容请搜索靠谱客的其他文章。
发表评论 取消回复