模电学习笔记(十五)
压控增益放大器
压控放大器,顾名思义就是利用电压来控制运放的增益。而利用MCU控制的放大器叫做程控增益放大器,下面我们来看看压控增益放大器。
首先使用VCA610压控增益放大器。


如上图我们可以看见它的反相端接入信号,3端口为压控端接电压信号,再次我们使得电压发生器产生三角波,利用其中的一段来模拟0~-2V的电压,以实现压控。
仿真结果:


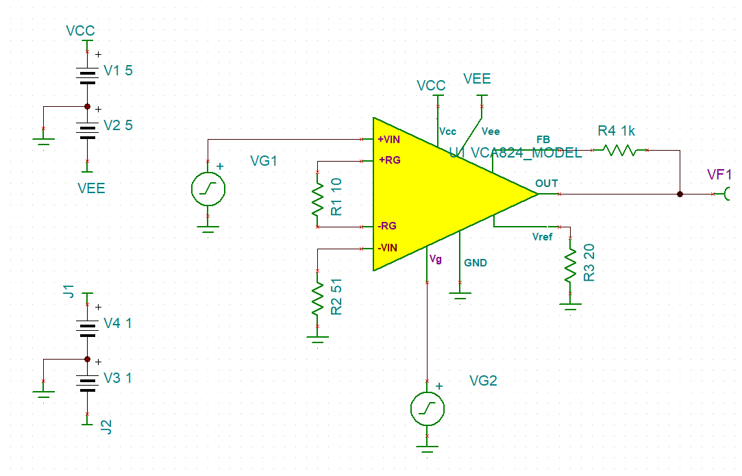
下面利用VCA824

VCA824也是压控增益放大器,不同的是,它可以通过调节R4与R1的大小,来调节放大器的增益范围,在通过Vg端 压控实现在一定电压范围之内增益与可控电压呈现线性关系。

如上如仿真结果为R4与R1的比值为5

如上图仿真结果,R4与R1的比值结果为100。
使用压控增益放大器,要特别的注意压控信号端信号的稳定可靠。在实际当中需引入滤波电路。
最后
以上就是欢呼巨人最近收集整理的关于模电学习笔记(十五)——压控增益放大器的全部内容,更多相关模电学习笔记(十五)——压控增益放大器内容请搜索靠谱客的其他文章。
本图文内容来源于网友提供,作为学习参考使用,或来自网络收集整理,版权属于原作者所有。
发表评论 取消回复