利用ADS设计射频功率放大器
任务:
用飞思卡尔公司的功率放大器芯片ATF27s006NT1设计射频功放,芯片频率范围可达450MHz-3.6GHz。
功放指标:
(1) 工作频率:500MHz
(2) 增益:G>20dB
(3) 电源:+28V
(4) 最大输出功率:2W(33dBm)
设计思路
(1)安装DesignKit模型;
(2)直流DC扫描;
(3)稳定性分析;
(4)偏置电路设计及整体电路设计;
(5)原理图初步优化;
(6)加入实际电容产品模型,再次优化电感值;
(7)加入实际电感产品模型,手动微调电感值。
仿真准备
由于要使用飞思卡尔公司的功率放大器芯片 ATF27s006NT1 设计射频功放,因此我们需要从飞思卡尔官网下载“RF_POWER_ADS2017.DK.zip”
以及“AFT27S006N_MDL_ADS”压缩包。
具体步骤
1、直流扫描
(1)直流扫描电路设置完成,完成后的原理图如图所示:
(2)仿真并显示数据

分析:
因为是 AB 类的功放,所以选取
Vos=2.7V,静态工作电流 IDS.i=736mA 作 为静态工作点。和数据手册中的数据相比,电流取的较大,这是为了获的更好的线性库。
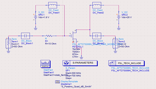
2、偏置及稳定性分析
1)稳定性扫描电路原理图

(2)稳定性分析

分析:
从上图可以看出,稳定系数在频率范围内均小于 1,系统处于不稳定状态,此时的系统容易引起自激,需要添加稳定性措施。一般来说,稳定措施有两种, 意识在输入端增加一个有耗原件,如在输入的隔值电容后串联个小电阻。
(3)稳定措施

(4)仿真结果

分析:
在添加了稳定措施后,再重新进行仿真,结果如上图所示,此时系统在频带内的稳定系数均大于 1,表明系统处于稳定状态。
(5)加入偏置电路

(6)仿真结果

分析:
加入了偏置电路,进行偏置及稳定性分析,从 ADS 中插入 S 参数扫描模板,为了提高电路的稳定性,在输入端加入 RC 回路。并不断改变RC 的参数值使稳 定因子 K>1。仿真后可以看到低端稳定性已经大为改善,功率管在高端也较为稳定,可以开始下一步工作。
3、负载牵引设计 Load-Pull
(1)插入 Load-Pull 模板

分析:
在新建的 LoadPull 原理图中替换为本次实验使用的 Freescale 芯片并且将电路 修改为之前优化好的偏置电路。
(2)确定 LoadPull 的范围

分析:
将 m1、m2 移动到两个圆的圆心,即最高效率和最大功率处,可以确定最大功率时输出的负载为 38.073+j*14.186,选择其为电路的输出阻抗。
4、运用 Smith 圆图进行匹配
(1)匹配电路的建立

(2)输出阻抗匹配电路

(3)Source-Pull 设计/输入阻抗匹配

分析:
新建的 LoadPull 原理图中替换为本次实验使用的 Freescale 芯片并且将电路 修改为之前优化好的偏置电路,同时加入匹配好的输出负载阻抗电路。修改 Source-Pull 的参数,适当调整圆心,使功率圆和效率圆心都能够显示,得出仿真结果。
(4)仿真结果

分析:
将 m1、m2 移动到两个圆的圆心,即最高效率和最大功率处,可以确定最大功率时输入的负载为 2.741+j*26.195,选择其为电路的输入阻抗。
(5)再一次进行阻抗匹配

分析:
利用 Smith 圆图进行输入负载阻抗匹配

分析:
输入负载阻抗匹配最终电路
5、电路的优化
(1)优化前的电路原理图

(2)优化前的仿真结果

分析:
优化前最大输出功率测试结果图

分析:
优化前增益测试结果图
可以看出,在 500Mhz 处最大输出功率为 32.214dBm,增益为 22.214。增益 达到了实验的要求,但是输出功率略微小于本次实验的指标要求。
(3)优化后的电路原理图
手动微调 C4,C5 电容值

(4)仿真结果

分析:
优化后最大输出功率测试结果图

分析:
优化后增益测试结果图
优化后的电路测试指标符合实验要求,最大输出功率为 33dBm,增益为 23dB≥20dB。
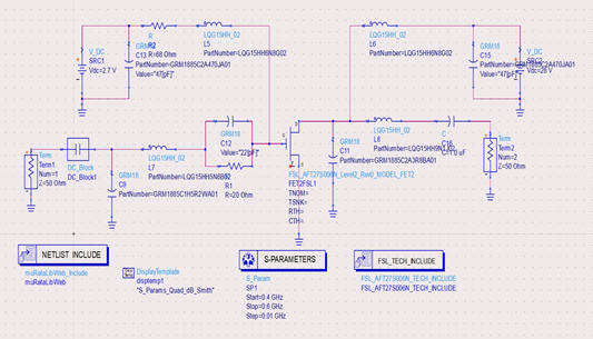
6.、加入实际电容电感
(1)加入实际的电容电感模型

分析:
由于此前匹配电路中选取电容和电感都是理想器件,实际元器件还会存在部分寄生参数,因此使得仿真结果和实际电路尽量接近,需要将实际电感和电容模 型加入到电路中,再次进行优化。
(2)仿真结果

分析:
加入实际电容电感后的增益测试结果图

分析:
加入实际电容电感后的最大功率测试结果图
从图中可以看出来增益和输出功率都有所改变,但偏差不大。
7、完整的电路设计
(1)完整的电路原理图

(2)最终的仿真结果

综上,电路使用飞思卡尔公司的功率放大器片 ATF27s006NT 实现了射频功率放大器的功能,符合本次实验所需的指标要求,其中具体功放的指标为:

8、结果分析
将仿真结果与题目要求的功放指标对比可知,功放的工作频率,电源电压以 及最大输出功率与要求相符,增益为 23dB 也满足大于 20dB 的要求,所以仿真结果符合要求。
后记
点击下载即可下载源文件,仅供参考!
最后
以上就是知性荔枝最近收集整理的关于利用ADS设计射频功率放大器利用ADS设计射频功率放大器的全部内容,更多相关利用ADS设计射频功率放大器利用ADS设计射频功率放大器内容请搜索靠谱客的其他文章。
发表评论 取消回复