我是靠谱客的博主 单纯手套,这篇文章主要介绍试用D触发器和必要的门电路(或最小数量的中规模集成电路芯片)设计两位串行输入、并行输出双向移位寄存器. 寄存器有X、K两个输入端, K控制移位方向, X输入数据(题目全文见本博文示),现在分享给大家,希望可以做个参考。
题: 试用D触发器和必要的门电路(或最小数量的中规模集成电路芯片)设计两位串行输入、并行输出双向移位寄存器. 寄存器有X、K两个输入端, K控制移位方向, X输入数据. K=0时, 寄存器数据从高位移向低位, X往寄存器高位送数据; K=1时, 寄存器数据从低位移向高位, X往寄存器低位送数据.
解析:
根据题目的描述, 得到对应的状态表.
| 状态表 | ||||
| K | X | Q0* | Q1* | 功能 |
| 0 | 0 | Q1 | 0 | 左移 |
| 0 | 1 | Q1 | 1 | 左移 |
| 1 | 0 | 0 | Q0 | 右移 |
| 1 | 1 | 1 | Q0 | 右移 |
根据状态表, 得到状态激励表.
| 状态激励表 | ||||
| K | X | D0 | D1 | 功能 |
| 0 | 0 | Q1 | 0 | 左移 |
| 0 | 1 | Q1 | 1 | 左移 |
| 1 | 0 | 0 | Q0 | 右移 |
| 1 | 1 | 1 | Q0 | 右移 |
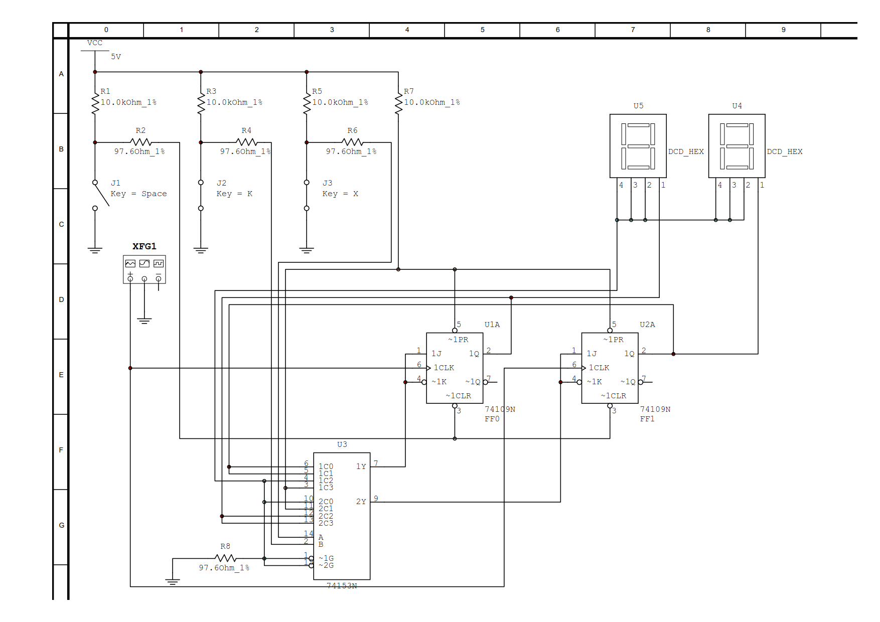
这里为了提升电路设计的效率, 用一片74153的两个输出分别实现D0和D1的逻辑表达式.
根据上面的分析, 绘制电路的原理图.

最后
以上就是单纯手套最近收集整理的关于试用D触发器和必要的门电路(或最小数量的中规模集成电路芯片)设计两位串行输入、并行输出双向移位寄存器. 寄存器有X、K两个输入端, K控制移位方向, X输入数据(题目全文见本博文示)的全部内容,更多相关试用D触发器和必要的门电路(或最小数量的中规模集成电路芯片)设计两位串行输入、并行输出双向移位寄存器.内容请搜索靠谱客的其他文章。
本图文内容来源于网友提供,作为学习参考使用,或来自网络收集整理,版权属于原作者所有。
发表评论 取消回复