功能:
将每个输入的二进制代码译成对应的输出高、低电平信号或另外一个代码。
【 1. 二进制译码器 】
-
3线-8线译码器

真值表

内部逻辑

缺点
用二极管与门阵列做成的译码器高、低电平信号发生偏移且输入电阻低,输出电阻高。
-
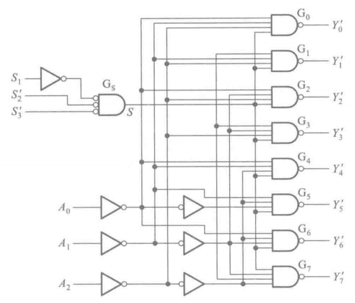
74HC138译码器
由CMOS门电路组成,弥补了二极管门电路的不足

附加控制端
S1=1 、S2’+S3’=0时,Gs输出为高电平( S=1 ),译码器处于工作状态。
即74LS138译码器的 S1、S2、S3可视为总开关,当三者同时有效S1S2’S3’=1时,方可正常工作,否则其8个输出端均为1。
内部逻辑

真值表

例

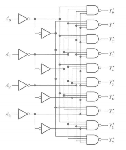
【 2. 二—十进制译码器 】
将输入BCD码的10个代码译成10个高、低电平输出信号。
BCD码以外的伪码,输出均无低电平信号产生。
-
74HC42译码器

内部逻辑

真值表

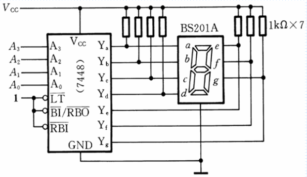
【 3.显示译码器7748 】

-
七段LED数码管

用7748驱动共阴型7段LED数码管

-
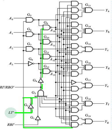
附加功能
①灯测试输入LT’
Ya ~ Yg 全为高电平,数码管的七段全部点亮。

②灭零输入 RBI’
不显示0。

③灭零输入/灭零输出 BI’ / RBO’
…作为输入端使用时,为灭灯输入控制端。
令BI’=0,无论任何输入状态,可使数码管各段全部同时熄灭。
…作为输出端使用时,为灭零输出端。
R
B
O
′
=
(
A
3
′
⋅
A
2
′
⋅
A
1
′
⋅
A
0
′
⋅
L
T
′
⋅
R
B
I
′
)
′
RBO'=(A3'·A2'·A1'·A 0 '·LT'·RBI' )'
RBO′=(A3′⋅A2′⋅A1′⋅A0′⋅LT′⋅RBI′)′
只有在A3=A2=A1=A0=0,且灭零信号RBI’=0时,RBO’才=0给出低电平。
故,RBO’=0表示译码器已将本来应显示的零熄灭了。
-
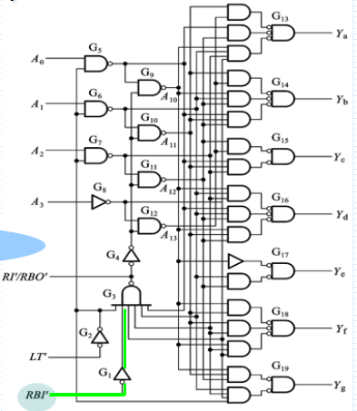
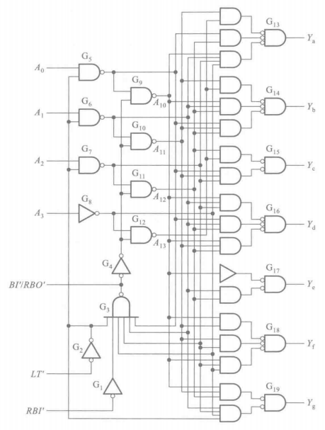
功能描述
内部逻辑图

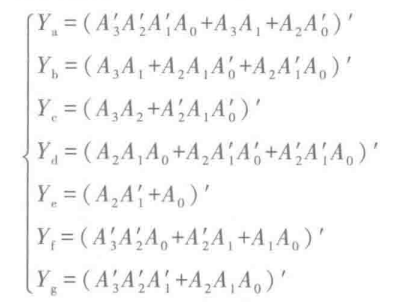
逻辑函数

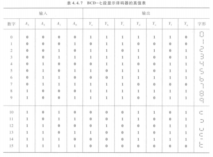
真值表

-
有灭零控制的8位数码显示系统
整数部分:最高位是0,而且灭掉以后,输出RBO’ 作为次高位的 输入信号RBI’。
小数部分:最低位是0,而且灭掉以后,输出 RBO’ 作为次低位的输入信号 RBO’。

最后
以上就是冷酷小丸子最近收集整理的关于译码器【 1. 二进制译码器 】【 2. 二—十进制译码器 】【 3.显示译码器7748 】的全部内容,更多相关译码器【内容请搜索靠谱客的其他文章。
发表评论 取消回复