第一章 常用半导体器件
一、 半导体基础知识 PN结
1 半导体:导电性 导体和绝缘体之间 Si Ge 4价元素。
2 本征半导体:无杂质的稳定结构。 载流子分为带负电的自由电子和带正电的空穴。

3 杂质半导体:N型半导体 加入P、As等 5价元素,多数载流子是自由电子; P型半导体 加入B 等3价元素,多数载流子是空穴。

4 PN结(单向导电性):扩散运动(浓度差,多数载流子)和漂移运动(电场,少数载流子),两种运动相反。

5 PN结单向导电性:
PN结加正向电压,电场减弱,则相应的空间电荷减少,因而空间电荷区变窄。
即P区接正极,N区接负极,由于外加电压的电场方向和PN结内电场方向相反。在外电场的作用下,内电场将会被削弱,使得阻挡层变窄,扩散运动因此增强。
PN结外加反向电压后,空间电荷区中的电场增强,则相应的空间电荷增多,因而空间电荷区展宽。

二、 二极管
1 伏安特性
各类参数,反向饱和电流、正向导通电压、击穿电压、开启电压、温度影响。

2 各电路输出电压U

3 稳压二极管

4 稳压二极管计算题
稳压二极管工作在反向击穿状态,一般两端电压稳定不变,稳定电流有一定范围,
分析过程中 假设在工作在反向击穿状态,计算通过稳压二极管电流是否在稳定电流范围内,
如果不在则说明是反向截止状态,当作断路,否则就工作在反向击穿稳压状态,电压为稳定电压。

三、 三极管





5 三极管三个工作区的判断

发射结反偏 截止区;
发射结正偏 看集电结,集电结正偏 饱和区,集电结反偏 放大区。
一般和稳压二极管一样,假设反偏,算出电流,再算出集电结电压Uce,与发射结Ube比较,看是否大于发射结。大于则假设成立,小于则假设不成立。

第二章 基本放大电路(一级放大电路)
一、 放大电路的性能指标

放大的本质:是功率放大;放大的基本要求:是不失真(规律复现)
对与实现信号放大传输而言,任何放大电路均可等效为一个二端口网络:
二、 基本共射放大电路
原理性共射放大电路 和 实用性放大电路



设置静态工作点目的:避免信号失真。放大的对象是动态信号,因为晶体管的工作特性,没有合适的偏置电路将无法工作,参数不合适,会出现失真。必须设置合适的电路参数让其能够在信号的整个周期内都工作在放大区,也就是要有一个合适的静态工作点。
设计要求:
合适的静态工作点:合适的偏置直流电源、合适的电路参数。
动态输入信号能够作用于晶体管的输入回路,在负载上能够获得放大了的动态信号。
对于一个实用放大电路:输入输出共地、直流电源数量尽可能少、负载上没有直流分量。

Q 静态工作点
1)直接耦合共射放大电路

输入输出共地,减少了直流电源数量,
缺点是:1 因为基极电阻 Rb1 的影响,交流信号存在损失;2 在负载上有直流分量。
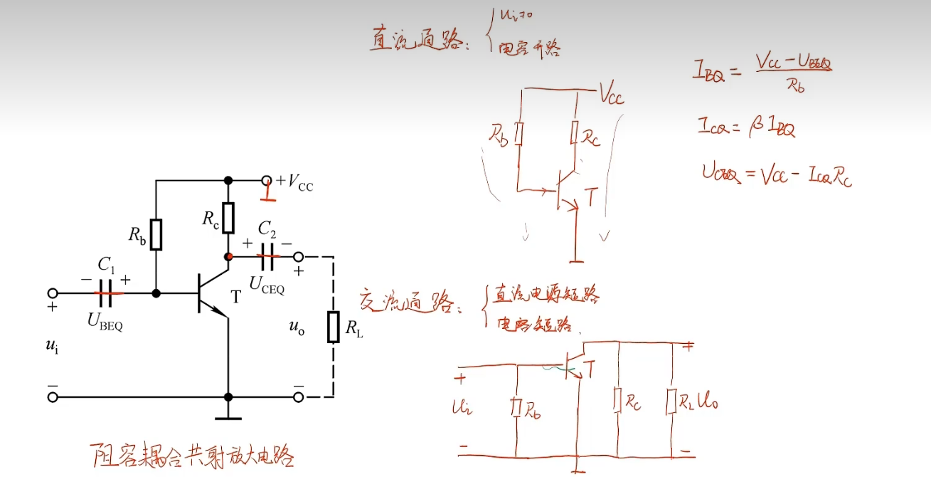
2)阻容耦合放大电路

在电路图中,C1、C2为耦合电容,容量应足够大,即对于交流信号近似为短路。耦合电容的作用是隔直通交,“隔离直流、通过交流”。
在静态时,输入信号为零,耦合电容C1、C2上电压: UC1=UBEQ UC2=UCEQ
在动态时,存在输入信号, UBE=Ui+UBEQ ; 因为耦合电容的影响,在负载上,只存在交流信号。
三、放大电路的分析方法

分析时,一般已知 UBEQ、 VBB、 VCC
1)原理性基本共射电路
直流通路 分析静态工作点Q
静态发射结电流IBQ、静态集电结电流ICQ、静态集电结电压UCEQ

交流通路 分析动态参数
放大倍数Au、输入电阻Ri、输出电阻Rc

2)阻容耦合共射放大电路
直流通路 分析静态工作点Q

交流通路 分析动态参数


四、 经典电路


计算题


五、 共基、共集放大电路
1)共集放大电路


求电压比,最后都是转化到电流Ib上,然后再消掉电流Ib
2)共基放大电路


3)三种电路对比
共射电路:放大能力强,电压、电流都放大
共集电路:输入电阻大,输出电阻小,前级索取信号能力强,同时后级带负载能力强
共基电路:频带宽,往往用在需要宽频带的电路里面

第三章 集成运算放大电路
一、集成运放概念
1)定义
集成运算放大电路(直接耦合的多级放大电路)


输入级用来克服零点漂移的,采用差分放大电路
①偏置电路:为各级放大电路设置合适的静态工作点,采用电流源电路
②输入级:前置级,多采用差分放大电路。要求输入电阻大,差模放大倍数大,共模放大倍数小,输入端耐压高。
③中间级:主放大级,多采用共射放大电路。要求有足够的放大能力
④输出级:功率级,多采用准互补输出级,要求输出电阻小,最大不失真输出电压尽可能的大。
集成运算放大器的型号各异,但用得最为普遍的是通用型集成运放,其内部电路一般为差分输入级、中间级和互补输出级,并带有各种各样的电流源电路。
运算放大器所接的电源可以是单电源的,也可以是双电源的

运算放大器有一些非常有意思的特性,灵活应用这些特性可以获得很多独特的用途,总的来说,这些特性可以综合为两条:
1.运算放大器的放大倍数为无穷大
2.运算放大器的输入电阻为无穷大,输出电阻为零
首先,运算放大器的放大倍数为无穷大,所以只要它的输入端的输入电压不为零,输出端就会有与正的或负的电源一样高的输出电压本来应该是无穷高的输出电压,但受到电源电压的限制
准确地说,如果同相输入端输入的电压比反相输入端输入的电压高,哪怕只高极小的一点,运算放大器的输出端就会输出一个与正电源电压相同的电压
反之,如果反相输入端输入的电压比同相输人端输入的电压高,运算放大器的输出端就会输出一个与负电源电压相同的电压(如果运算放大器用的是单电源,则输出电压为零)
其次,由于放大倍数为无穷大,所以不能将运算放大器直接用来做放大器用,必须要将输出的信号反馈到反相输入端(称为负反馈)来降低它的放大倍数
还有,由于运算放大器的输入为无穷大,所以运算放大器的输入端是没有电流输入的——它只接受电压
同样,如果我们想象在运算放大器的同相输入端与反相输入端之间是一只无穷大的电阻,那么加在这个电阻两端的电压是不能形成电流的,没有电流,根据欧姆定律,电阻两端就不会有电压,所以我们又可以认为在运算放大器的两个输人端电压是相同的(电压在这种情况就有点像用导线将两个输入端短路,所以我们又将这种现象叫做“虚短”)

线性区和饱和区(非线性区)


二、差分放大电路 (输入端)
1)零点漂移

主要使用差分电路解决温度漂移

抑制共模信号、放大差模信号
长尾式差分放大电路



典型例题


三、电流源电路(偏置电路)
电流源是为各级提供合适的静态电流,静态电流是固定的。
1)镜像电流源

2)微电流源
实际上静态电流是很小的(几微安)。要在镜像电流源得到一个很小的电流,一种方法是加大R,但R却不能太大。(集成电路难做大电阻)所以如下图加上了Re

典型例题

四、互补输出级(输出级)


第四章 反馈

一、概念、类型及判断
1、反馈类型


2、反馈结果
通过输出量和净输入量来判断反馈的极性

3、直流反馈和交流反馈

4、交流负反馈四种组态
电压串联反馈、电流串联反馈、电压并联反馈、电流并联反馈


5、有无反馈的判断
通过结构判断反馈

6、直流反馈和交流反馈判断

7、正反馈和负反馈判断
用瞬时极性法判断净输入量(电压反馈看电压,电流反馈看电流)是增大还是减小,从而判断正、负反馈

8、电压反馈和电流反馈的判断
看负载短路后,反馈电压是否变为0,如果是则为电压反馈,否则就为电流反馈。

9、串联反馈和并联反馈的判断

例题



二、深度负反馈的实质(估算)


三、交流负反馈对放大电路性能的影响

第五章 信号的运算和处理
工作在负反馈条件下,运算包括比例运算、加减运算、积分微分运算

一、运算
1、比例运算电路


反向比例运算电路例题

2、加减运算电路



3、积分和微分运算电路

电容上的电压是电流的积分,电流是电压的微分

例题:

二、滤波电路
滤波电路:特定频段的信号通过,而其它频率信号被滤掉(衰减到0)
分类:低通滤波电路、高通滤波器、带通滤波器




最后
以上就是秀丽百褶裙最近收集整理的关于模拟电子技术第一章 常用半导体器件第二章 基本放大电路(一级放大电路)第三章 集成运算放大电路第四章 反馈第五章 信号的运算和处理的全部内容,更多相关模拟电子技术第一章内容请搜索靠谱客的其他文章。
发表评论 取消回复