我是卓波,很高兴你来看我的博客。
系列文章:
stm32+lwip(一):使用STM32CubeMX生成项目
stm32+lwip(二):UDP测试
stm32+lwip(三):TCP测试
stm32+lwip(四):网页服务器测试
stm32+lwip(五):以太网帧发送测试
STM32CubeMX是一个图形化的配置工具,根据用户配置可以生成相应的代码,可以帮助开发人员摆脱部分底层开发的烦恼。
一、工程配置
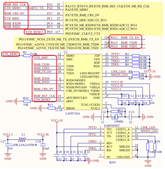
本项目使用stm32407开发板,phy芯片为LAN8720A,硬件原理图如下:

根据原理图,STM32CubeMX配置如下:

1:选择外部晶振
2:选择烧写方式和时基
3:选择调试串口
4:选择PHY接口
5:选择LWIP
6:配置时钟
7:调试串口配置
8:以太网配置

PHY地址根据PHYAD0管脚的配置决定:


PHY芯片设置,需根据LAN8720A的芯片手册来配置:

9:LWIP配置
为了方便调试,使用静态IP,同时使能UDP和TCP模块

10:生成工程
将工程使用的堆栈调大点

每个外设单独形成文件

二、调试串口输出
在生成的uart.c文件中增加以下代码:
1 /****************************************************************************** 2 * 描述 : 重定向c库函数printf到串口 3 * 参数 : 无 4 * 返回 : HAL_OK = 0x00U 5 HAL_ERROR = 0x01U 6 HAL_BUSY = 0x02U 7 HAL_TIMEOUT = 0x03U 8 ******************************************************************************/ 9 int fputc(int ch, FILE *f) 10 { 11 return HAL_UART_Transmit(&huart1, (uint8_t *)&ch, 1, 0xFFFF); 12 }
然后就可以使用printf函数将调试信息通过串口打印出来。
三、PHY芯片复位
在以太网初始化后,增加PHY芯片复位代码

1 HAL_GPIO_WritePin(ETH_RESET_GPIO_Port, ETH_RESET_Pin, GPIO_PIN_RESET); 2 HAL_Delay(50); 3 HAL_GPIO_WritePin(ETH_RESET_GPIO_Port, ETH_RESET_Pin, GPIO_PIN_SET);
四、创建app文件
1 /** 2 ***************************************************************************** 3 * @file app.c 4 * @author Zorb 5 * @version V1.0.0 6 * @date 2018-09-04 7 * @brief 应用的实现 8 ***************************************************************************** 9 * @history 10 * 11 * 1. Date:2018-09-04 12 * Author:Zorb 13 * Modification:建立文件 14 * 15 ***************************************************************************** 16 */ 17 18 #include "app.h" 19 20 /****************************************************************************** 21 * 描述 : 应用的初始化 22 * 参数 : 无 23 * 返回 : 无 24 ******************************************************************************/ 25 void App_init(void) 26 { 27 printf("hello zorbrn"); 28 } 29 30 /****************************************************************************** 31 * 描述 : 应用程序 32 * 参数 : 无 33 * 返回 : 无 34 ******************************************************************************/ 35 void App_process(void) 36 { 37 38 } 39 40 /******************************** END OF FILE ********************************/
在main.c中增加以下代码

MX_LWIP_Process()的功能说明:
/** * ---------------------------------------------------------------------- * Function given to help user to continue LwIP Initialization * Up to user to complete or change this function ... * Up to user to call this function in main.c in while (1) of main(void) *----------------------------------------------------------------------- * Read a received packet from the Ethernet buffers * Send it to the lwIP stack for handling * Handle timeouts if LWIP_TIMERS is set and without RTOS * Handle the llink status if LWIP_NETIF_LINK_CALLBACK is set and without RTOS */
添加好app文件后,后续app初始化代码写在App_init()里边,app应用代码写在App_process()。
需要注意的是,本工程没有使用任务系统,因此App_process()里边代码不能阻塞。
五、ping测试
经过上面的工作,基于stm32的lwip工程已经搭建完成,在电脑上面ping一下:

现在已经ping通了,撒花。
六、最后
STM32CubeMX真的很方便,简简单单配置一下,就可以生成我们想要的工程。减少了开发者对底层驱动开发的时间,让开发者更好地将时间投入到应用开发。
github:https://github.com/54zorb/stm32-lwip
版权所有,转载请打赏哟
如果你喜欢我的文章,可以通过微信扫一扫给我打赏哟

转载于:https://www.cnblogs.com/54zorb/p/9608066.html
最后
以上就是彪壮美女最近收集整理的关于stm32+lwip(一):使用STM32CubeMX生成项目的全部内容,更多相关stm32+lwip(一)内容请搜索靠谱客的其他文章。







发表评论 取消回复