【蓝桥杯单片机07】彻底理解51单片机的中断系统
广东职业技术学院 欧浩源
在接下来的教程中,将会介绍定时器、串口通信等外设的基本使用,而这些外设的使用都要涉及中断,而且中断是单片机或嵌入式开发中一个相当重要的概念。不能掌握中断系统,就无法灵活应用这些外设。
1、什么是中断?
你正在追电视剧《神雕侠侣》,正看得入迷的时候,电话响了,你暂停电视剧,去接电话,在接电话的过程中,门铃又响了,你暂时放下电话,去把门打开。如果追电视剧是在执行主程序,那么电话就是中断源,电话铃响了就是中断请求,暂停电视就是现场保护,接电话就是中断响应,门铃响了是更高一级的中断请求,去把门打开,那就是中断嵌套。开完门回来接着聊电话,那是中断返回,接完电话把电视剧暂停打开就是现场恢复。
内核与外设之间的主要交互方式有两种:轮询和中断。轮询的方式貌似公平,但实际工作效率很低,且不能及时响应紧急事件;中断系统使得内核具备了应对突发事件的能力。
中断有个特点,就是你不知道中断什么时候发生。因此,每个中断都需要有一个中断入口地址,也成为中断向量。这样,不管中断在什么时候发生,它都有一个确定的程序执行起始点。中断响应之后,执行的那段程序,我们称作中断服务函数,也就是这个函数专门是为该中断服务的。
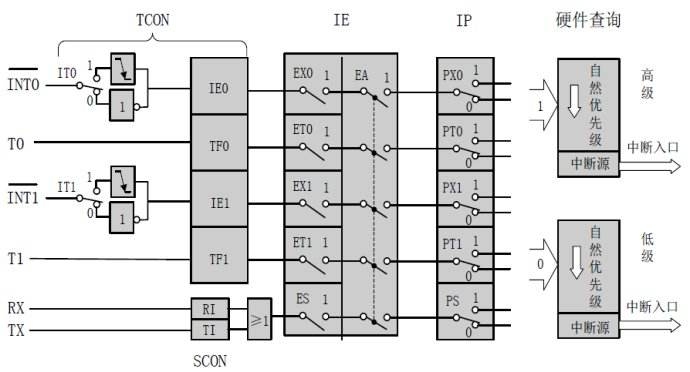
2、关于51单片机的中断系统
一般来说,51单片机有5个中断源(忽略定时/计数器2),分2个优先级,这个5个中断源按照自然优先级从高到低依次为:
外部中断0:INT0
定时/计数器0:TF0
外部中断1:INT1
定时/计数器1:TF1
串口中断:RI/TI
下面一图将充分说明51单片机的中断系统结构:

每个中断源都对应着一个固定的入口地址,也就是中断向量,它们依次是:
0 0x0003: INT0
1 0x000B: TF0
2 0x0013: INT1
3 0x001B: TF1
4 0x0023: RI/TI
也就是说,不管主程序执行到什么地方,只要外部中断1产生请求,内核要响应该中断,就会到0x0013这个地址去执行代码。如果你是在使用汇编语言进行程序开发的时候,你需要记住每个中断源对应的地址;如果你使用的是C语言,你只需要记住中断源的顺序就可以了,也就是最左边的中断号。
3、中断相关的寄存器
中断相关的寄存器有4个,每个寄存器都是可以位寻址的,这该编程带来了方便。
其中2个为控制寄存器:IE寄存器与IP寄存器:

另外2个为中断请求标志:TCON寄存器与SCON寄存器:

4、关于中断服务函数程序的编写
一般情况下,中断的处理函数有两个,其一为中断初始化函数,其二为中断服务函数。初始化函数就是一个普通的函数,而中断服务函数却有特殊的格式要求:
<1> 中断函数没有返回值,也不能带参数。
<2> 函数名后面要跟一个关键字interrupt,说明这是一个中断服务函数。
<3> 在关键字interrupt后面要跟上中断号,说明这个中断服务函数是为那个中断服务的。
中断服务函数的格式为:
void 函数名() interrupt 中断号
{
----函数体----
}
我们要利用定时器0来进行间隔定时,中断程序架构我们C语言可以这样写:

5、结束语
中断系统很重要,务必彻底理解,熟练掌握,对于每一个款微处理器都是这样!!!
转载于:https://www.cnblogs.com/ALittleBee/p/8414903.html
最后
以上就是干净皮卡丘最近收集整理的关于【蓝桥杯单片机07】彻底理解51单片机的中断系统的全部内容,更多相关【蓝桥杯单片机07】彻底理解51单片机内容请搜索靠谱客的其他文章。
发表评论 取消回复